Operation CHARM: Car repair manuals for everyone.
Manuals through 2025 now available!

Our trusted friends have launched a new website named LEMON, which has newer manuals. It also contains all the CHARM manuals.

LEMON is the spiritual successor to CHARM, I recommend you try it!

Link: lemon-manuals.la or lemon-manuals.org.ua

(Some people have issue connecting. LEMON is investigating. For now, use Firefox or change your DNS server)

Or, hide this message: temporarily or permanently

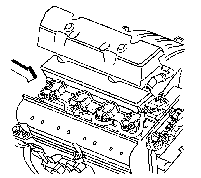
Ignition Control Module Replacement - Bank 1



IGNITION CONTROL MODULE REPLACEMENT - BANK 1

REMOVAL PROCEDURE




1. Remove the fuel injector sight shield.
2. Remove the ignition coil cover from the cam cover by lifting straight up.




3. Disconnect the ignition module assembly wiring harness electrical connector.




4. Remove the ignition module assembly retaining bolts and studs.
5. Carefully, remove the ignition module assembly.

INSTALLATION PROCEDURE




1. Install the ignition module assembly.

IMPORTANT: Ensure that the spark plug seals are in place when installing the ignition module assembly.

2. Install the ignition module retaining bolts and studs.

NOTE: Refer to Fastener Notice in Service Precautions.

Tighten the ignition module retaining bolts and studs to 10 N.m (89 lb in).




3. Reconnect the ignition module electrical connector.




4. Install the ignition coil cover to the cam cover.
5. Install the fuel injector sight shield.