Manuals through 2025 now available!
Our trusted friends have launched a new website named LEMON, which has newer manuals. It also contains all the CHARM manuals.
LEMON is the spiritual successor to CHARM, I recommend you try it!
Link:
lemon-manuals.la or
lemon-manuals.org.ua
(Some people have issue connecting. LEMON is investigating. For now, use Firefox or change your DNS server)
Or, hide this message:
temporarily or
permanently
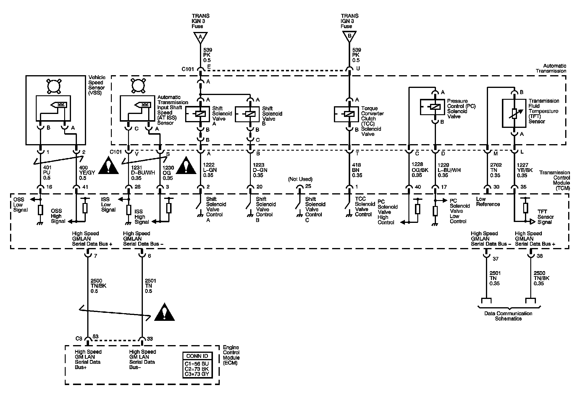
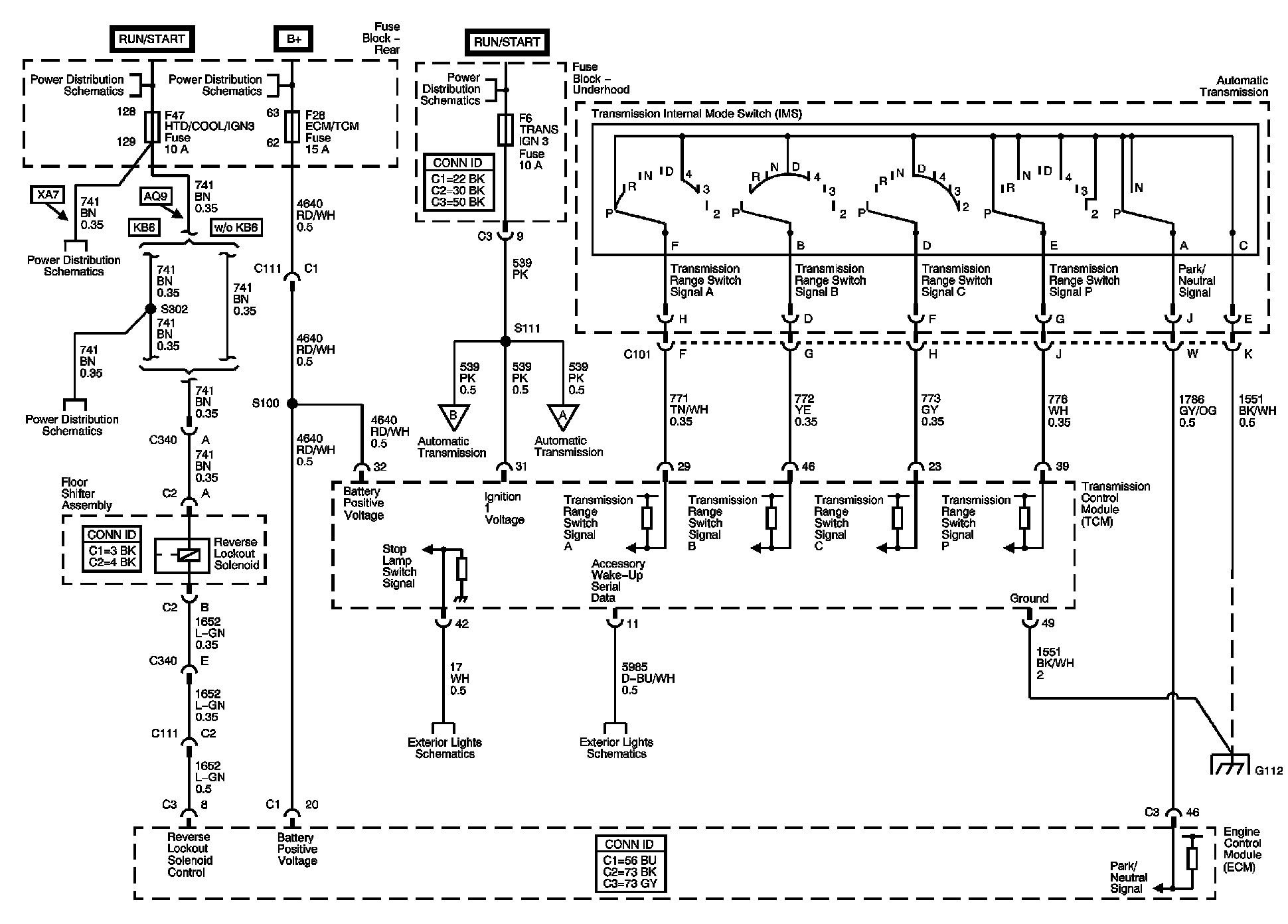
Automatic Transmission Controls Schematics
Automatic Transmission Controls SchematicsAutomatic Transmission Controls Schematics 1:
Automatic Transmission Controls Schematics 2:
Locations: The locations for the Connectors, Grounds, Splices and Grommets shown within these diagrams can be found via their numbers at Vehicle Locations.
Locations