Operation CHARM: Car repair manuals for everyone.
Manuals through 2025 now available!

Our trusted friends have launched a new website named LEMON, which has newer manuals. It also contains all the CHARM manuals.

LEMON is the spiritual successor to CHARM, I recommend you try it!

Link: lemon-manuals.la or lemon-manuals.org.ua

(Some people have issue connecting. LEMON is investigating. For now, use Firefox or change your DNS server)

Or, hide this message: temporarily or permanently

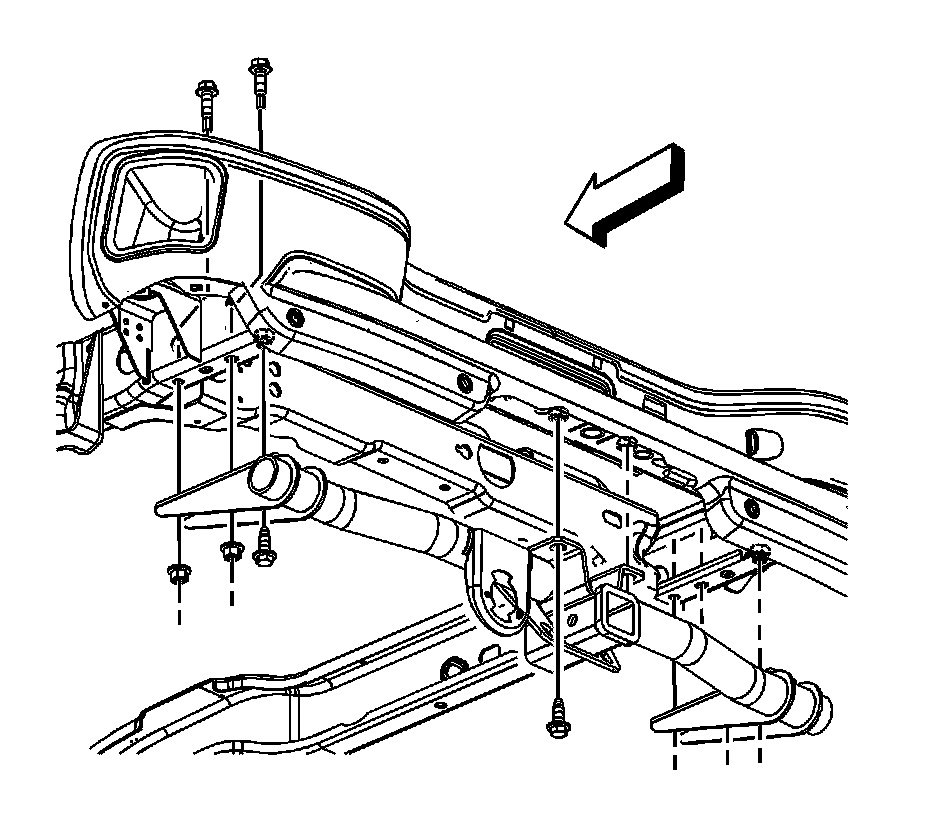
Trailer Hitch: Service and Repair


Trailer Hitch Replacement


Removal Procedure





1.Disconnect the trailer wiring harness.





1.Remove the hitch platform bolts from the frame rails and the rear bumper.

2.Remove the hitch platform from the vehicle.

Installation Procedure

1.Position the hitch platform to the vehicle.





Notice:Refer to Fastener Notice .

1.Install the platform hitch bolts to the frame rails and the rear bumper.

Tighten
-Tighten the trailer hitch-to-frame bolts to 113 N �m (83 lb ft).

-Tighten the trailer hitch-to-bumper bolts to 95 N �m (70 lb ft).





1.Connect the trailer wiring harness.