Operation CHARM: Car repair manuals for everyone.
Manuals through 2025 now available!

Our trusted friends have launched a new website named LEMON, which has newer manuals. It also contains all the CHARM manuals.

LEMON is the spiritual successor to CHARM, I recommend you try it!

Link: lemon-manuals.la or lemon-manuals.org.ua

(Some people have issue connecting. LEMON is investigating. For now, use Firefox or change your DNS server)

Or, hide this message: temporarily or permanently

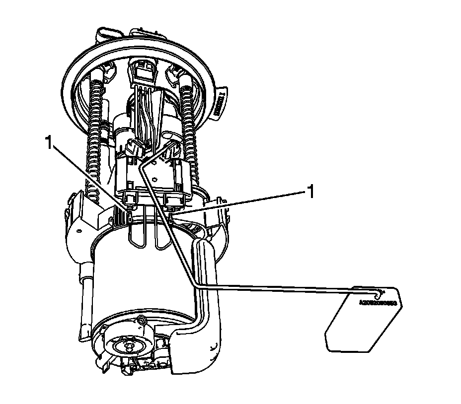
Fuel Level Sensor Replacement (1500 Series With RPO Code E85)



FUEL LEVEL SENSOR REPLACEMENT (1500 SERIES WITH RPO CODE E85)

REMOVAL PROCEDURE




1. Remove the fuel tank module.
2. Disengage the retainers (1) and slide the fuel level sensor up.
3. Remove the fuel level sensor from the module.
4. Disconnect the fuel level sensor electrical connectors (1).

INSTALLATION PROCEDURE




1. Connect the fuel level sensor electrical connectors (1).
2. Install the fuel level sensor to the module.
3. Position and slide the fuel level sensor down until the retainers (1) engage the sensor.
4. Install the fuel tank module.