Operation CHARM: Car repair manuals for everyone.
Manuals through 2025 now available!

Our trusted friends have launched a new website named LEMON, which has newer manuals. It also contains all the CHARM manuals.

LEMON is the spiritual successor to CHARM, I recommend you try it!

Link: lemon-manuals.la or lemon-manuals.org.ua

(Some people have issue connecting. LEMON is investigating. For now, use Firefox or change your DNS server)

Or, hide this message: temporarily or permanently

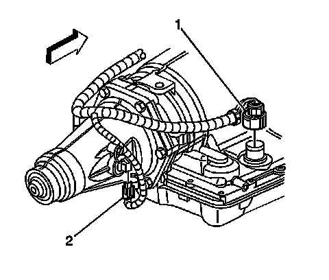
Vehicle Speed Sensor: Service and Repair



Vehicle Speed Sensor Replacement

Removal Procedure




1. Raise and suitably support the vehicle. Refer to Lifting and Jacking the Vehicle.
2. Disconnect the vehicle speed sensor (VSS) electrical connector (2).




3. Remove the VSS bolt (2).
4. Remove the VSS (1).
5. Remove the O-ring seal (3).

Installation Procedure




1. Install the O-ring seal (3) onto the VSS (1).
2. Coat the O-ring seal (3) with a thin film of transmission fluid.
3. Install the VSS (1).

Notice: Refer to Fastener Notice.

4. Install the VSS bolt (2).

Tighten the bolt to 11 N.m (97 lb in).




5. Connect the VSS electrical connector (2).
6. Lower the vehicle.
7. Refill the fluid as required.