Operation CHARM: Car repair manuals for everyone.
Manuals through 2025 now available!

Our trusted friends have launched a new website named LEMON, which has newer manuals. It also contains all the CHARM manuals.

LEMON is the spiritual successor to CHARM, I recommend you try it!

Link: lemon-manuals.la or lemon-manuals.org.ua

(Some people have issue connecting. LEMON is investigating. For now, use Firefox or change your DNS server)

Or, hide this message: temporarily or permanently

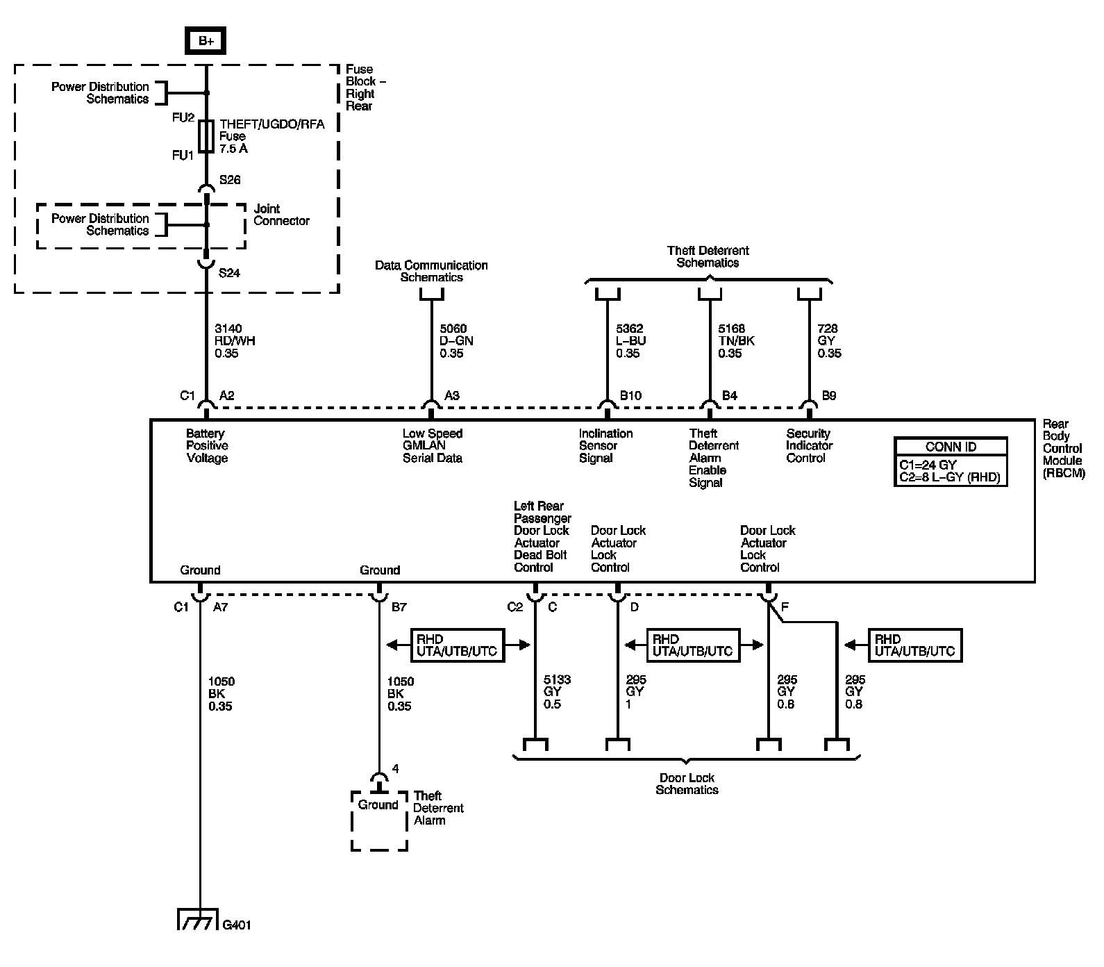
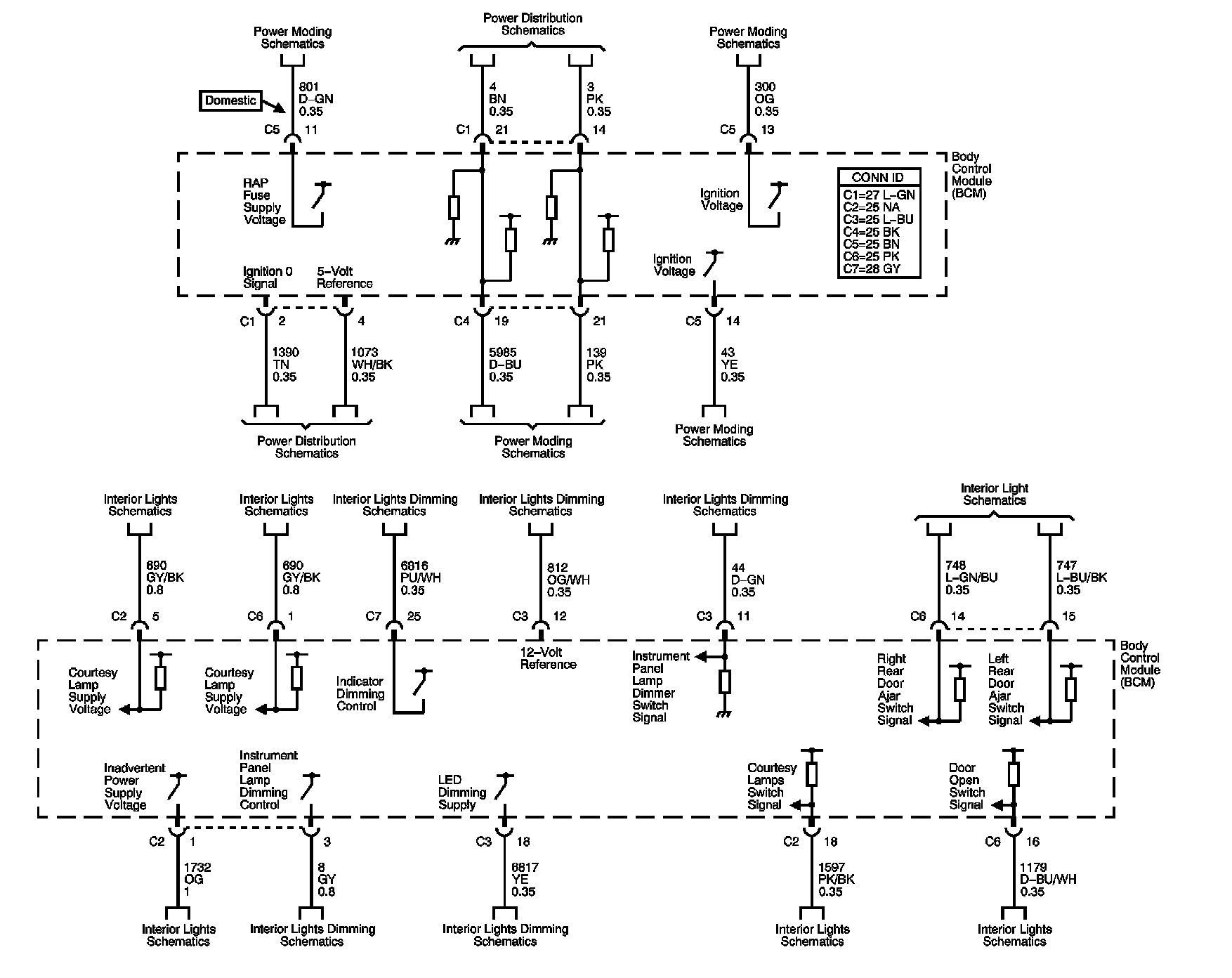
Body Control Systems



Body Control System Schematics

BCM Power, Ground, and Serial Data






BCM Inputs and Outputs (1 of 4)






BCM Inputs and Outputs (2 of 4)






BCM Inputs and Outputs (3 of 4)






BCM Inputs and Outputs (4 of 4)






Rear Body Control Module References (Export w/ UTA/UTB/UTC)






Locations: The locations for the Connectors, Grounds, Splices, and Grommets shown within these diagrams can be found via their numbers at Vehicle Locations. Locations