Operation CHARM: Car repair manuals for everyone.
Manuals through 2025 now available!

Our trusted friends have launched a new website named LEMON, which has newer manuals. It also contains all the CHARM manuals.

LEMON is the spiritual successor to CHARM, I recommend you try it!

Link: lemon-manuals.la or lemon-manuals.org.ua

(Some people have issue connecting. LEMON is investigating. For now, use Firefox or change your DNS server)

Or, hide this message: temporarily or permanently

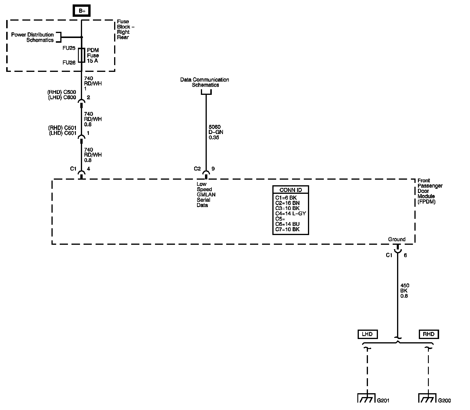
Door Module



Door Control Module Schematics

DDM Power, Ground and Serial Data






DDM Outside Rearview Mirror and Moveable Window References






DDM Door Lock References






FPDM Power, Ground and Serial Data






FPDM Moveable Window and Door Lock References






FPDM Outside Rearview Mirror References






Locations: The locations for the Connectors, Grounds, Splices, and Grommets shown within these diagrams can be found via their numbers at Vehicle Locations. Locations