Operation CHARM: Car repair manuals for everyone.
Manuals through 2025 now available!

Our trusted friends have launched a new website named LEMON, which has newer manuals. It also contains all the CHARM manuals.

LEMON is the spiritual successor to CHARM, I recommend you try it!

Link: lemon-manuals.la or lemon-manuals.org.ua

(Some people have issue connecting. LEMON is investigating. For now, use Firefox or change your DNS server)

Or, hide this message: temporarily or permanently

Electrical Diagrams



ENGINE CONTROLS SCHEMATICS

Module Power, Ground, Serial Data and MIL







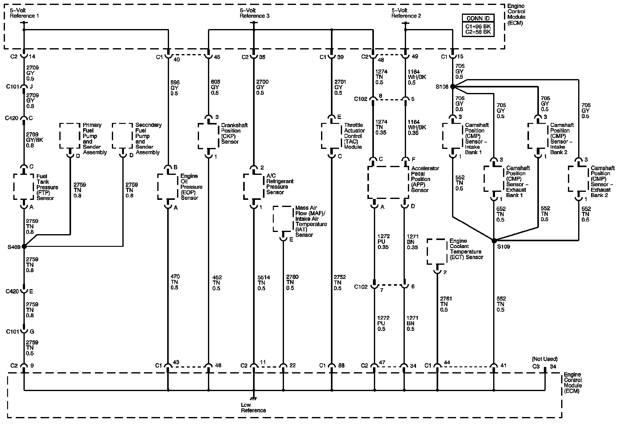
Engine Data Sensors - 5-Volt Reference







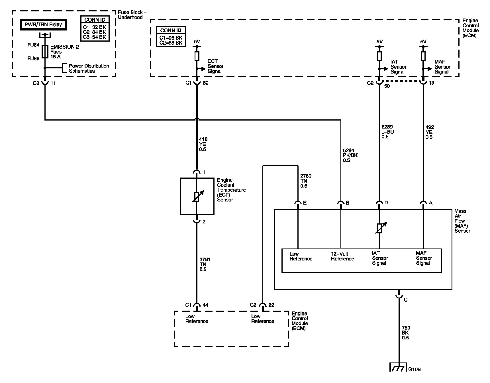
Engine Data Sensors - MAF and Engine Coolant Temperature Sensor







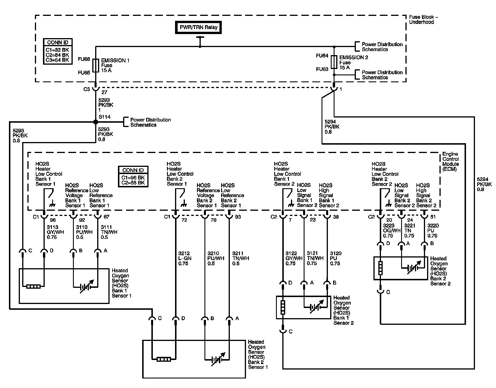
Engine Data Sensors - Oxygen Sensors







Engine Data Sensors - Throttle Actuator Controls







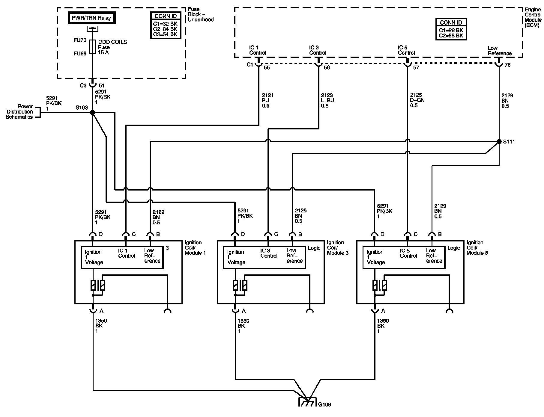
Ignition Controls - Bank 1 Ignition Controls







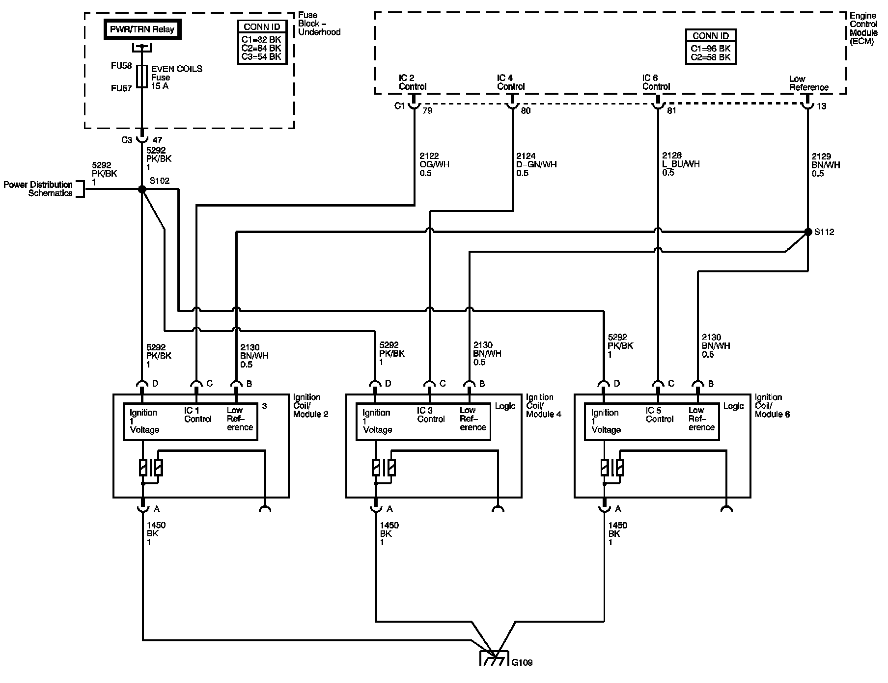
Ignition Controls - Bank 2 Ignition Coils







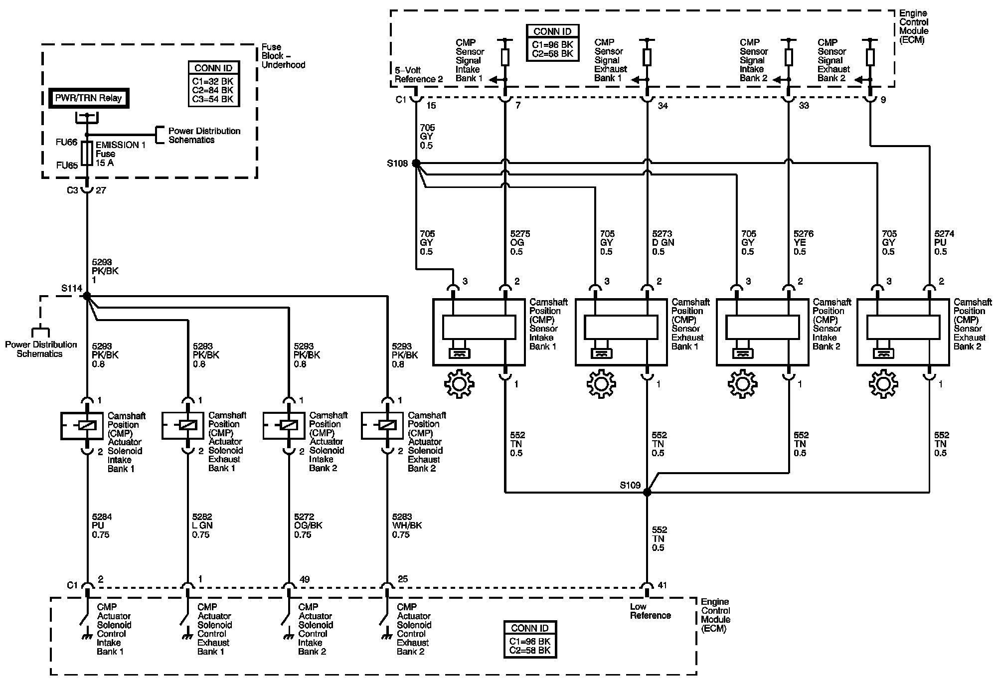
Ignition Controls - CMP Sensors and Solenoids







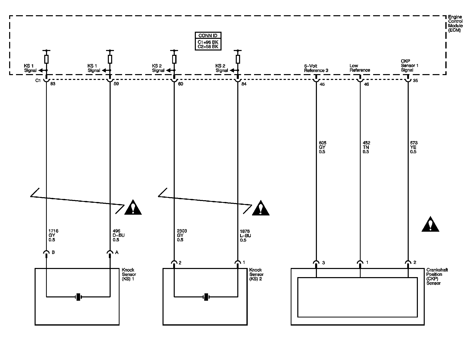
Crankshaft Position (CKP) and Knock Sensors







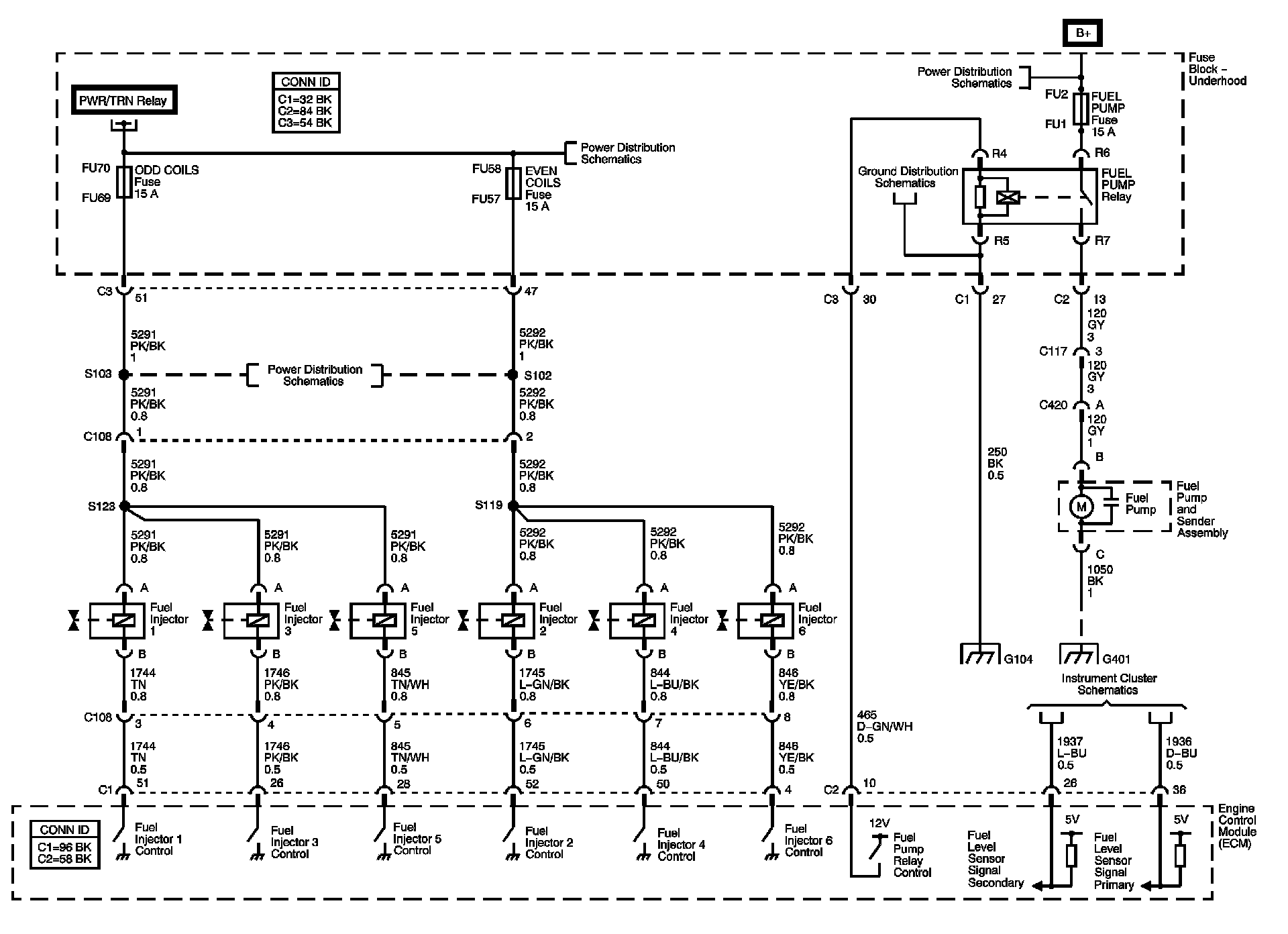
Fuel Controls - Fuel Pump and Injectors







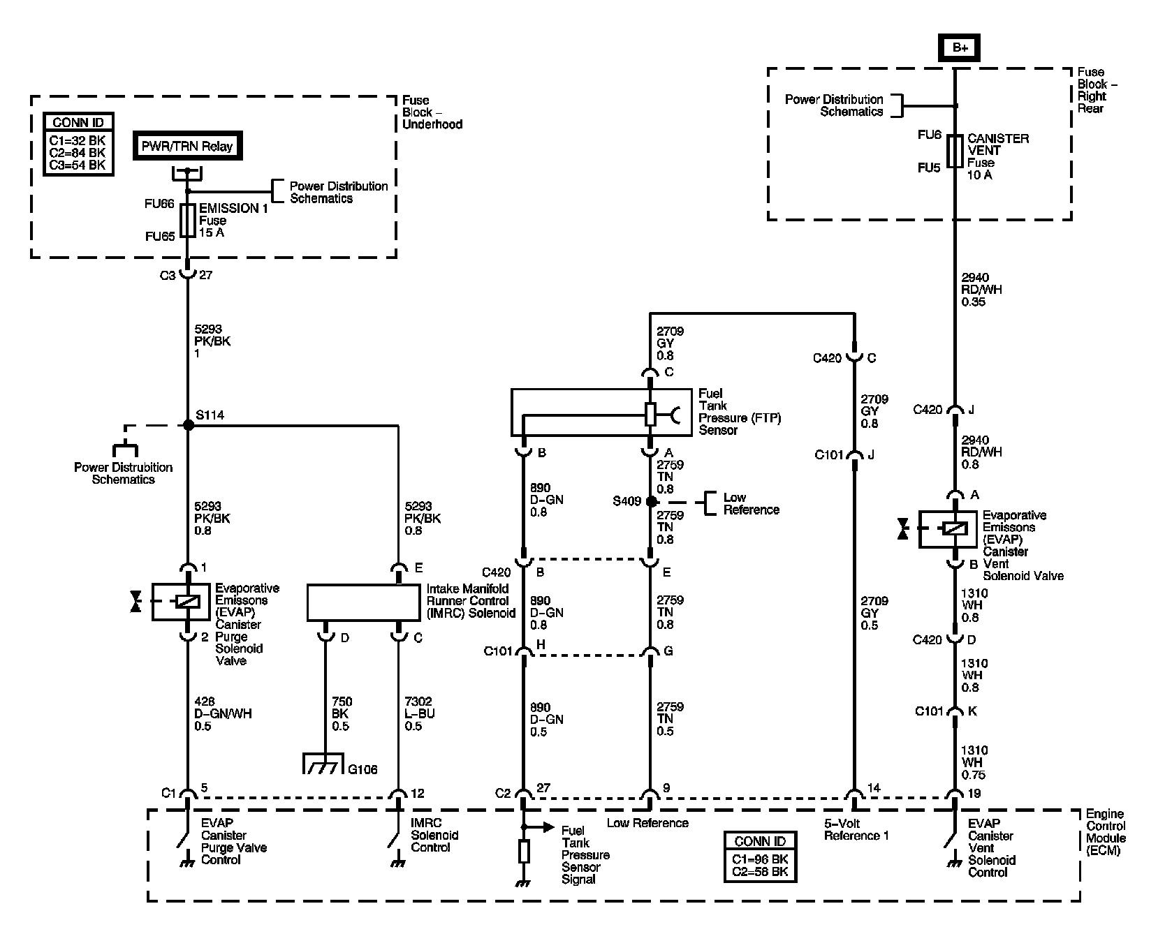
Fuel Controls - EVAP Controls







Controlled/Monitored Subsystem References








Locations: The locations for the Connectors, Grounds, Splices, and Grommets shown within these diagrams can be found via their numbers at Vehicle Locations. Locations