Operation CHARM: Car repair manuals for everyone.
Manuals through 2025 now available!

Our trusted friends have launched a new website named LEMON, which has newer manuals. It also contains all the CHARM manuals.

LEMON is the spiritual successor to CHARM, I recommend you try it!

Link: lemon-manuals.la or lemon-manuals.org.ua

(Some people have issue connecting. LEMON is investigating. For now, use Firefox or change your DNS server)

Or, hide this message: temporarily or permanently

Window Systems Component Views (RHD)



Window Systems Component Views (RHD)

ISRVM and Rear Window Defogger Grid




1 - Headlight Sensor
2 - Emergency Button (UE1)
3 - OnStar(R) Call Center Button (UE1)
4 - Answer/End Call Button (UE1)
5 - Cellular Microphone (UE1)
6 - Inside Rearview Mirror (ISRVM) On/Off Button
7 - Inside Rearview Mirror (ISRVM)
8 - Rear Window Defogger Grid
9 - Rear Window Wiper Motor

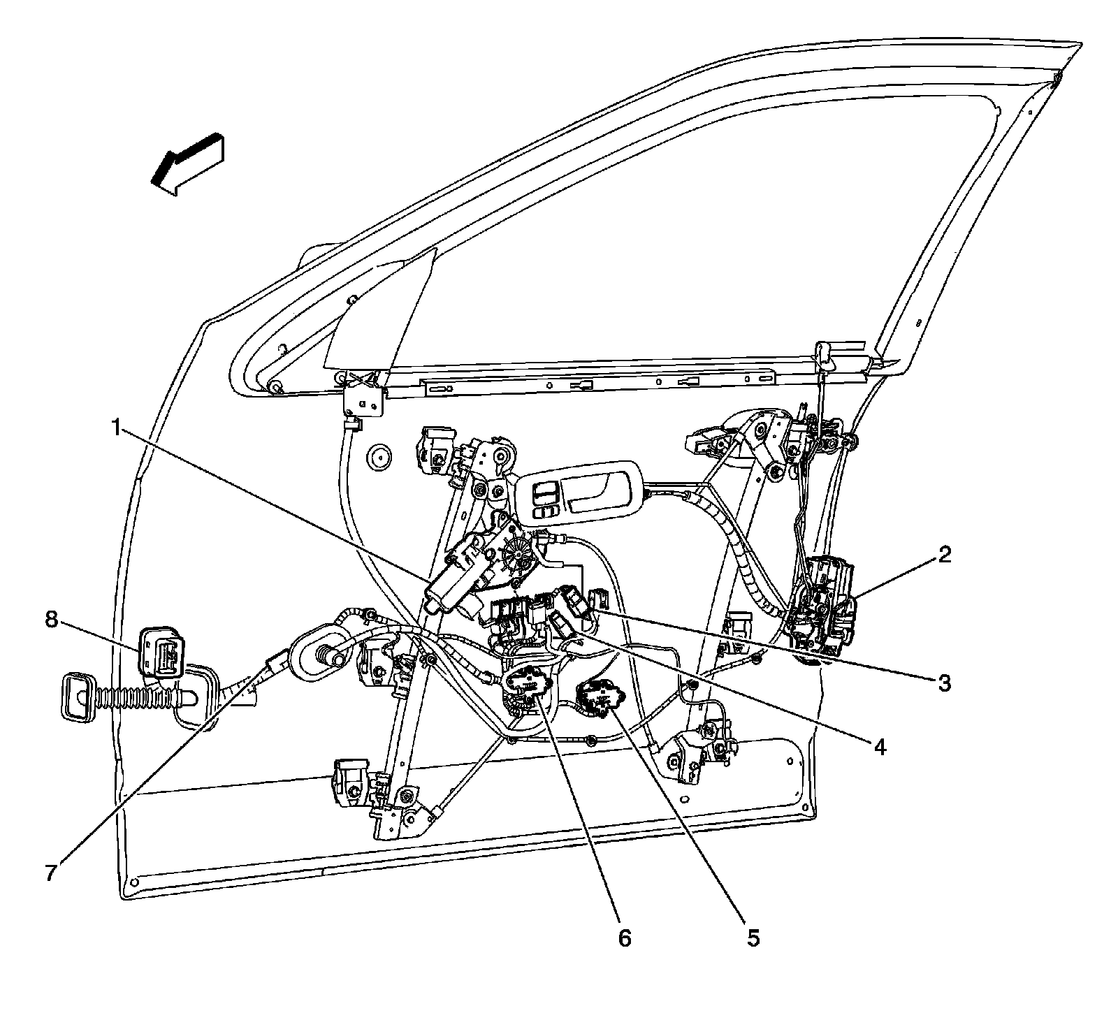
Driver Door Harness Routing Components




1 - Window Motor
2 - Door Latch Assembly
3 - Outside Rearview Mirror C2
4 - Outside Rearview Mirror C1
5 - C602
6 - C601
7 - S601
8 - C600

Driver Door Components




1 - Outside Rearview Mirror
2 - Courtesy Lamp
3 - Driver Door Module (DDM)
4 - Door Lock Switch
5 - Window Lockout Switch
6 - Window Switches
7 - Speaker - RF Door
8 - Outside Rearview Mirror Switch
9 - Memory Seat Switch
10 - Heated Seat Switches

Passenger Door Harness Routing Components




1 - Outside Rearview Mirror
2 - Window Motor
3 - S501
4 - C500
5 - C501
6 - C502
7 - Outside Rearview Mirror Connector
8 - Door Latch Assembly

Passenger Door Components




1 - Outside Rearview Mirror
2 - Heated Seat Switches
3 - Window Switch
4 - Speaker - LF Door
5 - Door Lock Switch
6 - Courtesy Lamp - LF Door

Right Rear Door Components




1 - C801
2 - Door Latch Assembly - Right Rear
3 - Window Motor - RR
4 - Speaker - RR Door
5 - C800
6 - S800
7 - Window Switch - RR

Left Rear Door Components




1 - Window Switch - Left Rear
2 - S701
3 - C700
4 - Speaker - Left Rear Door
5 - Window Motor - Left Rear
6 - C701
7 - Door Latch Assembly - Left Rear