Operation CHARM: Car repair manuals for everyone.
Manuals through 2025 now available!

Our trusted friends have launched a new website named LEMON, which has newer manuals. It also contains all the CHARM manuals.

LEMON is the spiritual successor to CHARM, I recommend you try it!

Link: lemon-manuals.la or lemon-manuals.org.ua

(Some people have issue connecting. LEMON is investigating. For now, use Firefox or change your DNS server)

Or, hide this message: temporarily or permanently

Electrical Diagrams



ENGINE CONTROLS SCHEMATICS

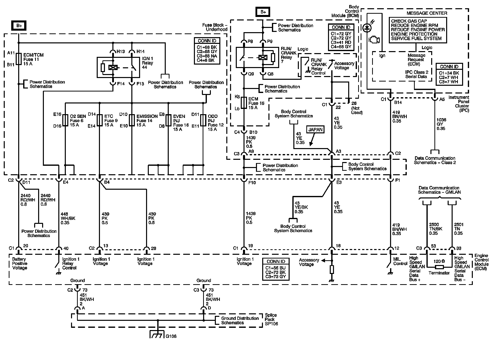
ECM Power, Ground, MIL, and Serial Data







5-Volt Reference Bussing







Low Reference Bussing







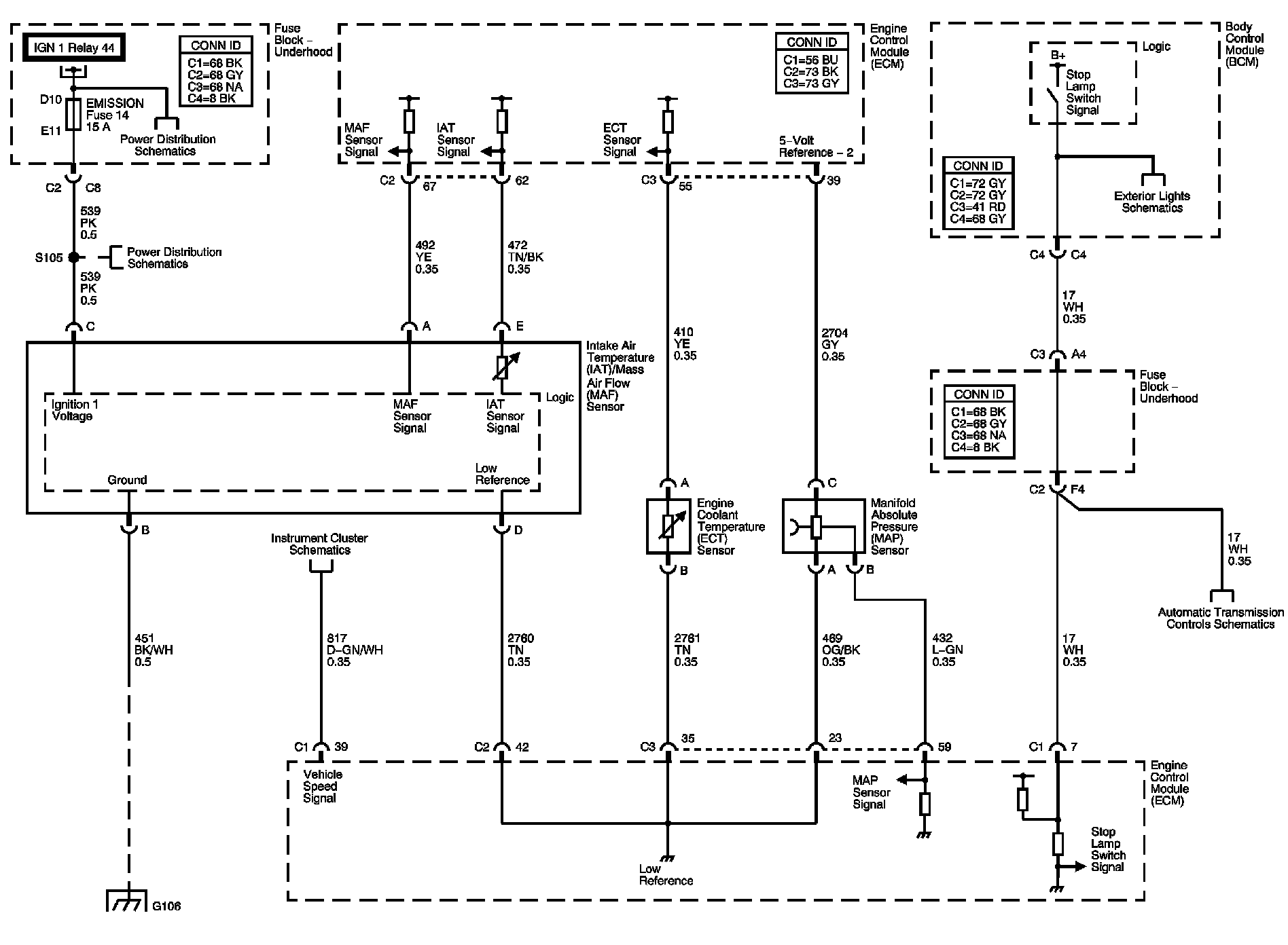
MAF/IAT, ECT, MAP Sensors, and Stop Lamp Switch Signal







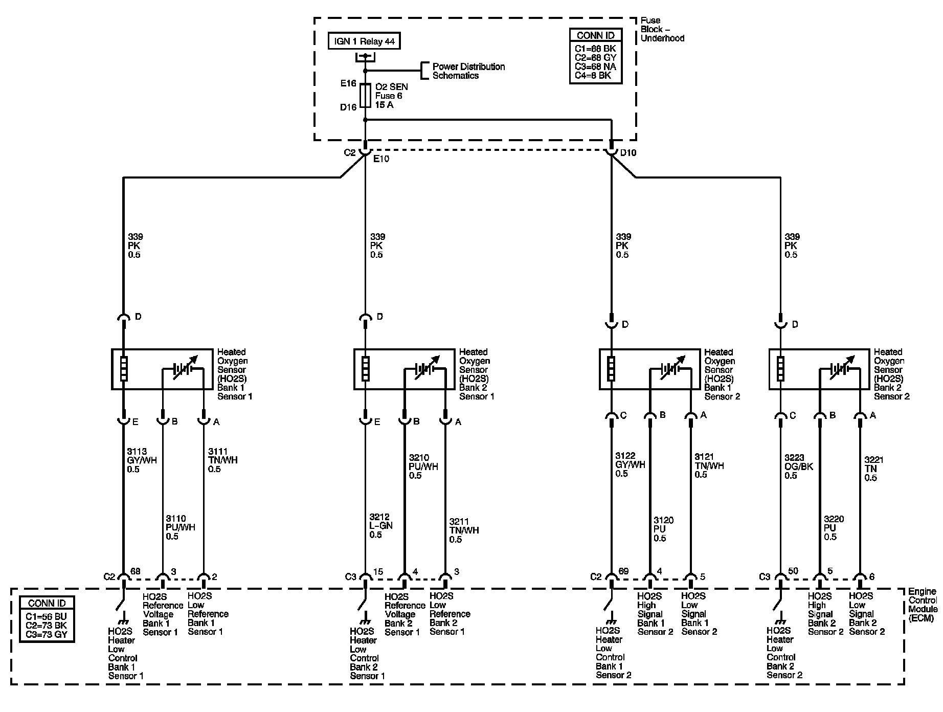
Heated Oxygen Sensors







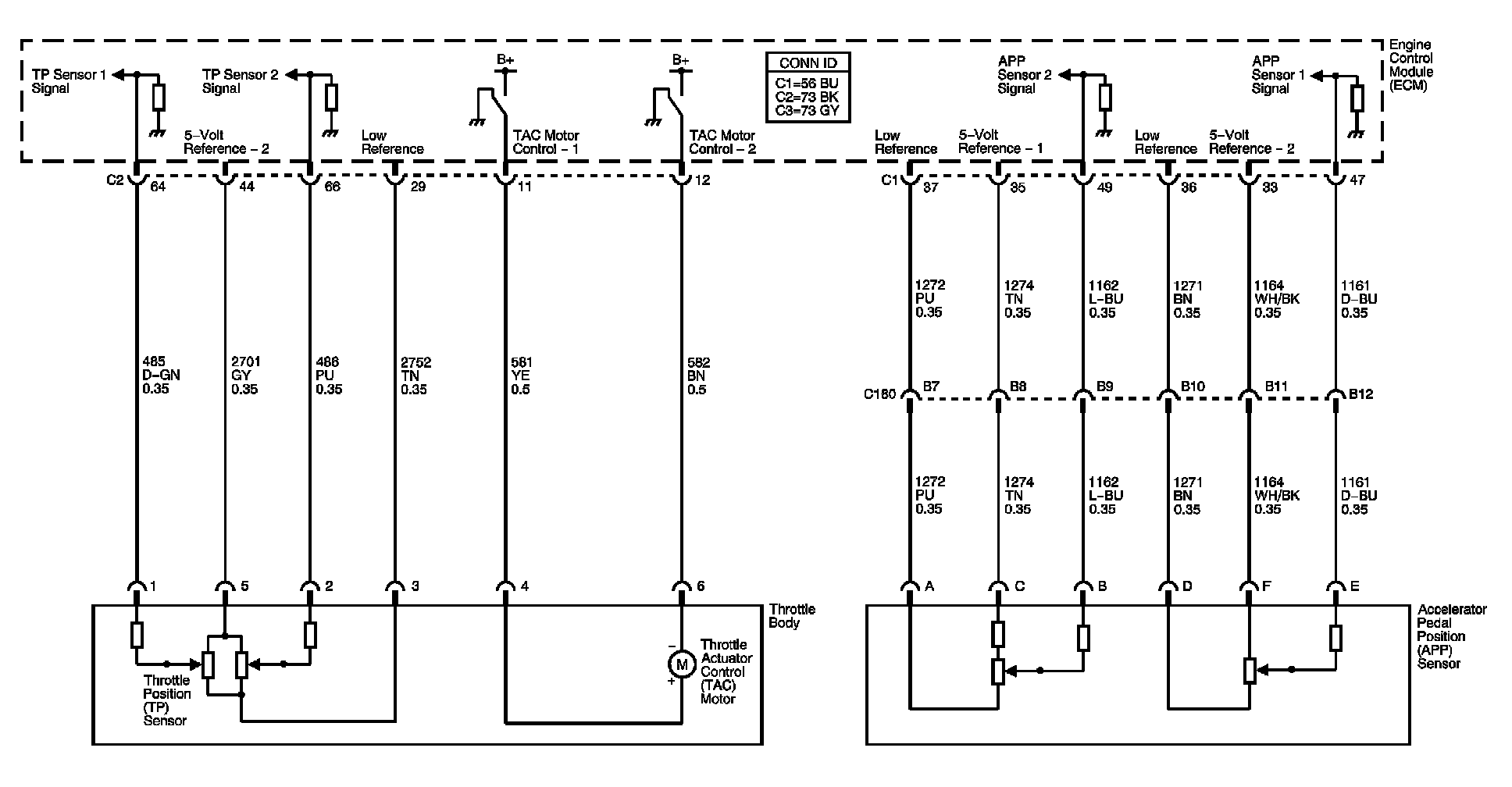
Electronic Throttle Controls







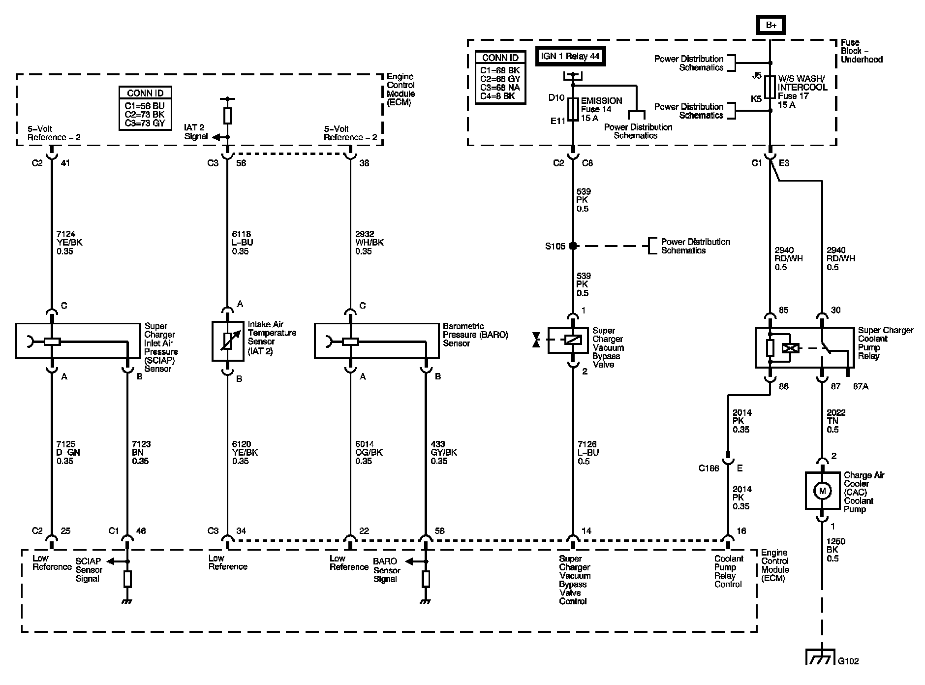
SCIAP, IAT2, BARO Sensors, Super Charger Vacuum Bypass Valve, and Charge Air Cooler (CAC) Coolant Pump







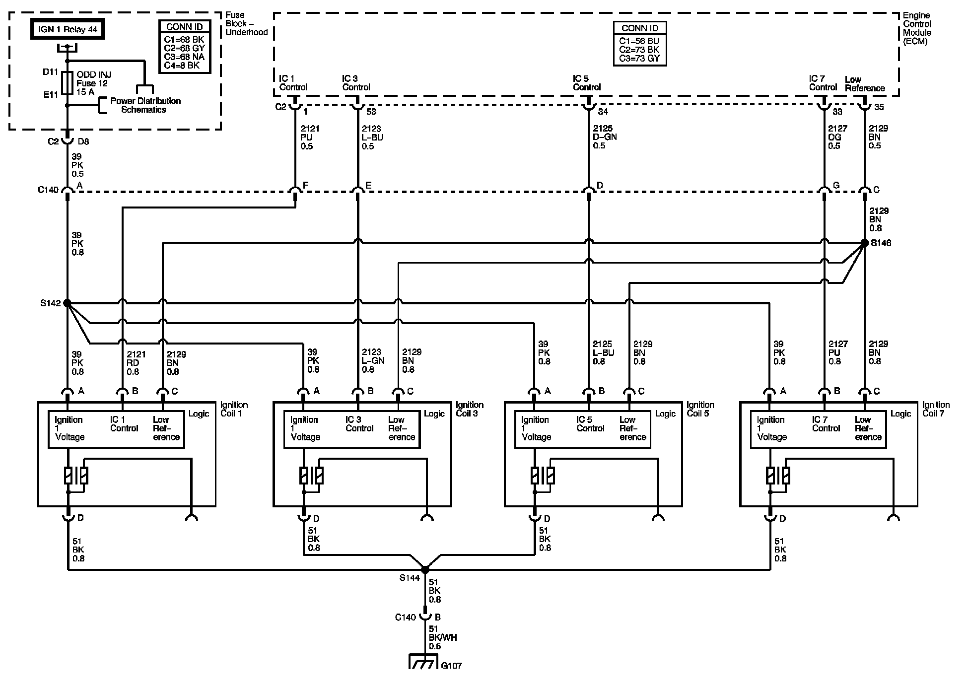
Ignition Coils Bank 1







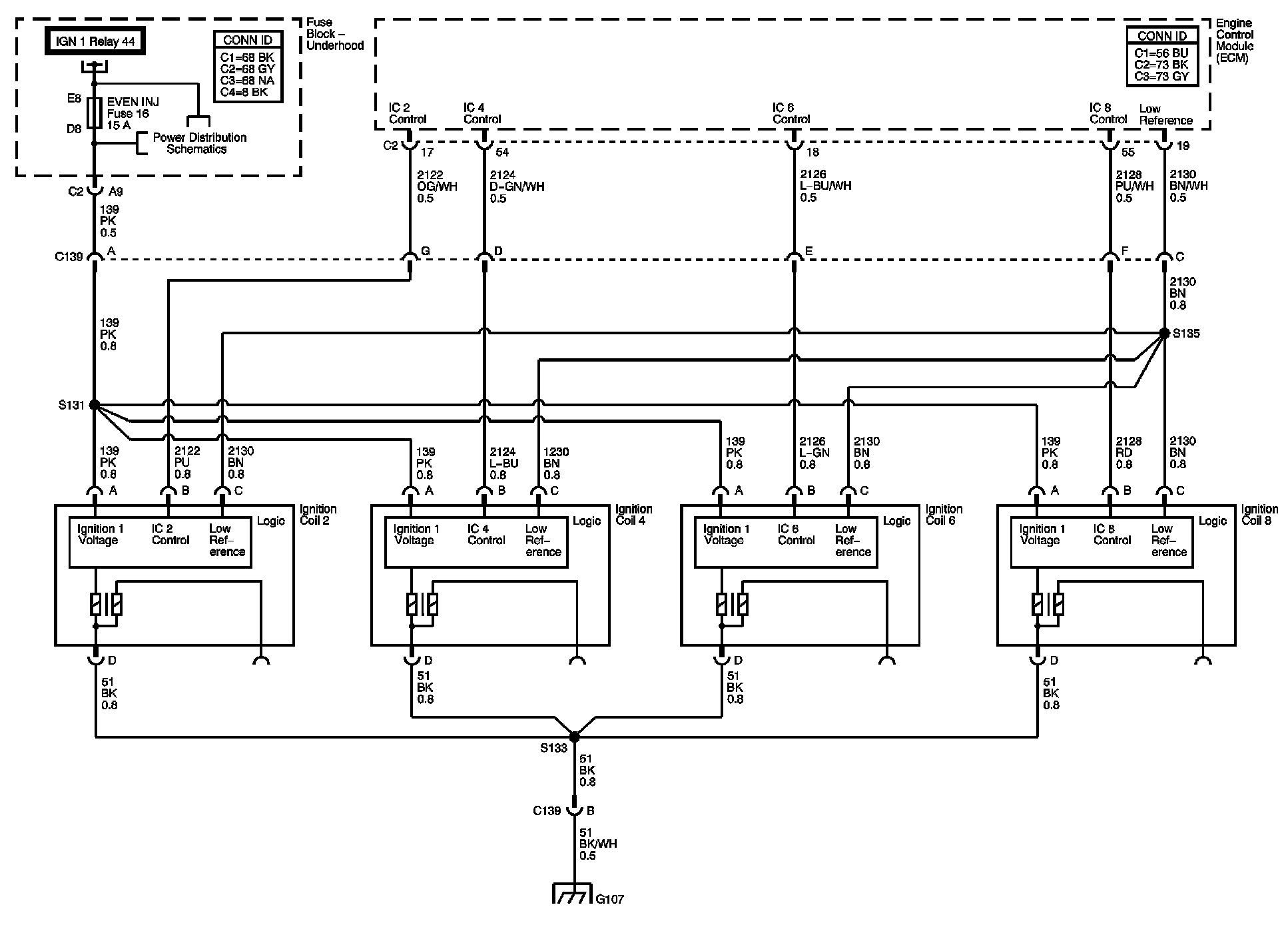
Ignition Coils Bank 2







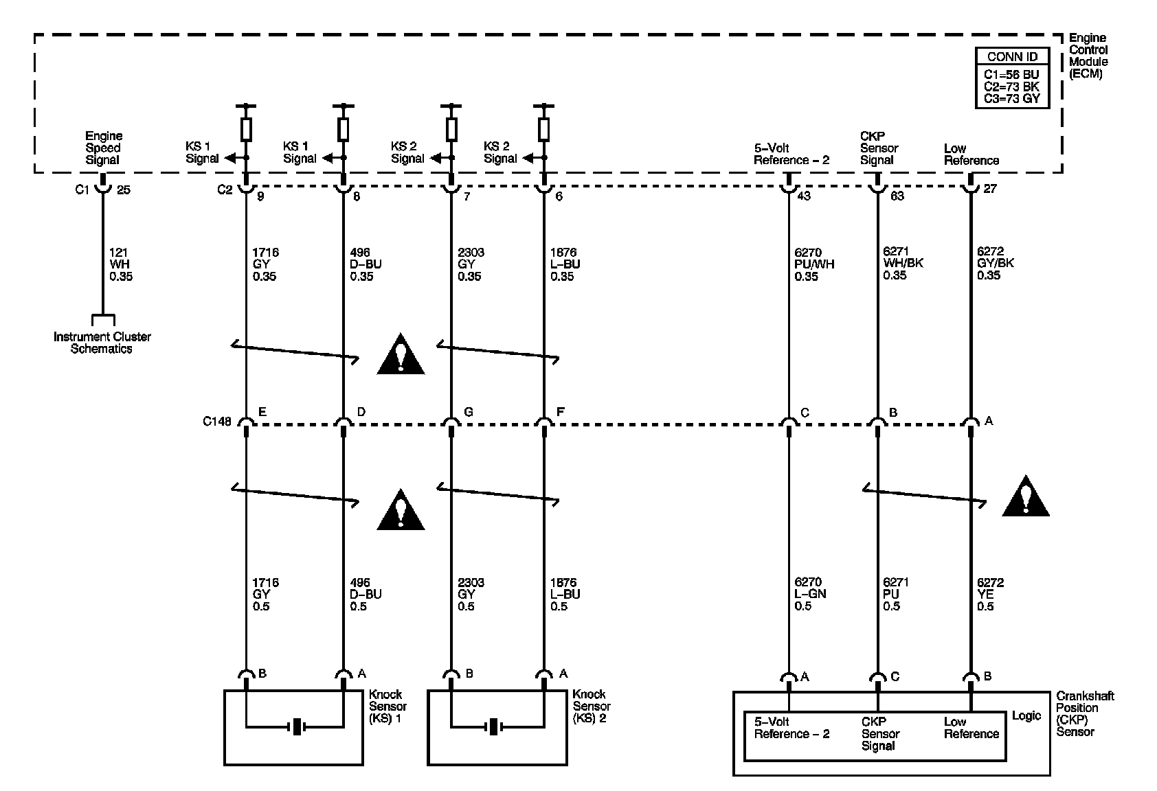
CKP and KS Sensors







CMP Sensors and Actuators







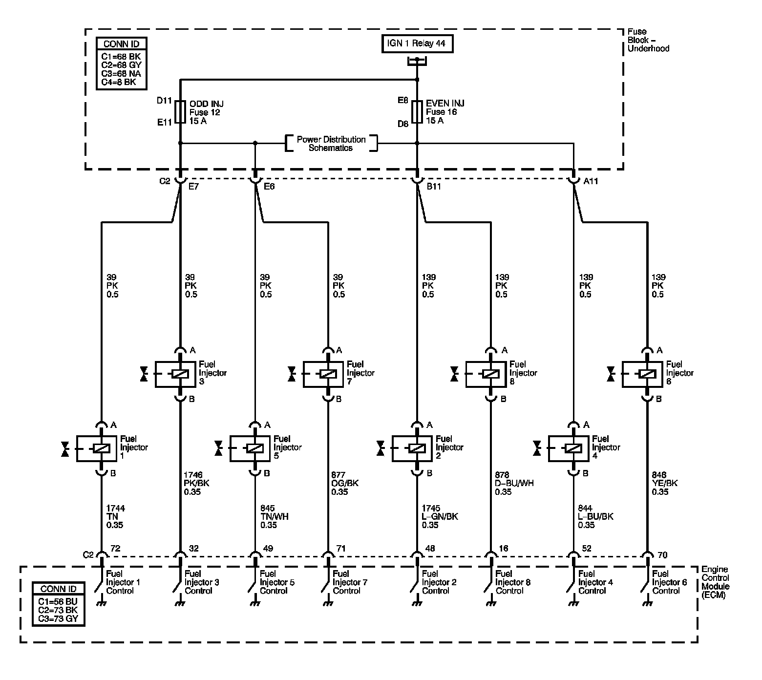
Fuel Injectors







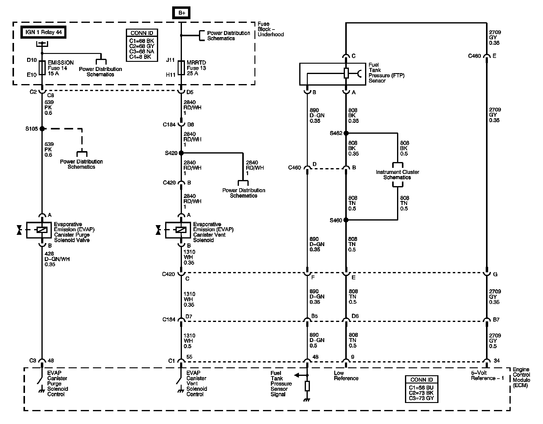
EVAP Solenoids, and FTP Sensor







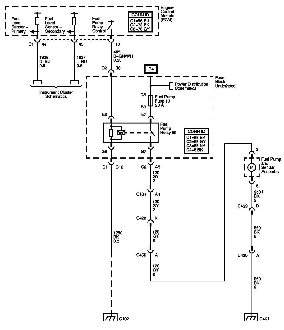
Fuel Pump Controls







Controlled/Monitored Subsystem References







Locations: The locations for the Connectors, Grounds, Splices, and Grommets shown within these diagrams can be found via their numbers at Vehicle Locations. Locations