Operation CHARM: Car repair manuals for everyone.
Manuals through 2025 now available!

Our trusted friends have launched a new website named LEMON, which has newer manuals. It also contains all the CHARM manuals.

LEMON is the spiritual successor to CHARM, I recommend you try it!

Link: lemon-manuals.la or lemon-manuals.org.ua

(Some people have issue connecting. LEMON is investigating. For now, use Firefox or change your DNS server)

Or, hide this message: temporarily or permanently

Window Frame: Service and Repair

Windshield Frame Replacement

Tools Required
J 42058 Frame Adapter Clamp

Removal Procedure
The windshield frame is made of cast aluminum components. The windshield frame is bonded and bolted to the front hinge pillars with structural adhesive. It is also braced to the tunnel assembly by a bolted and bonded cross car beam.

CAUTION: To avoid personal injury when exposed to welding flashes or to galvanized (Zinc Oxide) metal toxic fumes while grinding/cutting on any type of metal or sheet molded compound, you must work in a properly ventilated area, wearing an approved respirator, eye protection, earplugs, welding gloves, and protective clothing.

IMPORTANT: An attempt to repair the windshield frame may compromise the structural integrity of the vehicle. Complete replacement is recommended.




1. Disable the SIR system. Refer to SIR Disabling and Enabling Zones.
2. Disconnect the negative battery cable.
3. Remove all related panels and components.
4. Drill out the close-end rivets securing the upper plenum to the windshield frame.




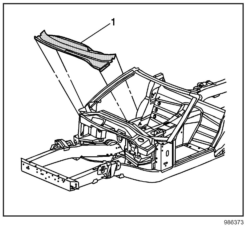
5. Remove the upper plenum (1) by applying heat and pry to detach the adhesive along the bonding surface.
6. Separate the lower plenum from the windshield frame by applying heat and pry to detach the adhesive along the bonding surface.
7. Remove the bolts attaching the cross-car brace.
8. Remove the cross car brace by applying heat and pry to detach the adhesive along the bonding surface.




9. Remove the bolts (1) attaching the windshield frame to the front hinge pillars.
10. Remove the windshield frame (1) by applying heat and pry to detach the adhesive along the bonding surface.
11. Save any and all brackets, mounting studs, and accessories for transfer to the windshield frame.
12. Note the location of the adhesive and remove all remaining loose adhesive.
13. Inspect the structure and frame rails for damage.
14. Repair as much of the damage as possible to the factory specifications. Refer to Dimensions - Body and Measurements - Underbody.
15. Use J 42058 to secure the vehicle if pulling and straightening is required.

Installation Procedure




1. Before applying adhesive, dry fit the windshield frame for proper fit and alignment.

IMPORTANT: DO NOT top coat any bonding surface. Use primer only on bonding surfaces. Refer to adhesive manufacturer's recommendations.

2. Clean and prepare all bonding mating surfaces according to adhesive manufacturer's recommendations.




3. Apply a consistent bead of structural adhesive (1) 10 mm (3/8 in) in diameter to the windshield frame to mate with the bonding surfaces. Refer to Sheet Molded Compound (SMC) Panel Bonding.
4. Install the windshield frame to the vehicle.

NOTE: Use the correct fastener in the correct location. Replacement fasteners must be the correct part number for that application. Fasteners requiring replacement or fasteners requiring the use of thread locking compound or sealant are identified in the service procedure. Do not use paints, lubricants, or corrosion inhibitors on fasteners or fastener joint surfaces unless specified. These coatings affect fastener torque and joint clamping force and may damage the fastener. Use the correct tightening sequence and specifications when installing fasteners in order to avoid damage to parts and systems.




5. Install the bolts (1) that attach the windshield frame to the front hinge pillar.
Tighten
Tighten the bolts to 25 N.m (18 lb ft).
6. Clamp or mechanically fasten the windshield frame into place.
7. Apply structural adhesive to bond the lower plenum to the windshield frame. Refer to Sheet Molded Compound (SMC) Panel Bonding .
8. Drill holes and use close-end rivets GM P/N 9418420 to secure the lower plenum to the windshield frame while adhesive cures.
9. Apply the structural adhesive to the area where the cross-car brace bonds to the center tunnel assembly. Refer to Sheet Molded Compound (SMC) Panel Bonding.
10. Install the cross-car brace to the vehicle.
11. Install the cross-car brace bolts.
Tighten
Tighten the bolts to 25 N.m (18 lb ft).
12. Install all hardware attaching the instrument panel supports to the windshield frame.




13. Apply a consistent bead of structural adhesive (1) to the bonding surfaces to mate with the upper plenum. Refer to Sheet Molded Compound (SMC) Panel Bonding.
14. Install the upper plenum to the windshield frame.
15. Install the close-end rivets GM P/N 9418420, in the factory locations, securing the upper plenum to the windshield frame.




16. Remove any excess adhesive.
17. Install all related panels and components.
18. Connect the negative battery cable.
19. Enable the SIR system. Refer to SIR Disabling and Enabling Zones.