Operation CHARM: Car repair manuals for everyone.
Manuals through 2025 now available!

Our trusted friends have launched a new website named LEMON, which has newer manuals. It also contains all the CHARM manuals.

LEMON is the spiritual successor to CHARM, I recommend you try it!

Link: lemon-manuals.la or lemon-manuals.org.ua

(Some people have issue connecting. LEMON is investigating. For now, use Firefox or change your DNS server)

Or, hide this message: temporarily or permanently

Electrical Diagrams



Automatic Transmission Controls Schematics

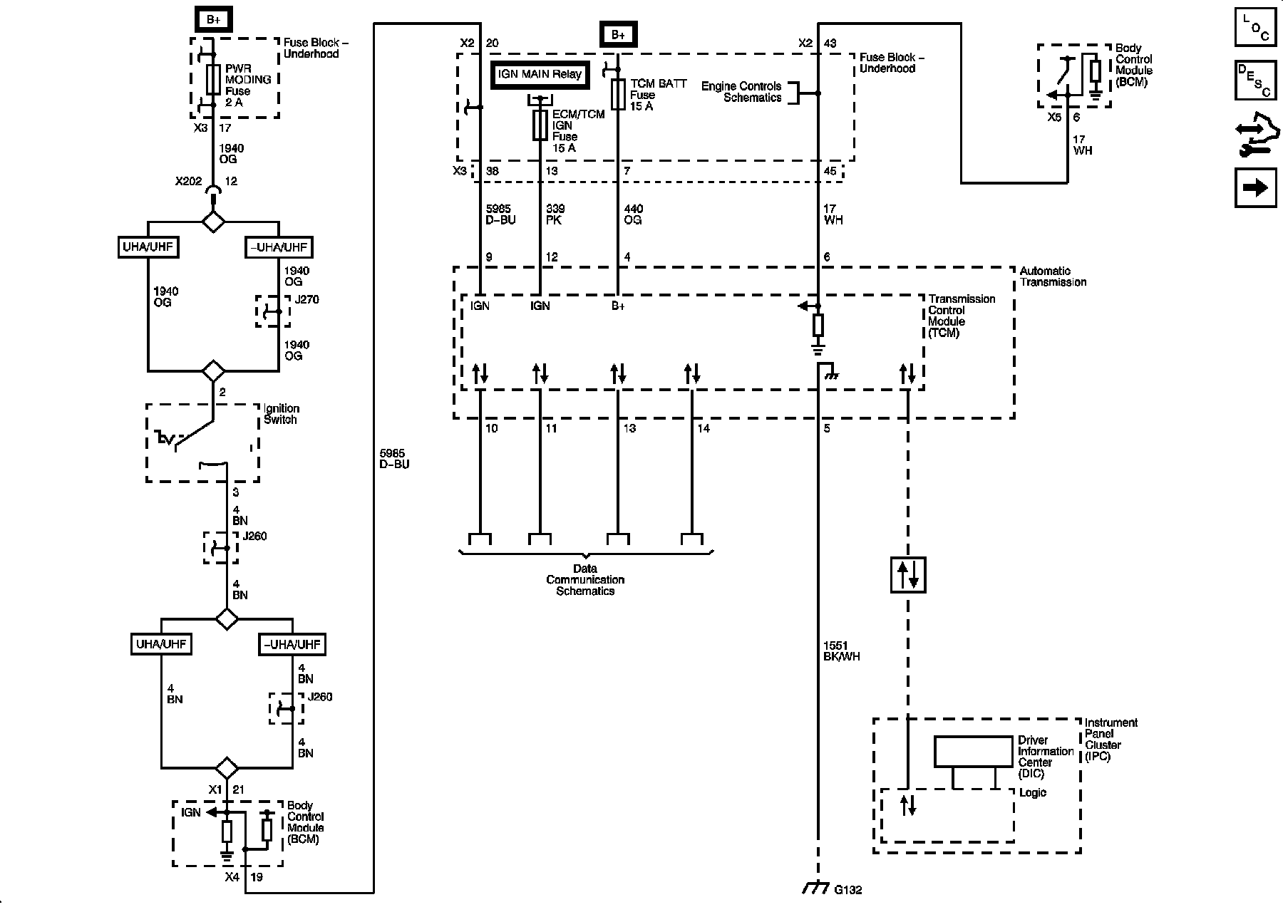
Module Power, Ground, Data Communications, MIL and Brake Applied Signal





Pressure Controls and Shift Controls





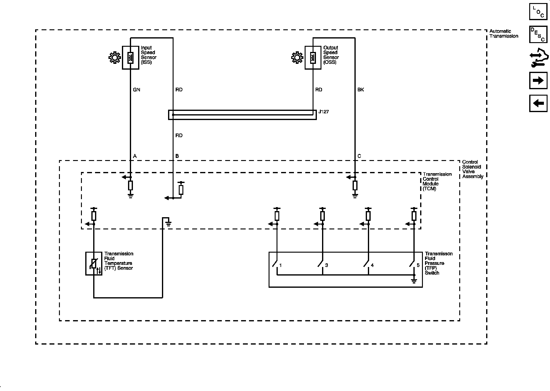
ISS, OSS, TFP and TFT





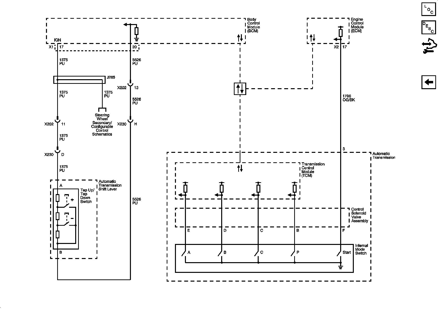
IMS Tap Up/Tap Down