Operation CHARM: Car repair manuals for everyone.
Manuals through 2025 now available!

Our trusted friends have launched a new website named LEMON, which has newer manuals. It also contains all the CHARM manuals.

LEMON is the spiritual successor to CHARM, I recommend you try it!

Link: lemon-manuals.la or lemon-manuals.org.ua

(Some people have issue connecting. LEMON is investigating. For now, use Firefox or change your DNS server)

Or, hide this message: temporarily or permanently

Condenser HVAC: Service and Repair



Condenser Replacement

Tools Required

J 39400-A Halogen Leak Detector


Removal Procedure

1. Recover the refrigerant. Refer to Refrigerant Recovery and Recharging (Refrigerant Recovery and Recharging) .
2. Remove the front compartment sight shield. Refer to Front Compartment Sight Shields Replacement (Front Compartment Sight Shields Replacement) .
3. Remove the upper tie bar. Refer to Front End Upper Tie Bar Replacement () .
4. Remove the hood latch support. Refer to Hood Latch Support Replacement (Service and Repair) .




5. Remove the discharge hose nut from the condenser.
6. Remove the discharge hose from the condenser.




7. Remove the suction hose nut from the condenser.
8. Remove the suction hose from the condenser.
9. Remove and discard the sealing washers. Refer to Sealing Washer Replacement (Sealing Washer Replacement) .




10. Remove the condenser lines to radiator mounting bolt.




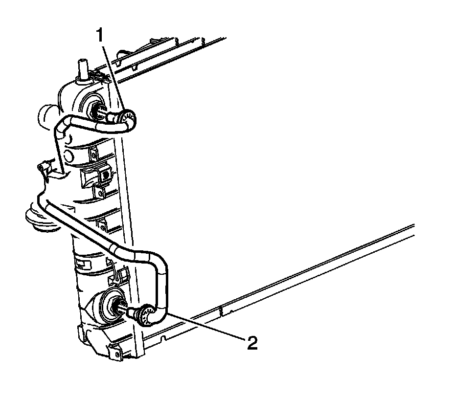
11. Remove the engine oil cooler lines (1, 2) from the radiator, if equipped.




12. Remove the condenser mounting bolts.




13. Remove the condenser from the radiator retainer.
14. Remove the condenser from the vehicle.



Installation Procedure


Important: If replacing the condenser, add refrigerant oil to condenser. Refer to Refrigerant System Capacities ([1][2]Capacity Specifications) for system capacity information.






1. Install the condenser into the radiator retainer.





Notice: Refer to Fastener Notice (Fastener Notice) .

2. Install the condenser mounting bolts.

Tighten the bolts to 9 N.m (80 lb in).






Important: Use the old condenser mounting bracket.


3. Install the condenser line to radiator mounting bolt.

Tighten the bolts to 6 N.m (53 lb in).





4. Install the engine oil cooler lines (1, 2) to the radiator, if equipped.




5. Push the engine oil cooler lines into the radiator quick connect fitting, until a click is heard.
6. Tug gently on the cooler pipe to ensure proper retention.
7. Slide the plastic cap (1) over the quick connect joint.




8. Install new sealing washers. Refer to Sealing Washer Replacement (Sealing Washer Replacement) .
9. Install the suction hose to the condenser.
10. Install the suction hose nut to the condenser.

Tighten the nut to 16 N.m (12 lb ft).





11. Install the liquid line to the condenser.
12. Install the liquid line nut to the condenser.

Tighten the nut to 20 N.m (15 lb ft).

13. Install the hood latch bracket. Refer to Hood Latch Support Replacement (Service and Repair) .
14. Install the upper tie bar. Refer to Front End Upper Tie Bar Replacement () .
15. Recharge the A/C system. Refer to Refrigerant Recovery and Recharging (Refrigerant Recovery and Recharging) .
16. Leak test the fittings using the J 39400-A .
17. Install the front compartment sight shield. Refer to Front Compartment Sight Shields Replacement (Front Compartment Sight Shields Replacement) .