Operation CHARM: Car repair manuals for everyone.
Manuals through 2025 now available!

Our trusted friends have launched a new website named LEMON, which has newer manuals. It also contains all the CHARM manuals.

LEMON is the spiritual successor to CHARM, I recommend you try it!

Link: lemon-manuals.la or lemon-manuals.org.ua

(Some people have issue connecting. LEMON is investigating. For now, use Firefox or change your DNS server)

Or, hide this message: temporarily or permanently

Battery Positive Cable Replacement



Battery Positive Cable Replacement (LY7 (LHD))

Removal Procedure

Important:
* Always use replacement cables that are of the same type, diameter, and length of the cables that you are replacing.

* Always route the replacement cable the same as the original cable.








1. Disconnect the negative battery cable. Refer to Battery Negative Cable Disconnection and Connection (LHD) (Service and Repair)Battery Negative Cable Disconnection and Connection (RHD) (Service and Repair) .
2. Loosen the positive battery cable bolt.
3. Remove the positive battery cable from the battery.




4. Open the bussed electrical center (BEC) terminal cover.
5. Remove the positive battery cable nut (1).
6. Remove the positive battery cable (2) from the BEC stud.
7. Raise and support the vehicle. Refer to Lifting and Jacking the Vehicle (Service and Repair) .




8. Reposition the positive battery cable boot at the generator output BAT terminal.
9. Remove the generator output BAT terminal nut (2) and remove the battery positive cable (1) from the generator.




10. Remove the transmission lower bellhousing bolt (1).
11. Reposition the positive battery cable clip from the bellhousing.




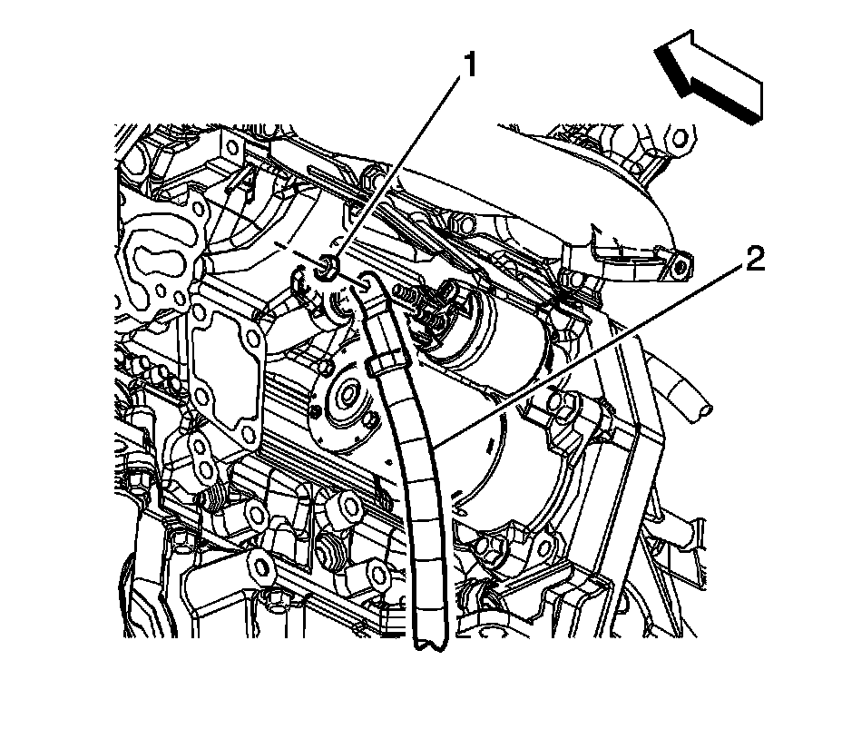
12. Remove the starter terminal nut (1) and remove the battery positive cable (2) from the starter.
13. Lower the vehicle.




14. Remove the positive battery cable clips (1) from the radiator outlet pipe brackets.
15. Remove the positive battery cable from the vehicle.



Installation Procedure





1. Install the positive battery cable to the vehicle.
2. Install the positive battery cable clips (1) to the radiator outlet pipe brackets.
3. Raise the vehicle.





Notice: Refer to Fastener Notice (Fastener Notice) .

4. Install the battery positive cable (2) to the starter and install the starter terminal nut (1).

Tighten the nut to 10 N.m (89 lb in).





5. Position the positive battery cable clip to the bellhousing.
6. Install the transmission lower bellhousing bolt (1).

Tighten the bolt to 50 N.m (37 lb ft).





7. Install the battery positive cable (1) to the generator and install the generator output BAT terminal nut (2).

Tighten the nut to 10 N.m (89 lb in).

8. Position the positive battery cable boot at the generator output BAT terminal.
9. Lower the vehicle.




10. Install the positive battery cable (2) to the BEC stud.
11. Install the positive battery cable nut (1).

Tighten the nut to 15 N.m (11 lb ft).

12. Close the BEC terminal cover.




13. Position the positive battery cable (1) to the battery.
14. Tighten the positive battery cable bolt.

Tighten the bolt to 17 N.m (13 lb ft).

15. Connect the negative battery cable. Refer to Battery Negative Cable Disconnection and Connection (LHD) (Service and Repair)Battery Negative Cable Disconnection and Connection (RHD) (Service and Repair) .