Operation CHARM: Car repair manuals for everyone.
Manuals through 2025 now available!

Our trusted friends have launched a new website named LEMON, which has newer manuals. It also contains all the CHARM manuals.

LEMON is the spiritual successor to CHARM, I recommend you try it!

Link: lemon-manuals.la or lemon-manuals.org.ua

(Some people have issue connecting. LEMON is investigating. For now, use Firefox or change your DNS server)

Or, hide this message: temporarily or permanently

Mirrors: Locations



Harness Routing Views

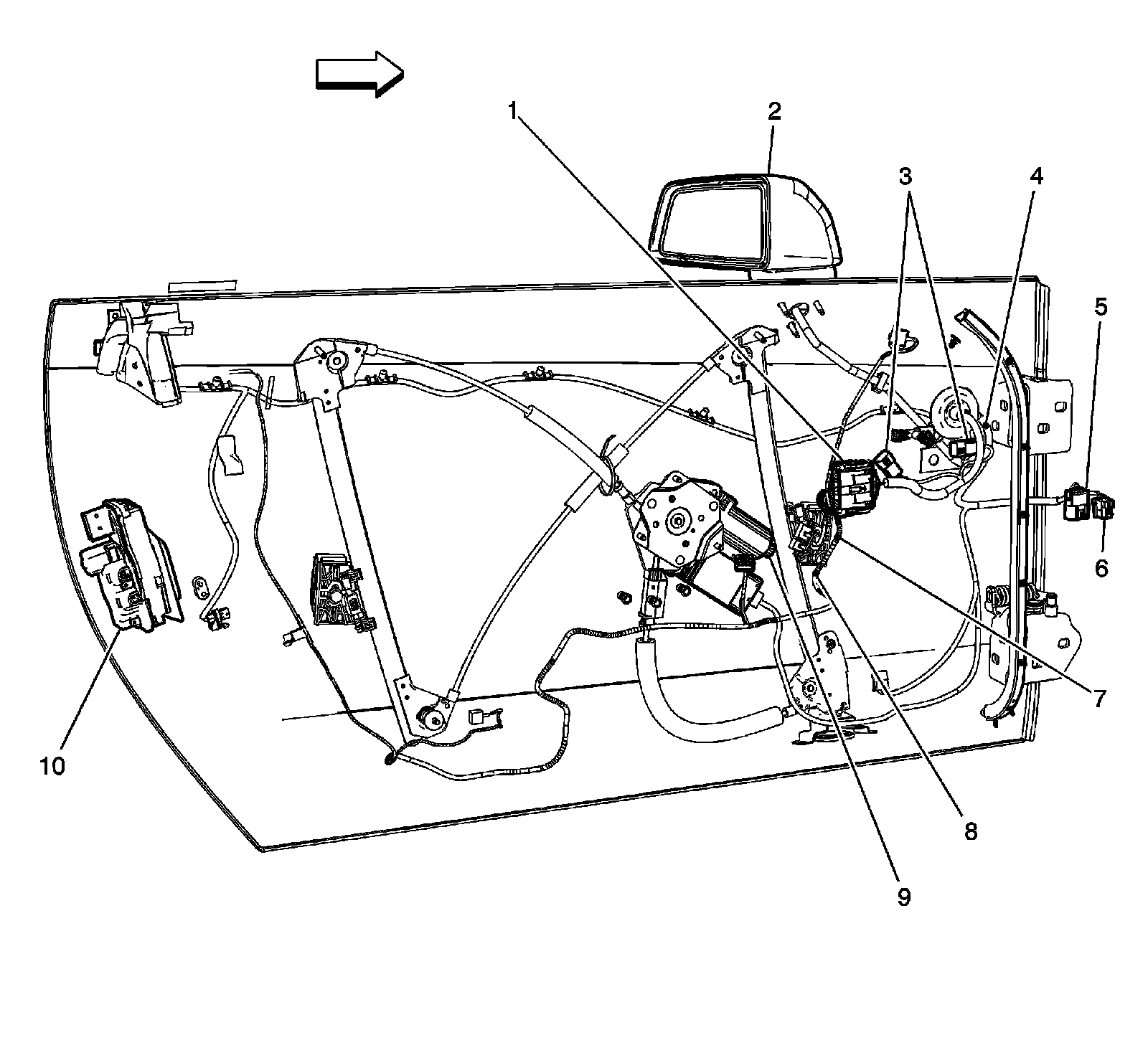
Driver Door Harness Routing




1 - X555
2 - Outside Rearview Mirror
3 - Outside Rearview Mirror Connectors
4 - J539
5 - X501
6 - X503
7 - J579
8 - J559
9 - Window Motor
10 - Door Latch Assembly

Passenger Door Harness Routing




1 - Outside Rearview Mirror
2 - Window Motor
3 - Door Latch Assembly
4 - J660
5 - J680
6 - X666
7 - X600
8 - X607
9 - X911
10 - Outside Rearview Mirror Connectors