Operation CHARM: Car repair manuals for everyone.
Manuals through 2025 now available!

Our trusted friends have launched a new website named LEMON, which has newer manuals. It also contains all the CHARM manuals.

LEMON is the spiritual successor to CHARM, I recommend you try it!

Link: lemon-manuals.la or lemon-manuals.org.ua

(Some people have issue connecting. LEMON is investigating. For now, use Firefox or change your DNS server)

Or, hide this message: temporarily or permanently

Electrical Diagrams



Engine Controls Schematics

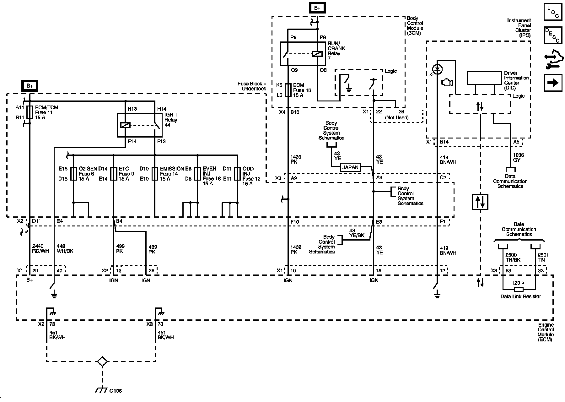
ECM Power, Ground, MIL, and Serial Data






5-Volt Reference Bussing






Low Reference Bussing






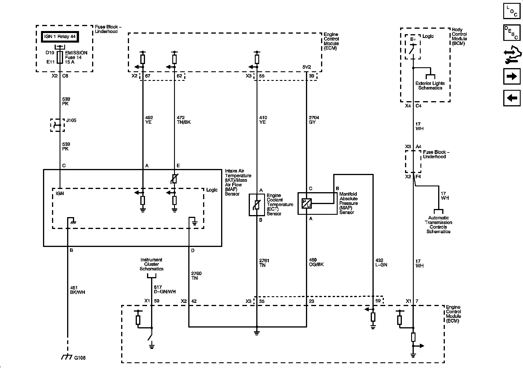
MAF/IAT, ECT, MAP Sensors, and Stop Lamp Switch Signal






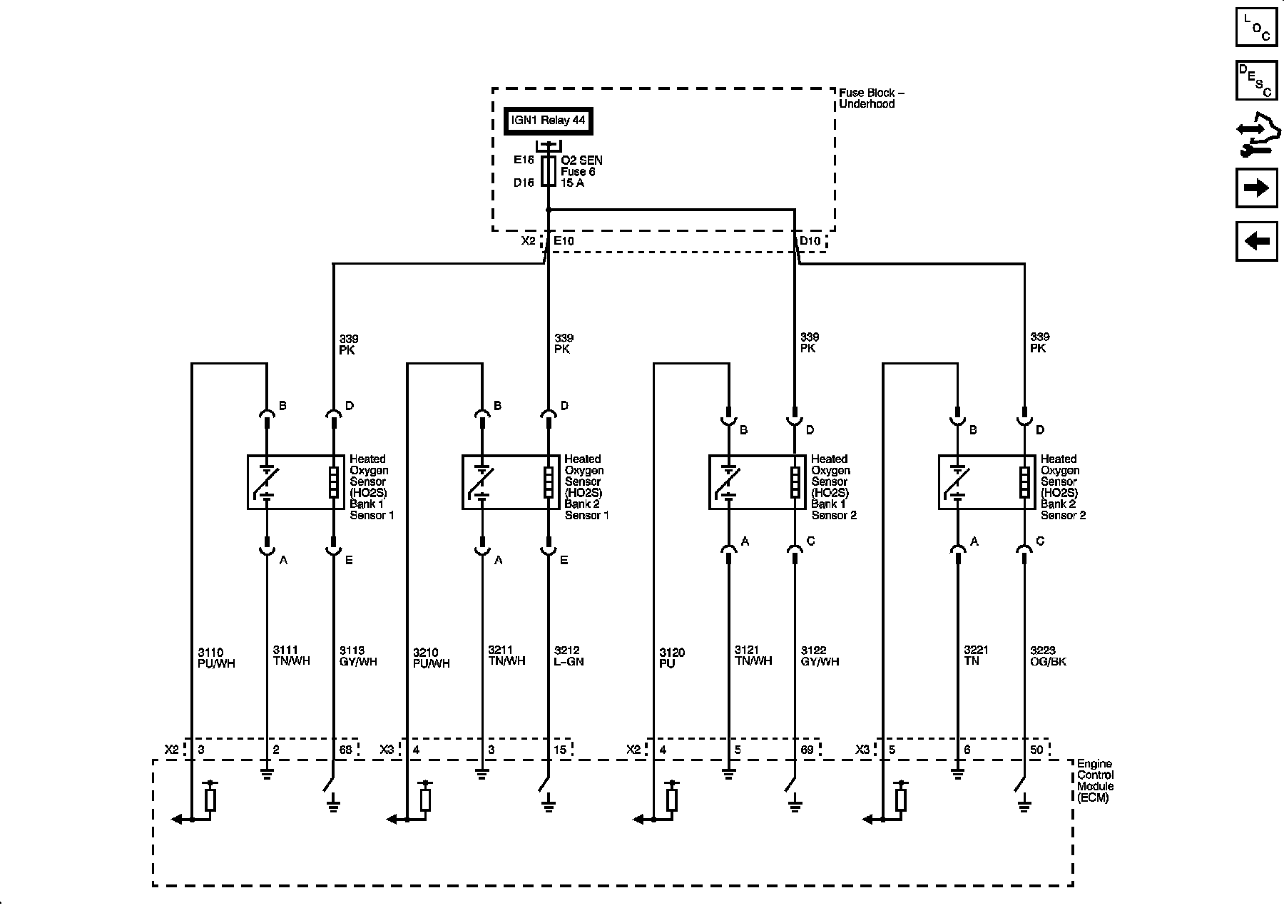
Heated Oxygen Sensors






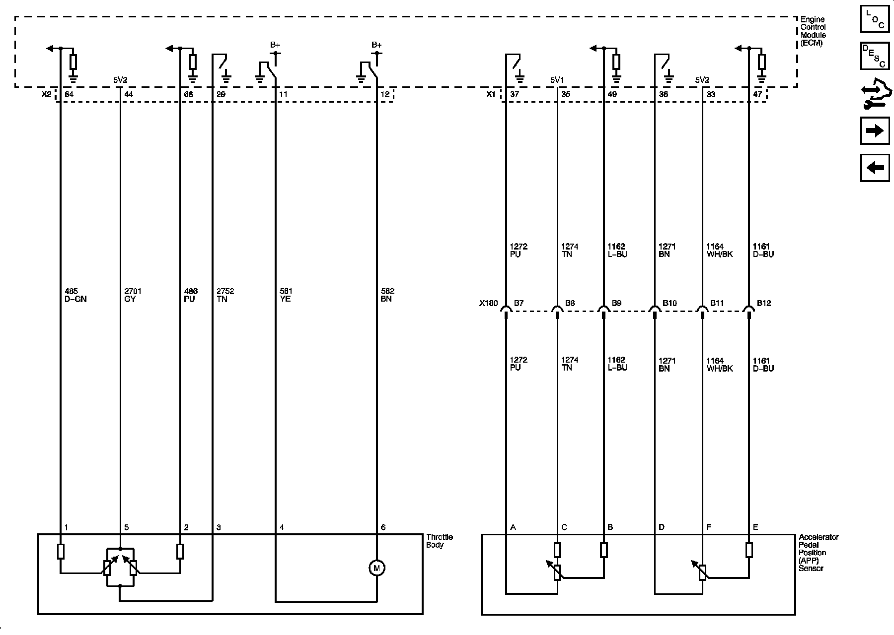
Electronic Throttle Controls






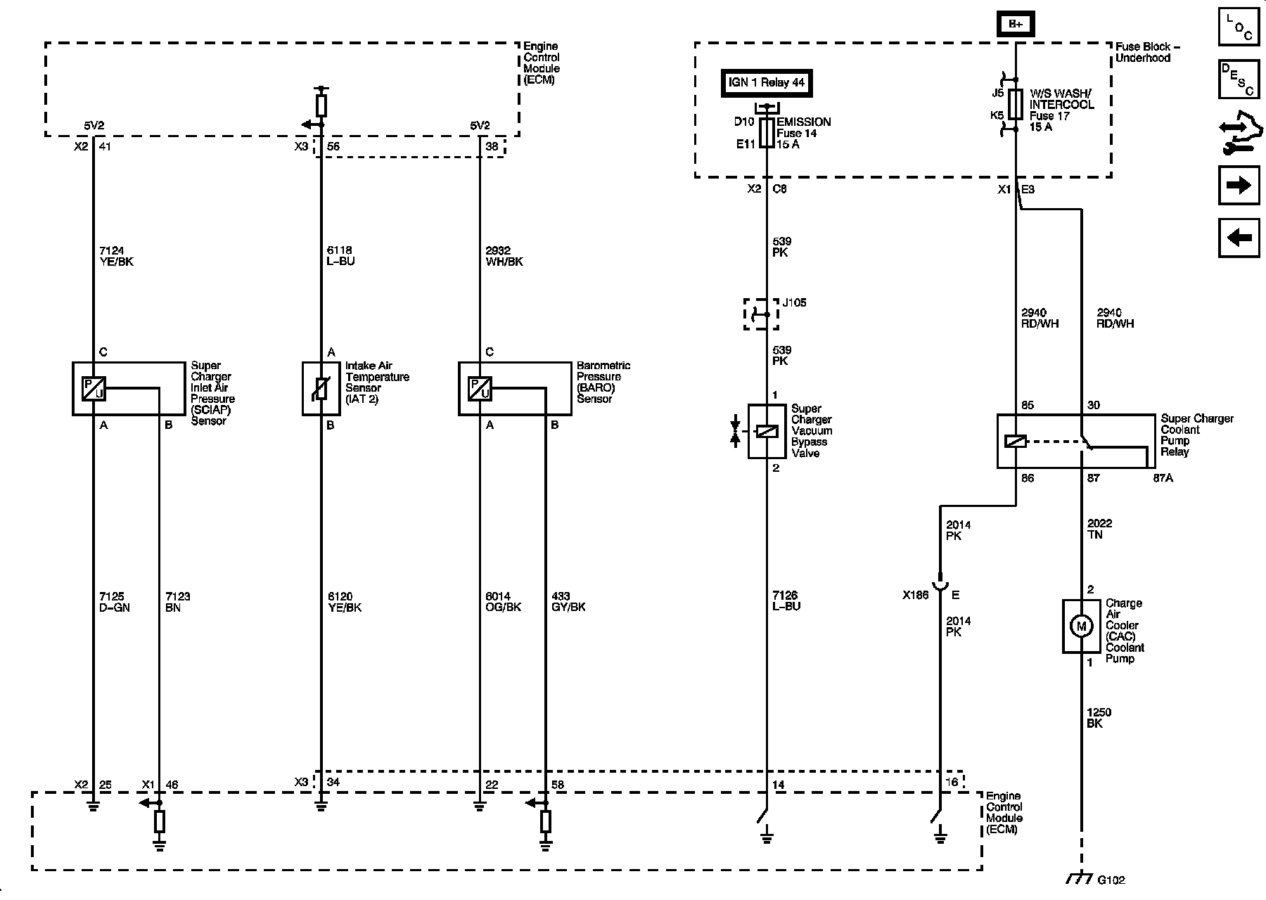
SCIAP, IAT 2, BARO Sensors, Super Charger Vacuum Bypass Valve, and Charge Air Cooler (CAC) Coolant Pump






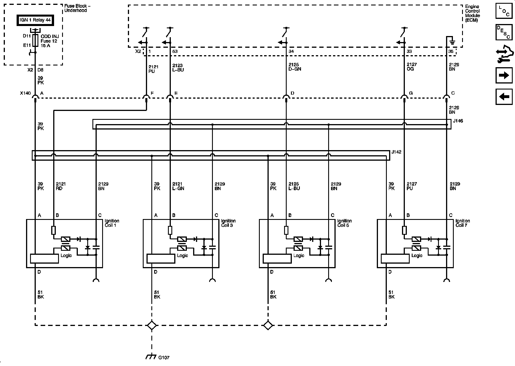
Ignition Coils Bank 1






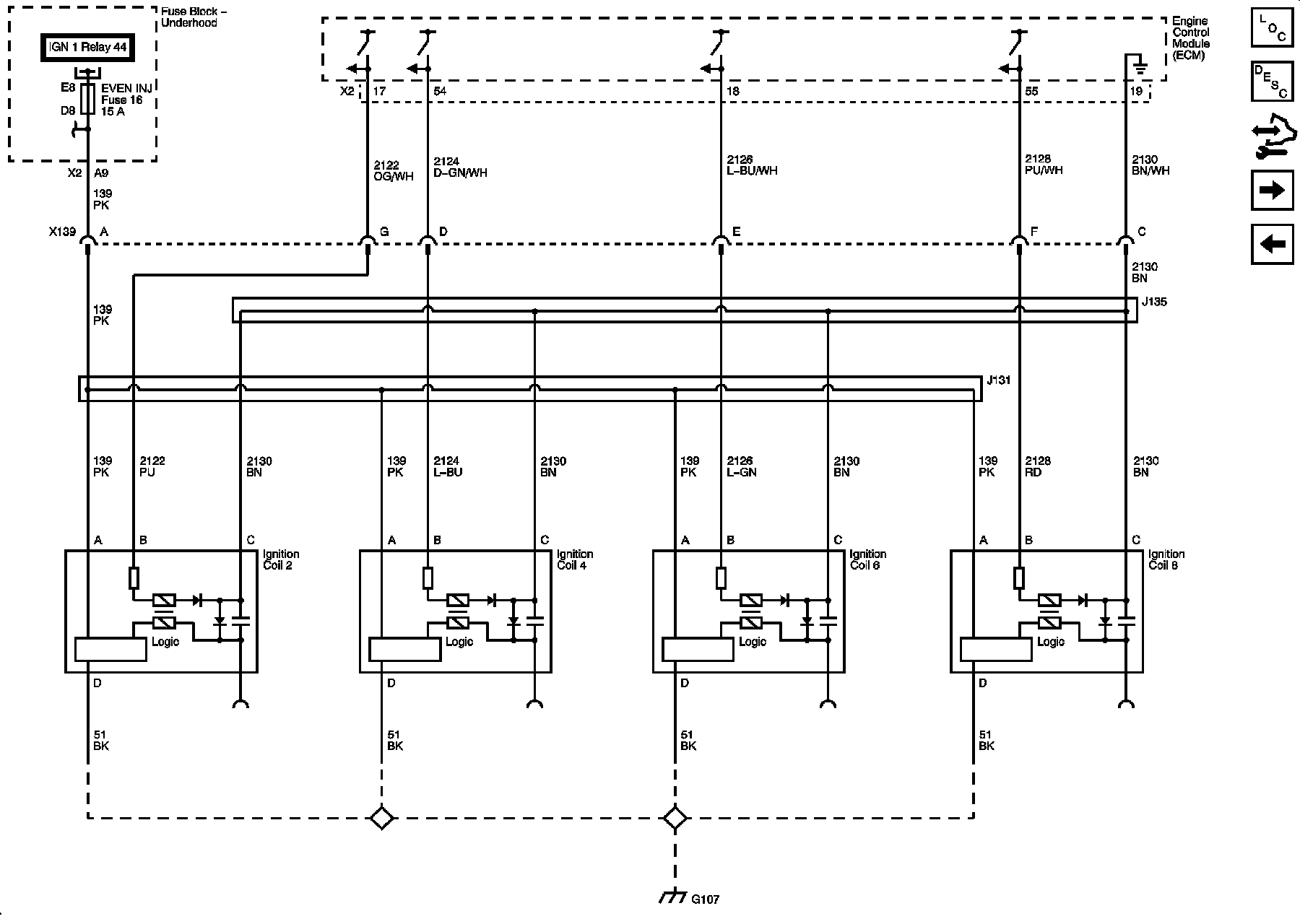
Ignition Coils Bank 2






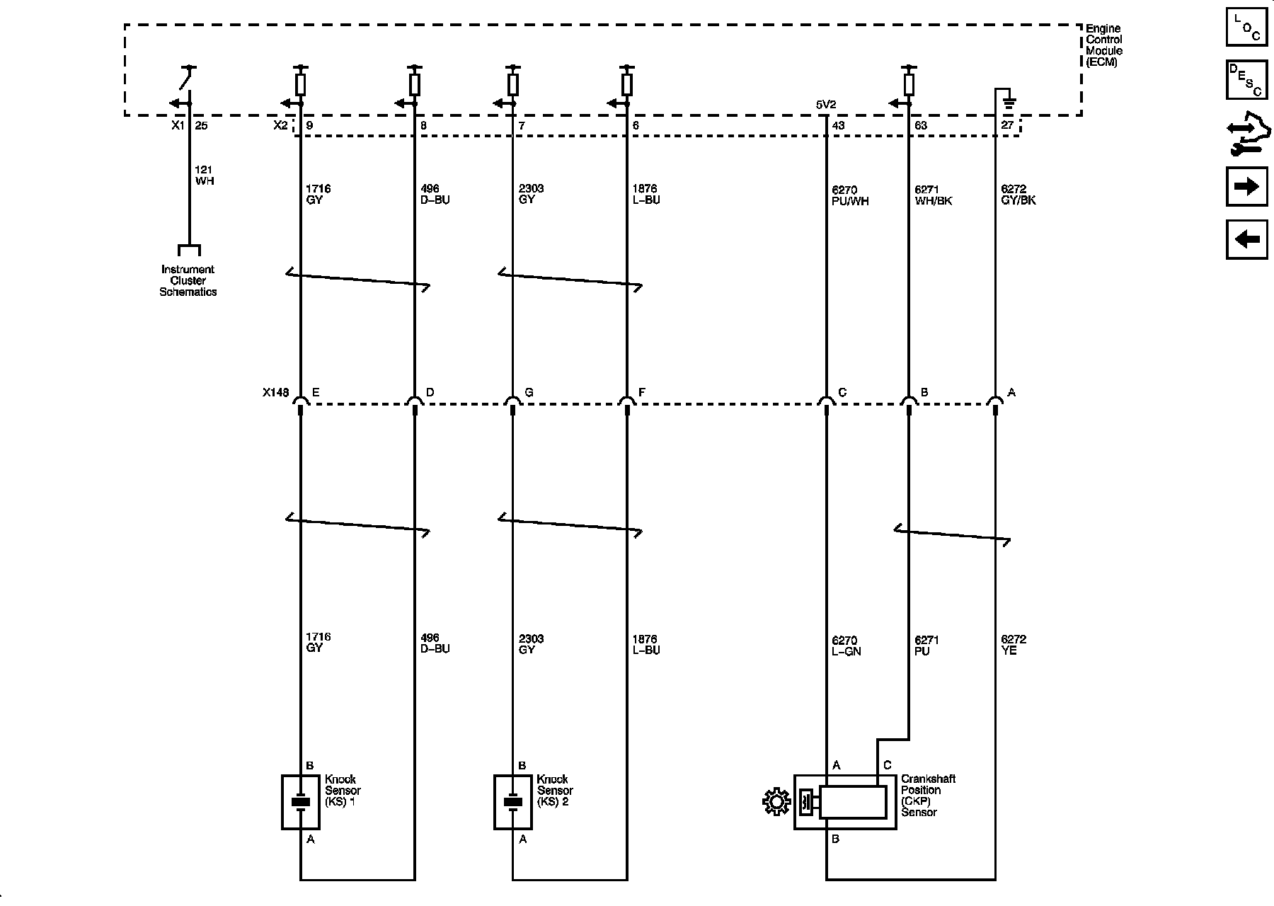
CKP and KS Sensors






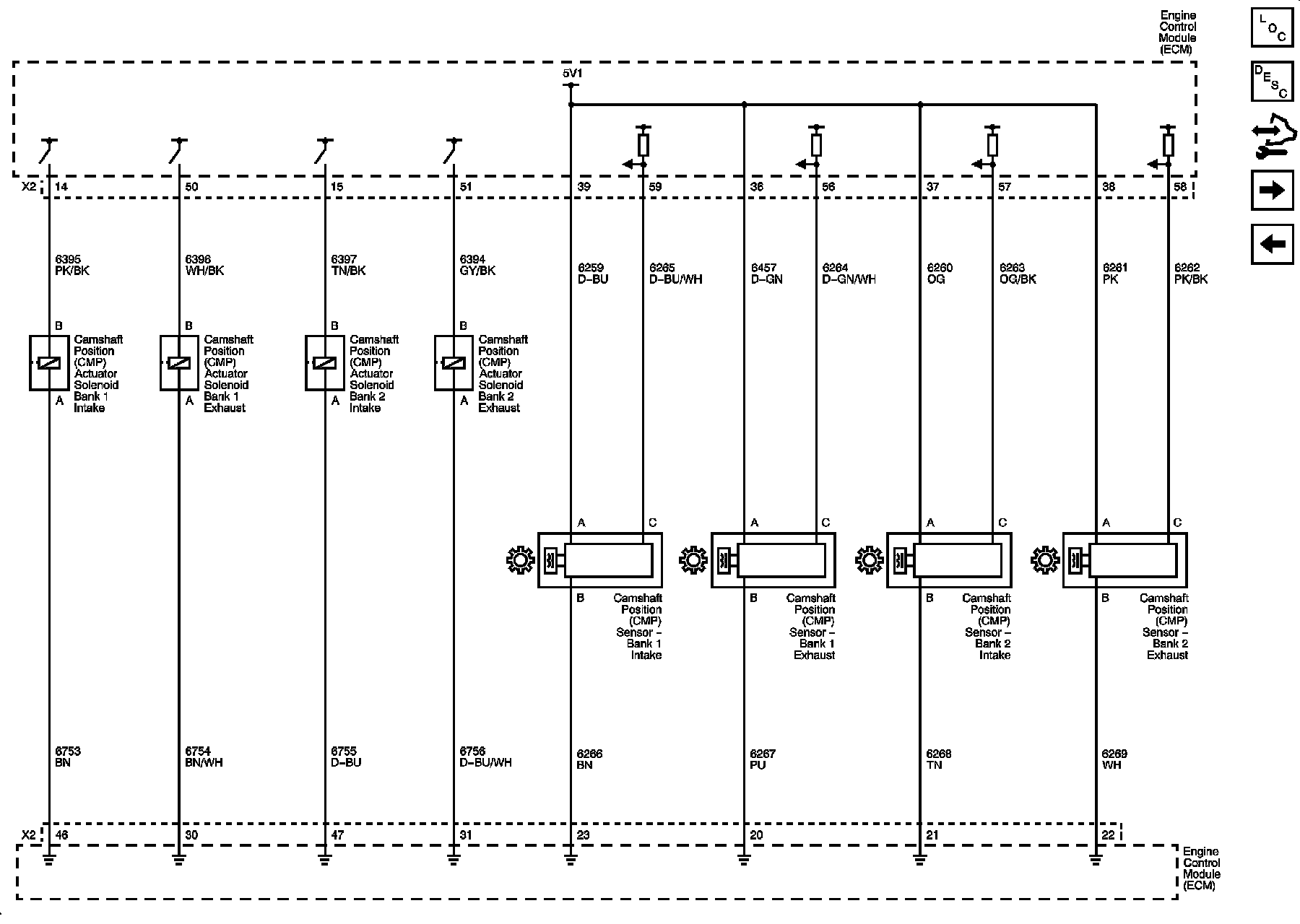
CMP Sensors and Actuators






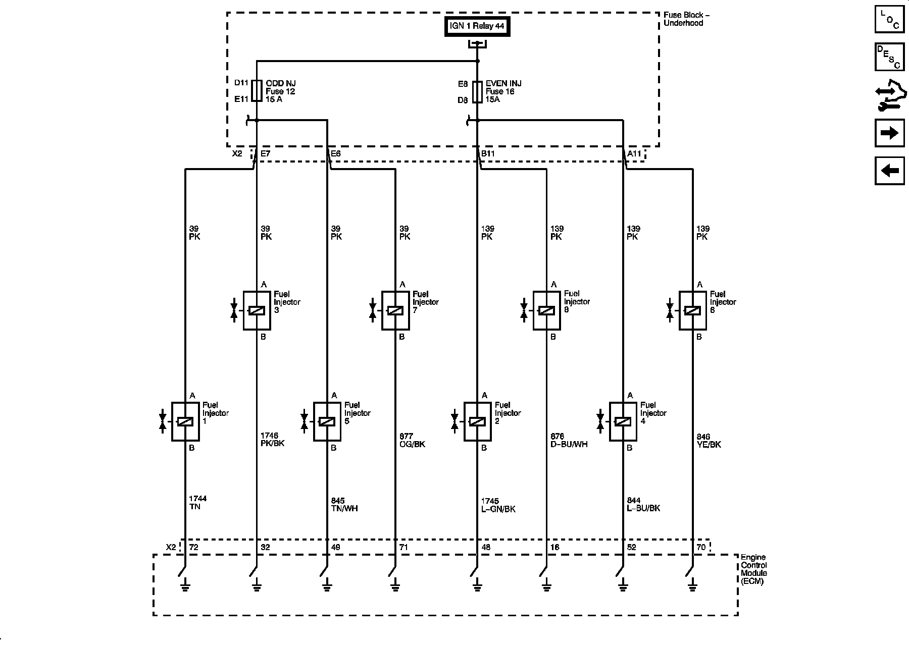
Fuel Injectors






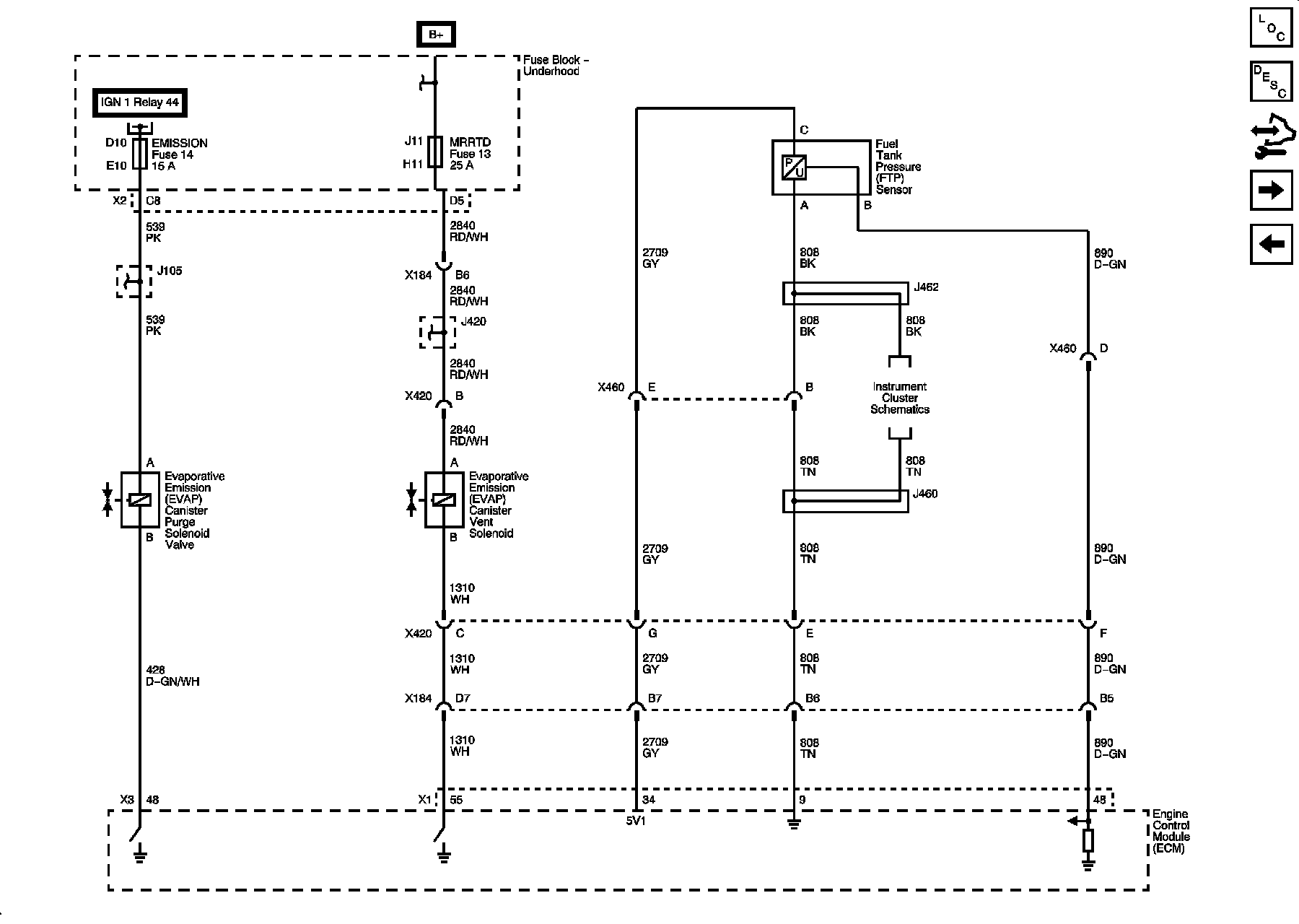
EVAP Solenoids and FTP Sensor






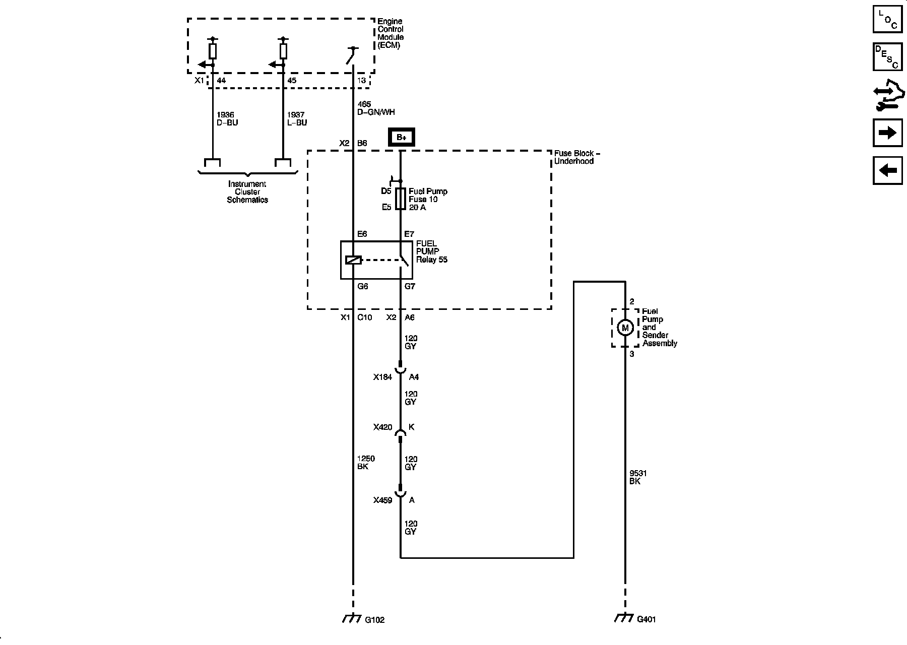
Fuel Pump Controls






Controlled/Monitored Subsystem References