Operation CHARM: Car repair manuals for everyone.
Manuals through 2025 now available!

Our trusted friends have launched a new website named LEMON, which has newer manuals. It also contains all the CHARM manuals.

LEMON is the spiritual successor to CHARM, I recommend you try it!

Link: lemon-manuals.la or lemon-manuals.org.ua

(Some people have issue connecting. LEMON is investigating. For now, use Firefox or change your DNS server)

Or, hide this message: temporarily or permanently

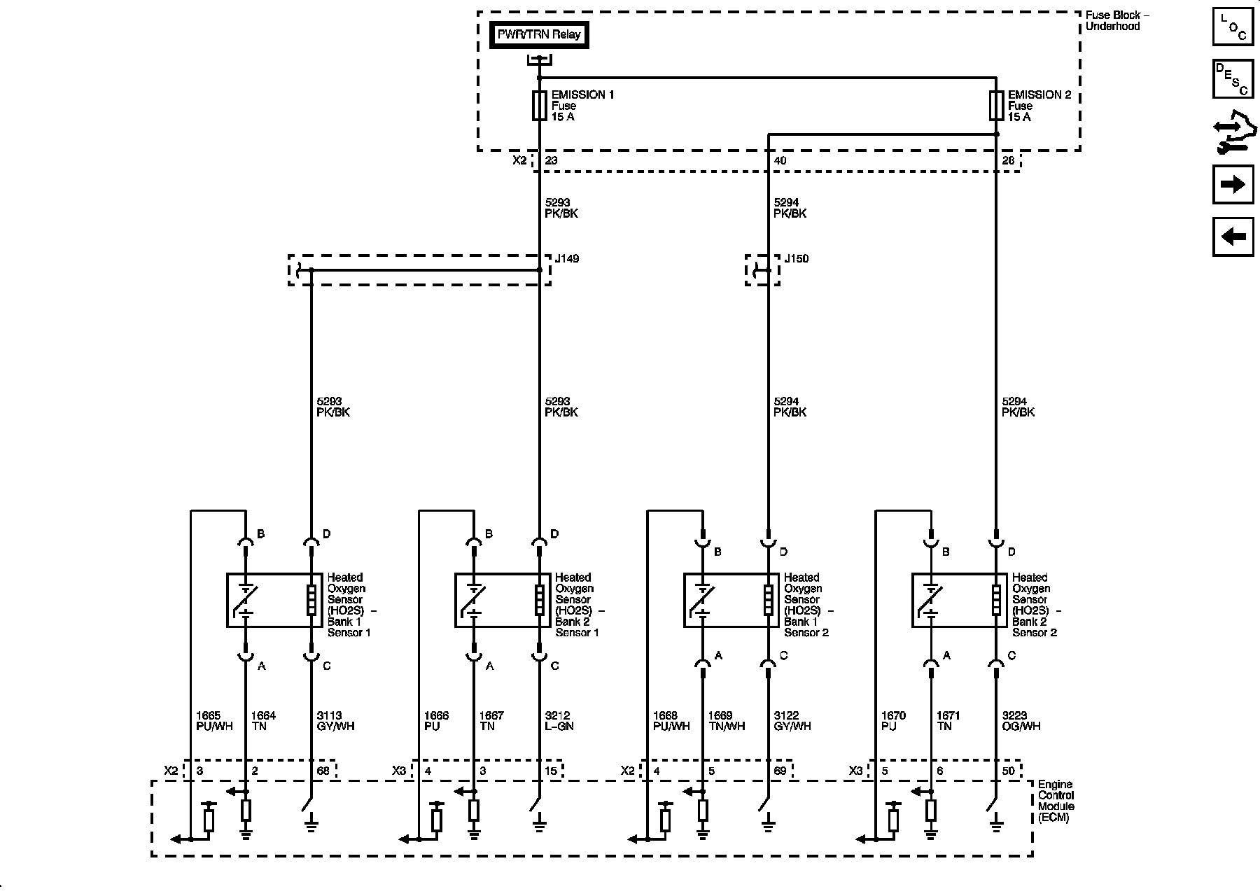
System Diagram



ENGINE CONTROLS SCHEMATICS

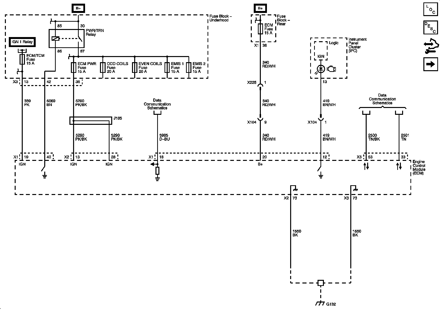
Module Power, Ground, Serial Data and MIL







Engine Data Sensors- 5-Volt Reference Bussing







Engine Data Sensors- Low Reference Bussing







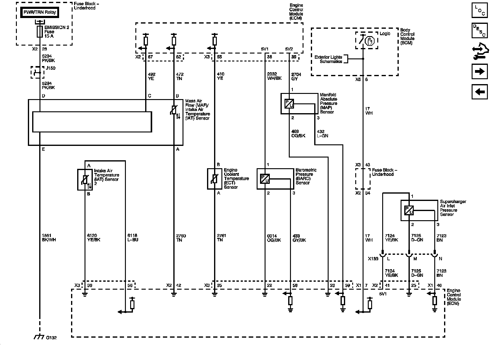
Engine Data Sensors- Pressure and Temperature







Engine Data Sensors- Heated Oxygen Sensors







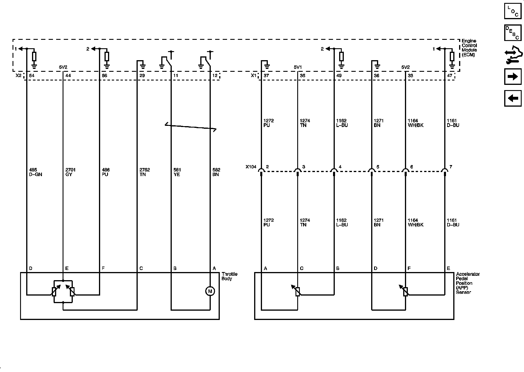
Engine Data Sensors- Electronic Throttle Controls







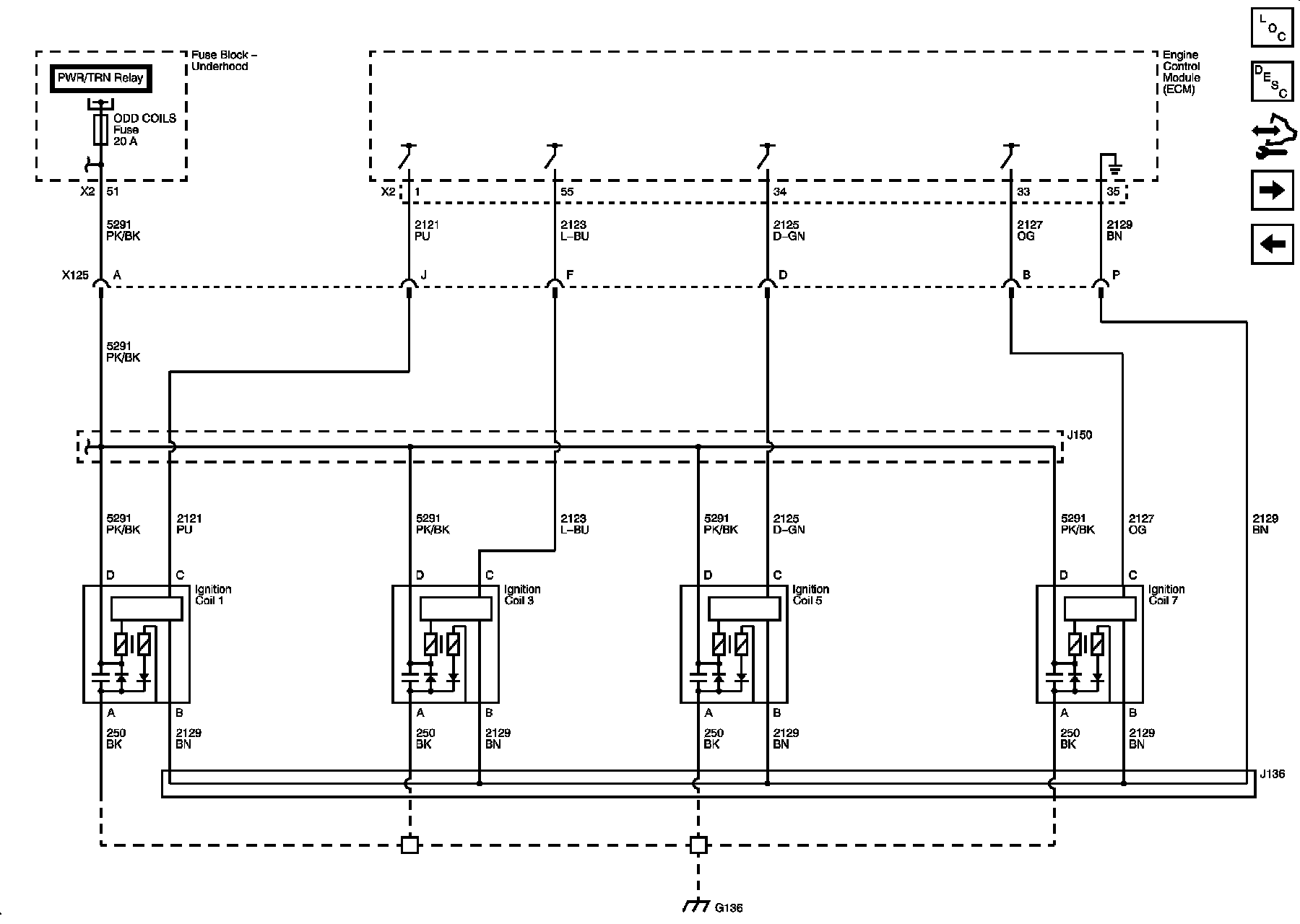
Ignition Controls- Bank 1 (Odd) Ignition Coils







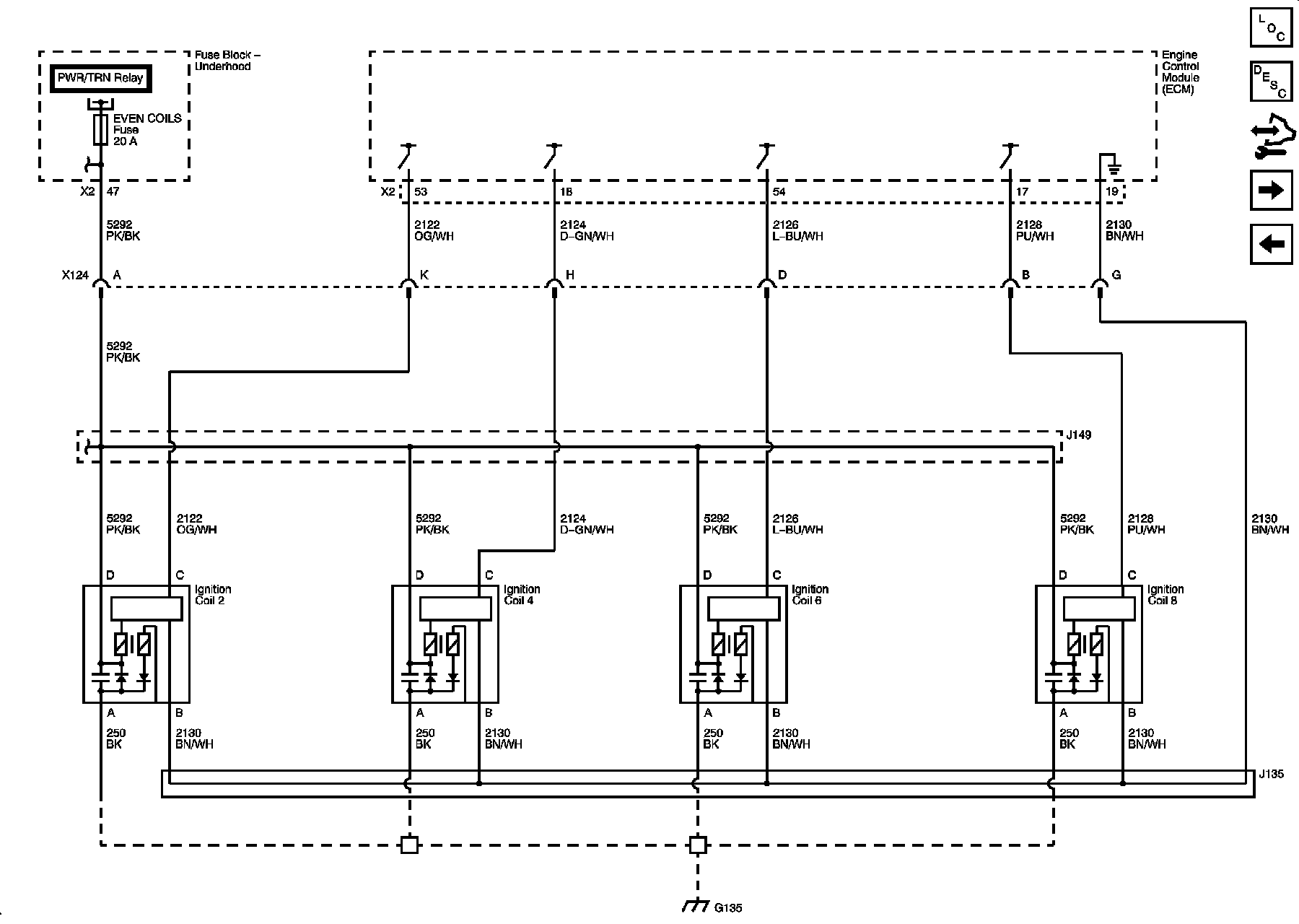
Ignition Controls- Bank 2 (Even) Ignition Coils







Ignition Controls- Sensors







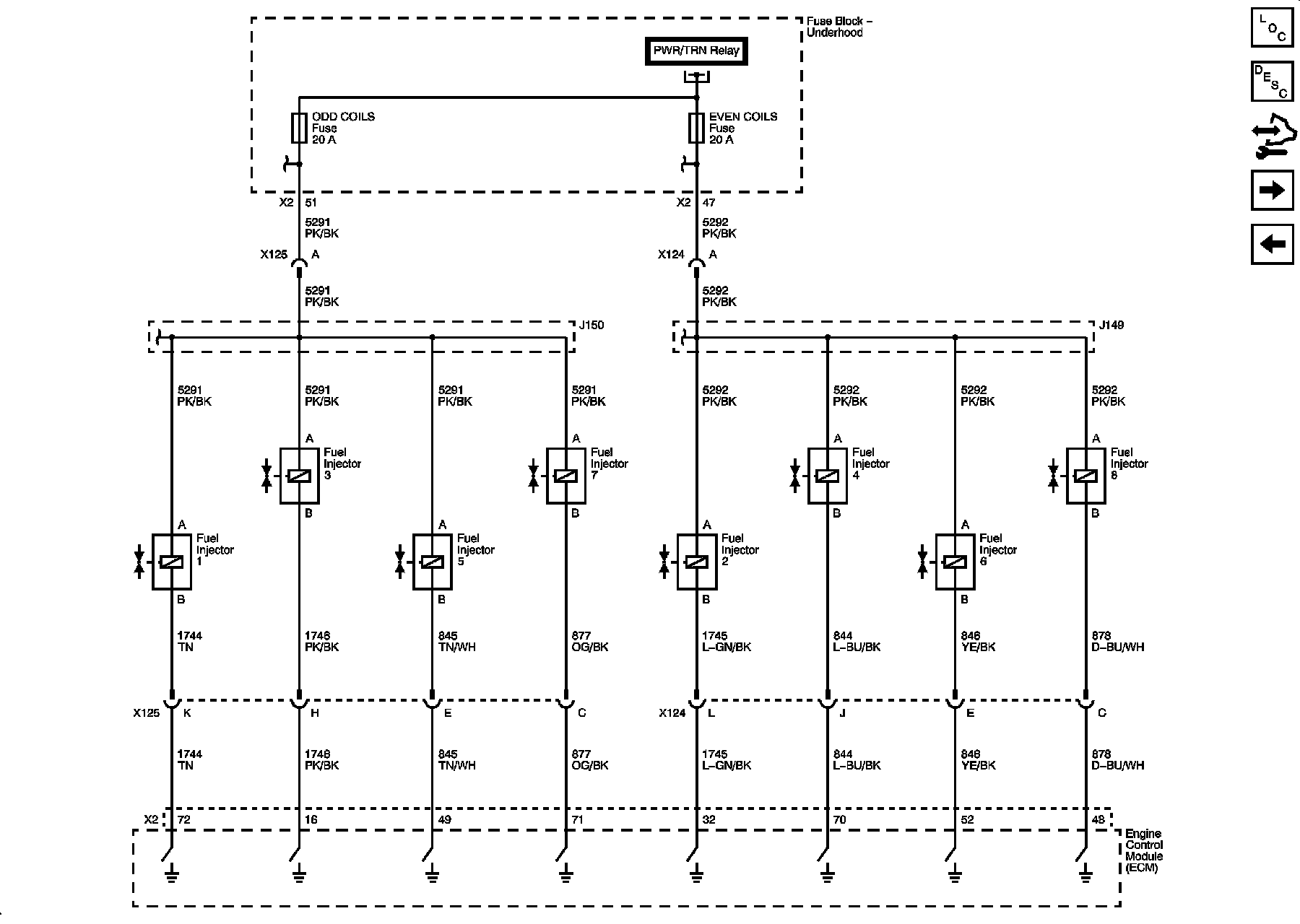
Fuel Controls- Fuel Injectors







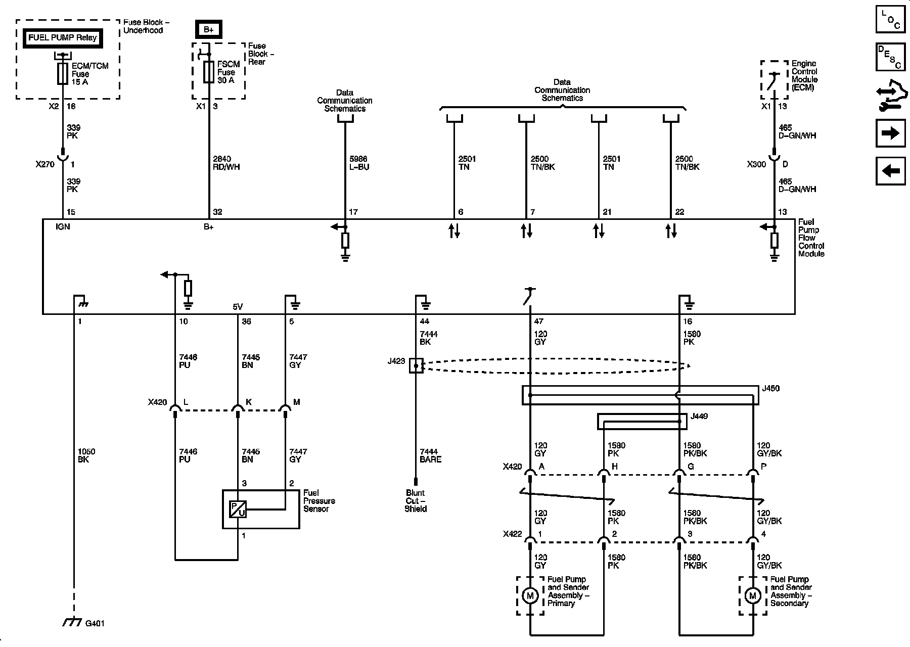
Fuel Controls- Fuel Pump Control







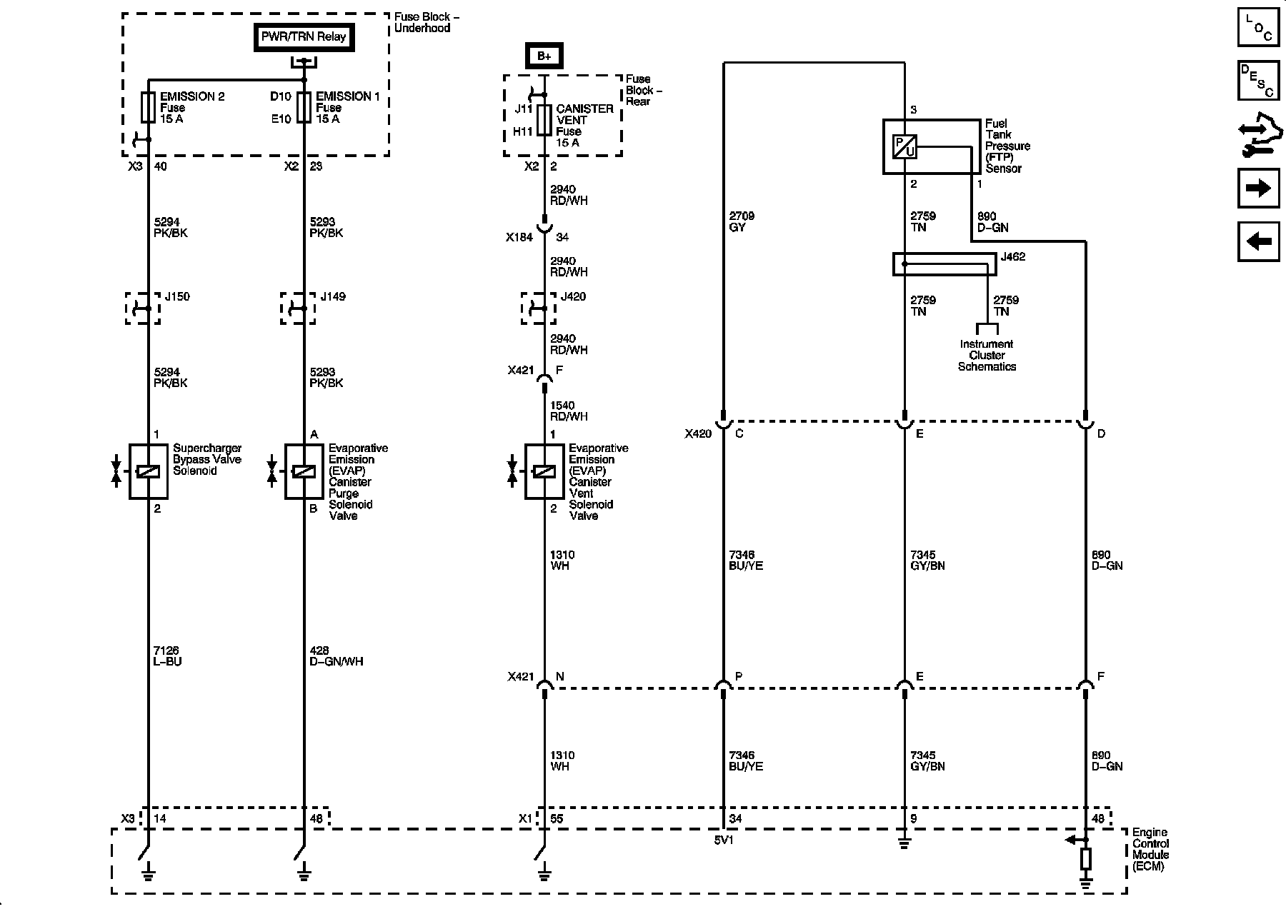
Fuel Controls- EVAP Controls







Controlled/Monitored Subsystem References







Locations: The locations for the Connectors, Grounds, Splices, and Grommets shown within these diagrams can be found via their numbers at Vehicle Locations. Locations