Operation CHARM: Car repair manuals for everyone.
Manuals through 2025 now available!

Our trusted friends have launched a new website named LEMON, which has newer manuals. It also contains all the CHARM manuals.

LEMON is the spiritual successor to CHARM, I recommend you try it!

Link: lemon-manuals.la or lemon-manuals.org.ua

(Some people have issue connecting. LEMON is investigating. For now, use Firefox or change your DNS server)

Or, hide this message: temporarily or permanently

70. Engine Block Plug Installation




Engine Block Plug Installation





Note: Engine block plug, oil gallery, and coolant sealing washers may be used again if not bent, scored or otherwise damaged.

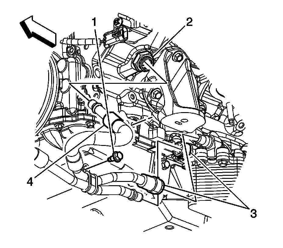
1. Apply a 3.175 mm (0.125 in) bead of sealant GM P/N 12346004 (Canadian P/N 10953480) to the threads of the engine oil cooler coolant fitting (2). Refer to Adhesives, Fluids, Lubricants, and Sealers (Specifications).

Caution: Refer to Fastener Caution (Fastener Caution).

2. Install the engine oil cooler coolant fitting (2) and tighten to 50 Nm (37 lb ft).




3. Apply a 3.175 mm (0.125 in) bead of sealant GM P/N 12346004 (Canadian P/N 10953480) to the engine block right rear coolant drain hole plug sealing washer.
4. Install the engine block right rear coolant drain hole plug and tighten to 60 Nm (44 lb ft).




5. Apply a 3.175 mm (0.125 in) bead of sealant GM P/N 12346004 (Canadian P/N 10953480) to the engine block left front oil gallery plug sealing washer (117).
6. Install the engine block left front oil gallery plug (116) and tighten to 60 Nm (44 lb ft).




7. Apply a 3.175 mm (0.125 in) bead of sealant GM P/N 12346004 (Canadian P/N 10953480) to the engine block left rear oil gallery plug sealing washer (113).
8. Install the engine block left rear oil gallery plug (112) and tighten to 60 Nm (44 lb ft).




9. Inspect the engine block rear oil gallery plug and O-ring seal. If the O-ring seal on the plug is not cut or damaged, the rear oil gallery plug may be used again.
10. Lubricate the O-ring seal with clean engine oil.
11. Install the O-ring seal onto the plug.
12. Install the engine block rear oil gallery plug into the oil gallery bore. A properly installed block plug will protrude 0.8-1.4 mm (0.0315-0.055 in) beyond the rear face of the block.




13. Apply threadlock GM P/N 12345382 (Canadian P/N 10953489) to the sides of the NEW front oil gallery plug (101).




14. Install a NEW engine block front oil gallery plug. Install the plug into the oil gallery bore 2.2-2.8 mm (0.0086-0.011 in) below flush.




15. Install the left side knock sensor (1) and bolt (2) and tighten to 25 Nm (18 lb ft).




16. Install the right side knock sensor (718) and bolt (739) and tighten to 25 Nm (18 lb ft).




17. Install the piston oil nozzles (1) to the block - 6.2L LS9/LSA.
18. Tighten the bolts to 20 Nm (15 lb ft).