Operation CHARM: Car repair manuals for everyone.
Manuals through 2025 now available!

Our trusted friends have launched a new website named LEMON, which has newer manuals. It also contains all the CHARM manuals.

LEMON is the spiritual successor to CHARM, I recommend you try it!

Link: lemon-manuals.la or lemon-manuals.org.ua

(Some people have issue connecting. LEMON is investigating. For now, use Firefox or change your DNS server)

Or, hide this message: temporarily or permanently

Door Lock/Indicator Schematics




Door Lock/Indicator Schematics

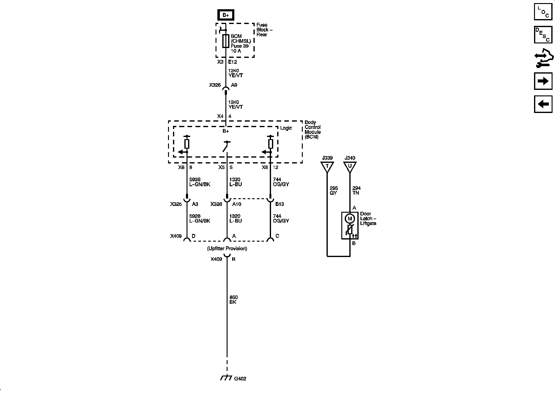
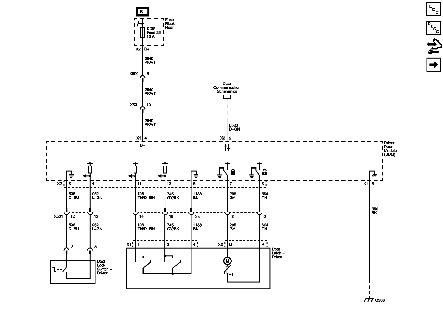
Driver Door Module, Power and Ground





Front Passenger Door Module, Power and Ground





Door Lock, Unlock Relays





Rear Door Latch Assemblies





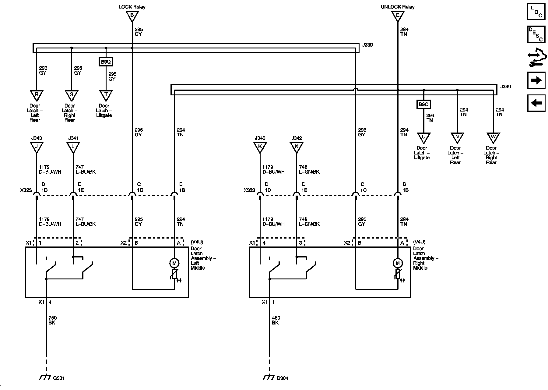
Middle Door Latch Assemblies (V4U)





Rear Door Latch Assemblies (B9Q)





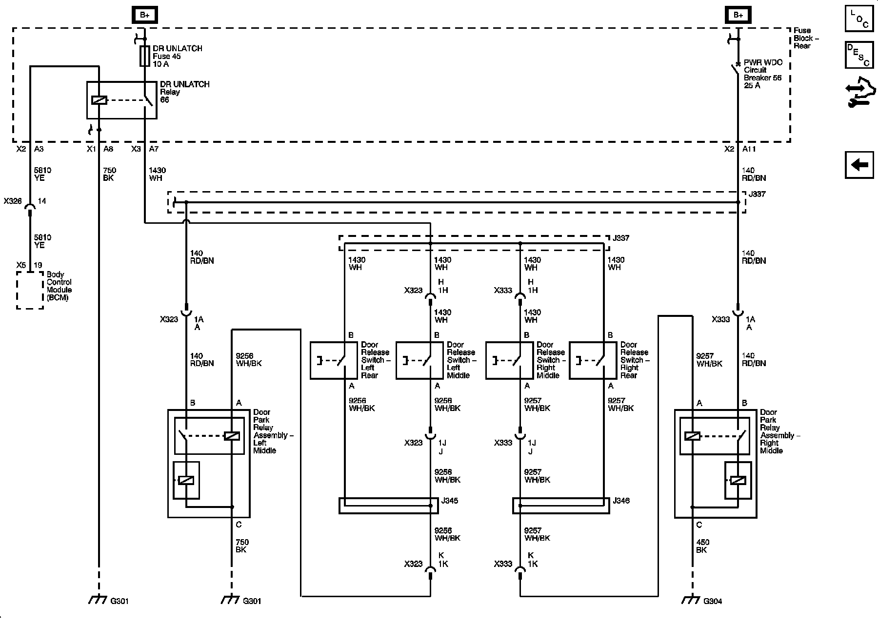
Door Release Switch (V4U)