Operation CHARM: Car repair manuals for everyone.
Manuals through 2025 now available!

Our trusted friends have launched a new website named LEMON, which has newer manuals. It also contains all the CHARM manuals.

LEMON is the spiritual successor to CHARM, I recommend you try it!

Link: lemon-manuals.la or lemon-manuals.org.ua

(Some people have issue connecting. LEMON is investigating. For now, use Firefox or change your DNS server)

Or, hide this message: temporarily or permanently

Part 3








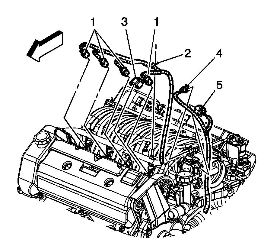
59. Connect the following engine harness electrical connectors to the top of the engine:

* The starter inline (1)
* The AIR check valve (4)




60. Connect the following engine harness electrical connectors to the front of the engine:

* The fuel injectors (1)
* The ICM (3)
* The MAP sensor (4)
* the throttle actuator (5)

61. Install the engine harness clip (2) to the fuel rail stud.




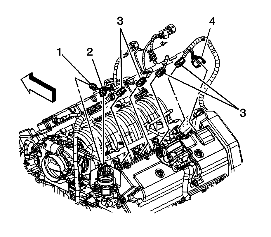
62. Connect the following engine harness electrical connectors to the rear of the engine:

* The EVAP solenoid (1)
* The EGR valve (2)
* The fuel injectors (3)
* The ICM (4)




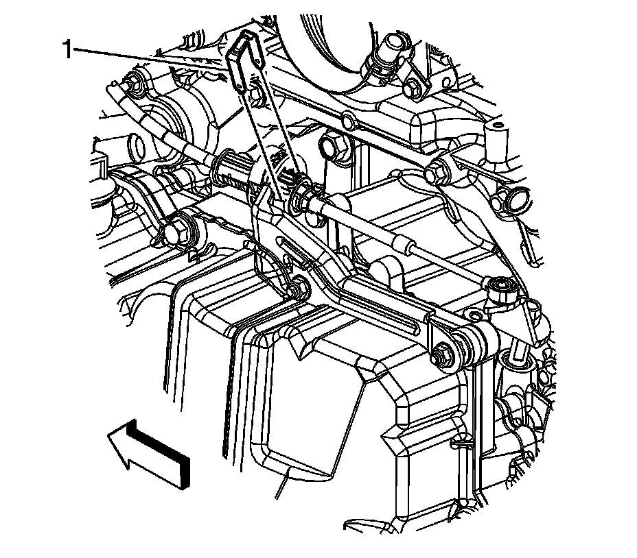
63. Position the ICM ground strap (2) to the cylinder head.
64. Install the ICM ground strap bolt (3) to the right cylinder head.

Tighten the bolt to 25 Nm (18 lb ft).




65. Install the AIR pipe over the studs.
66. Connect the AIR outlet pipe quick connect fitting to the check valve. Refer to Plastic Collar Quick Connect Fitting Service (Plastic Collar Quick Connect Fitting Service).
67. Install the AIR pipe outlet pipe nut (2) to the check valve bracket stud.

Tighten the nut to 9 Nm (80 lb in).

68. Install the AIR pipe outlet pipe nut (3) to the transaxle stud.

Tighten the nut to 9 Nm (80 lb in).




69. Connect the AIR outlet hose to the AIR outlet pipe.
70. Position the AIR outlet hose clamp at the AIR outlet pipe.




71. Install the AIR inlet hose.
72. Connect the AIR inlet hose quick connect fitting to the AIR pump. Refer to Plastic Collar Quick Connect Fitting Service (Plastic Collar Quick Connect Fitting Service).
73. Install the AIR inlet hose retainer to the transaxle stud.




74. Install the heater outlet pipe to the engine and stud.
75. Install the heater outlet pipe nut (2) to the transaxle stud.

Tighten the nut to 25 Nm (18 lb ft).

76. Position the heater outlet pipe clamp (1) at the water pump housing.




77. Position the engine/transaxle assembly under the vehicle.

Note: Ensure clearance is maintained between the engine/transaxle assembly and the following:

* The A/C compressor components
* The brake pipes
* The heater hoses
* The radiator hoses
* The wheel speed sensor leads
* The wiring harnesses

78. Carefully lower the vehicle over the engine/transaxle assembly, aligning the struts to the strut towers.
79. Install the 6 bolts (1) attaching the frame to the body. (Left side shown, right side similar).

Tighten the bolts to 191 Nm (141 lb ft).

80. Install the front fascia. Refer to Front Bumper Fascia Replacement (Front Bumper Fascia Replacement).




81. Raise the vehicle off of the J 39580 or the jack stands.
82. Remove the J 39580 or jack stands from under the frame.




83. Align the flywheel with the marks made during the removal.
84. Install the flywheel to torque converter bolts. (Engine removed for clarity).

Tighten the bolts to 60 Nm (44 lb ft).




85. Position the torque converter cover.
86. Install the torque converter cover bolt.

Tighten the bolt to 12 Nm (106 lb in).




87. Install the transaxle brace.
88. Install the transaxle brace bolts.

Tighten the bolts to 47 Nm (35 lb ft).




89. Connect the engine harness electrical connector to the HO2S.
90. Install the oxygen sensor wiring harness heat shield. Refer to Oxygen Sensor Wiring Harness Heat Shield Replacement (Service and Repair).





Warning

When installing the intermediate shaft make sure that the shaft is seated prior to pinch bolt installation. If the pinch bolt is inserted into the coupling before shaft installation, the two mating shafts may disengage. Disengagement of the two mating shafts will cause loss of steering control which could result in personal injury.

91. Install the intermediate shaft to the steering gear.
92. Install the intermediate shaft pinch bolt.

Tighten the bolt to 45 Nm (33 lb ft).

93. Install the intermediate steering shaft cover.




94. Remove the plug from the A/C condenser suction port.
95. Unsecure the A/C compressor suction hose from the engine.
96. Remove and discard the old sealing washer from the condenser end of the suction hose.
97. Install a NEW sealing washer to the condenser end of the suction hose.
98. Install the A/C compressor suction hose to the condenser.
99. Install the A/C compressor suction hose nut.

Tighten the nut to 16 Nm (12 lb ft).




100. Remove the plug from the A/C condenser discharge port.
101. Unsecure the A/C compressor discharge hose from the engine.
102. Remove and discard the old sealing washer from the condenser end of the discharge hose.
103. Install a NEW sealing washer to the condenser end of the discharge hose.
104. Install the A/C compressor discharge hose to the condenser.
105. Install the A/C compressor discharge hose nut.

Tighten the nut to 16 Nm (12 lb ft).




106. Remove the plugs from the open brake lines.
107. Connect the rear brake pipes to the front brake pipes.

Tighten the fittings to 20 Nm (15 lb ft).




108. Install the front brake pipe bracket (4) to the body frame rail.
109. Tighten the nut (1) securing the right front brake pipe bracket (4) to the body frame rail.

Tighten the nut to 9 Nm (80 lb in).




110. Install the front brake pipe bracket (4) to the body frame rail.
111. Tighten the nut (2) securing the left front brake pipe bracket (4) to the body frame rail.

Tighten the nut to 9 Nm (80 lb in).




112. Install the front air deflector. Refer to Front Air Deflector Replacement (Front Air Deflector Replacement).
113. Connect the electronic suspension front position sensor link to the lower control arms ball stud, if equipped.




114. Install the engine harness clip (3) to the ride lever sensor bracket.
115. Install the engine harness grommet (2) to the frame rail bracket.
116. Install the front wheels. Refer to Tire and Wheel Removal and Installation (Service and Repair).
117. Install the rear exhaust manifold pipe. Refer to Exhaust Manifold Rear Pipe Replacement (Exhaust Manifold Rear Pipe Replacement).
118. Lower the vehicle.




119. Install the left and right side strut tower bolts (1). (Left side shown, right side similar).

Tighten the bolts to 40 Nm (30 lb ft).




120. Remove the J 42640 from the steering column.




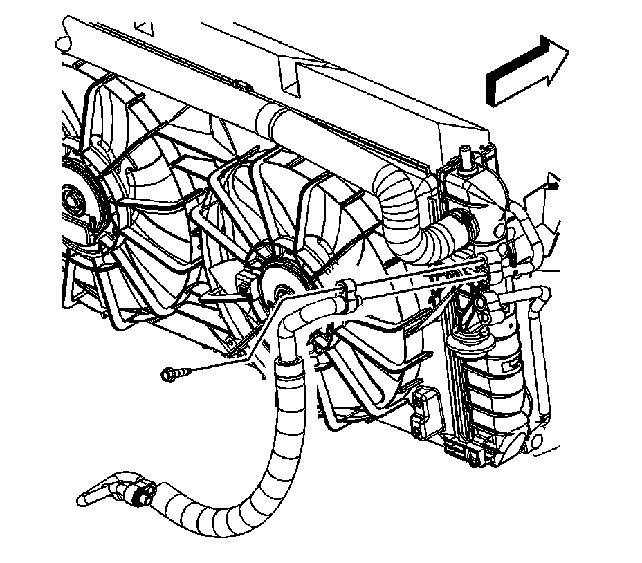
121. Connect the transaxle oil cooler pipes to the radiator.
122. Slide the plastic caps onto the transaxle oil cooler pipe quick connect fittings.
123. Tighten the upper transaxle oil cooler pipe bolt (1) to the fan shroud.

Tighten the bolt to 6 Nm (53 lb in).




124. Unsecure the master cylinder from the engine and position the master cylinder the brake booster.
125. Install the master cylinder nuts.

Tighten the nuts to 30 Nm (22 lb ft).




126. Install the heater inlet (2) and outlet (3) hoses to the heater pipes.
127. Position the heater inlet (1) and outlet (2) hose clamps at the heater pipes.




128. Install the surge tank inlet hose to the surge tank.
129. Position the radiator surge tank inlet hose clamp at the surge tank.




130. Install the radiator outlet hose (2) to the thermostat housing.
131. Using the J 38185 position the radiator outlet hose clamp (1).




132. Install the radiator inlet hose (2) to the water pump housing.
133. Using the J 37097-A position the radiator inlet hose clamp (1).




134. Install the transaxle shift cable to the bracket.
135. Connect the transaxle shift cable end (2) to the range selector lever (1).




136. Install the transaxle shift cable retainer (1).




137. Install the transaxle shift cable clip to the shift cable bracket.




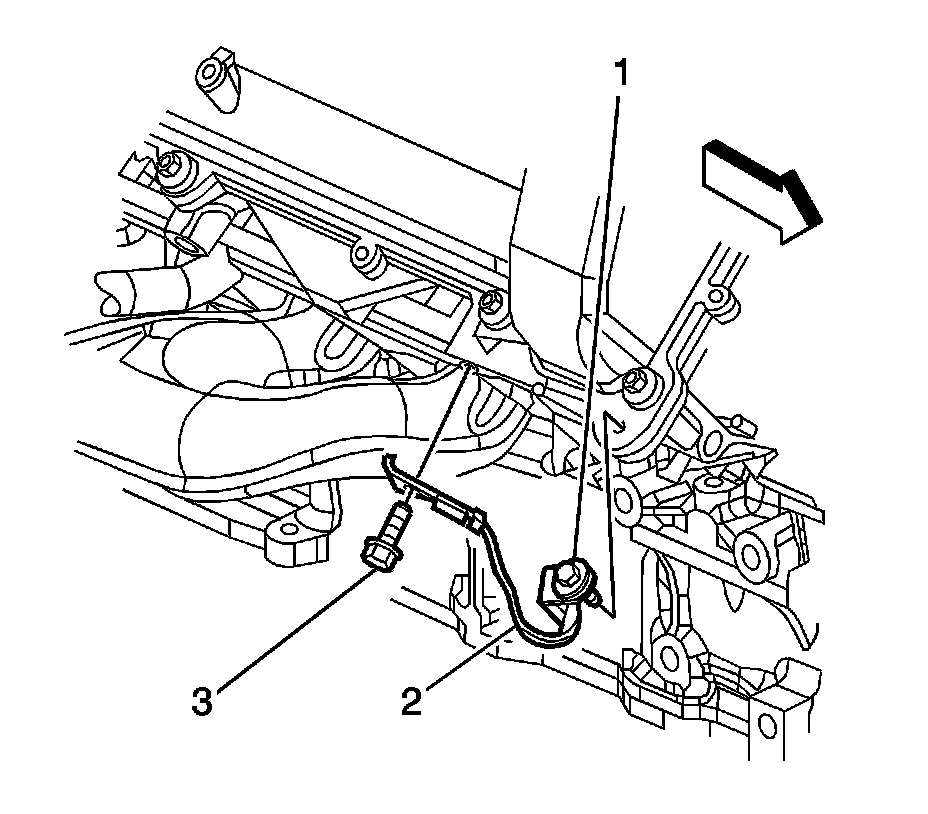
138. Position the ground strap to the frame rail.
139. Install the engine ground strap bolt (1) to the right side frame rail.

Tighten the bolt to 25 Nm (18 lb ft).




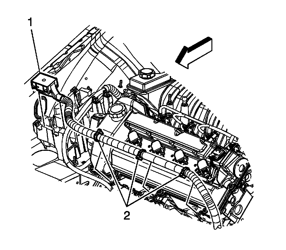
140. Install the engine harness (1) to the BEC.




141. Install the junction block.
142. Install the junction block bolts.

Tighten the bolts to 6.5 Nm (58 lb in).




143. Connect the engine harness electrical connectors to the ECM.
144. Engage the lever locks.




145. Connect the engine harness electrical connector to the body harness electrical connector.
146. Engage the lever lock.




147. Connect the engine harness electrical connector to the TCM.
148. Engage the lever lock.




149. Install the starter cable to the BEC terminal.
150. Install the starter cable clip (4) to the BEC.
151. Install the nut (1) securing the starter cable to the BEC.

Tighten the nut to 15 Nm (11 lb ft).




152. Install the junction block cover.
153. Install the air cleaner. Refer to Air Cleaner Assembly Replacement (Service and Repair).
154. Install the front compartment sight shield. Refer to Front Compartment Sight Shields Replacement (Front Compartment Sight Shields Replacement).




155. Connect the fuel feed and EVAP line quick-connect fittings (1, 2). Refer to Metal Collar Quick Connect Fitting Service (Metal Collar Quick Connect Fitting Service) and Plastic Collar Quick Connect Fitting Service (Plastic Collar Quick Connect Fitting Service).




156. Connect the brake booster vacuum hose to the vacuum connection.
157. Position the brake booster vacuum hose clamp at the engine port.
158. Connect the negative battery cable. Refer to Battery Negative Cable Disconnection and Connection (Service and Repair).
159. Fill the engine with oil. Refer to Engine Oil and Oil Filter Replacement (Service and Repair).
160. Fill the cooling system. Refer to Cooling System Draining and Filling (Vac-N-Fill) (Service and Repair)Cooling System Draining and Filling (Static Fill) (Service and Repair).
161. Bleed the brake system. Refer to Hydraulic Brake System Bleeding (Pressure) (Service and Repair)Hydraulic Brake System Bleeding (Manual) (Service and Repair).
162. Recharge the A/C refrigerant system. Refer to Refrigerant Recovery and Recharging (Refrigerant Recovery and Recharging).
163. Bleed the power steering system. Refer to Power Steering System Bleeding (Service and Repair).
164. Check the wheel alignment. Refer to Wheel Alignment Measurement (Service and Repair).
165. Pre-lube the engine. Refer to Engine Prelubing (Overhaul).
166. Install the fuel injector sight shield. Refer to Fuel Injector Sight Shield Replacement (Service and Repair).
167. With the ignition OFF or disconnected, crank the engine several times. Listen for any unusual noises or evidence that any parts are binding.
168. Start the engine and listen for abnormal conditions.
169. Check the vehicle oil pressure gauge or light and confirm that the engine has acceptable oil pressure.
170. Run the engine at approximately 1000 RPM until the engine reaches normal operating temperature.
171. While the engine continues to idle raise and support the vehicle.
172. Inspect for oil, coolant and exhaust leaks while the engine is idling.
173. Lower the vehicle.
174. Perform the crankshaft position (CKP) system variation learn procedure. Refer to Crankshaft Position System Variation Learn (Service and Repair).
175. Perform a final inspection for the proper engine oil and coolant levels.
176. Road test the vehicle.