Operation CHARM: Car repair manuals for everyone.
Manuals through 2025 now available!

Our trusted friends have launched a new website named LEMON, which has newer manuals. It also contains all the CHARM manuals.

LEMON is the spiritual successor to CHARM, I recommend you try it!

Link: lemon-manuals.la or lemon-manuals.org.ua

(Some people have issue connecting. LEMON is investigating. For now, use Firefox or change your DNS server)

Or, hide this message: temporarily or permanently

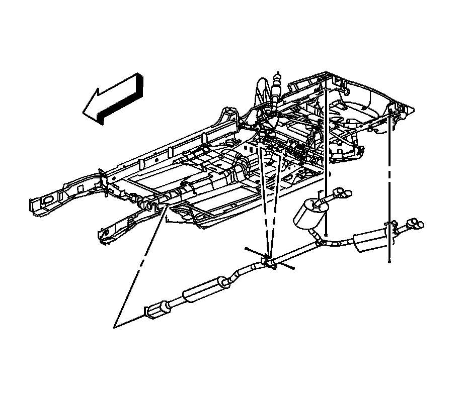
Exhaust System: Service and Repair




Exhaust System Replacement

Removal Procedure
Warning: Hot Exhaust System Warning Hot Exhaust System Warning .
Warning: Refer to Protective Goggles and Glove Warning. Protective Goggles and Glove Warning

Note: Servicing of the mufflers, resonator or pipe requires the replacement of the exhaust system as a complete assembly.




1. Remove the oxygen sensor wiring harness heat shield. Refer to Oxygen Sensor Wiring Harness Heat Shield Replacement (Service and Repair).
2. Remove the connector position assurance (CPA) retainer.
3. Disconnect the heated oxygen sensor (HO2S) electrical connector.




4. Remove the HO2S.




5. Remove the catalytic converter to the rear exhaust manifold pipe nuts.
6. Suitably support the exhaust system.




7. Remove the exhaust hanger to the rear suspension support bracket bolts.




8. Remove the rear exhaust hanger to hanger bracket nuts.




9. Remove the rear exhaust hanger bracket to the rear compartment side rail bolts.
10. With the aid of an assistant, lower the exhaust system.
11. Remove and discard the catalytic converter gasket.

Installation Procedure

Caution: Refer to Exhaust System Inspection Caution. Service Precautions




1. With the aid of an assistant, raise the exhaust system.
2. Install the rear exhaust hanger to hanger bracket studs.

Caution: Refer to Fastener Caution (Fastener Caution).

3. Install the rear exhaust hanger to hanger bracket nuts.

Tighten the nuts to 30 Nm (22 lb ft).




4. Install a NEW catalytic converter gasket onto the studs.
5. Install the catalytic converter to the rear exhaust manifold pipe.
6. Install and snug the catalytic converter to the rear exhaust manifold pipe nuts.




7. Install the rear exhaust hanger bracket to the rear compartment side rail bolts.

Tighten the bolts to 50 Nm (37 lb ft).




8. Install the exhaust hanger to the rear suspension support bracket bolts.

Tighten the bolts to 30 Nm (22 lb ft).

9. Tighten the catalytic converter to the rear exhaust manifold pipe nuts previously installed.

Tighten the nuts to 25 Nm (18 lb ft).




10. If reusing the old HO2S, coat the threads with anti-seize compound, GM P/N 12377953 or equivalent.
11. Install the HO2S.

Tighten the sensor to 41 Nm (30 lb ft).




12. Connect the HO2S electrical connector.
13. Install the CPA retainer.
14. Install the oxygen sensor wiring harness heat shield. Refer to Oxygen Sensor Wiring Harness Heat Shield Replacement (Service and Repair).