Operation CHARM: Car repair manuals for everyone.
Manuals through 2025 now available!

Our trusted friends have launched a new website named LEMON, which has newer manuals. It also contains all the CHARM manuals.

LEMON is the spiritual successor to CHARM, I recommend you try it!

Link: lemon-manuals.la or lemon-manuals.org.ua

(Some people have issue connecting. LEMON is investigating. For now, use Firefox or change your DNS server)

Or, hide this message: temporarily or permanently

Automatic Transmission Range Selector Cable Replacement - Console




Automatic Transmission Range Selector Cable Replacement - Console

Removal Procedure

1. Set the park brake and chock the wheels.




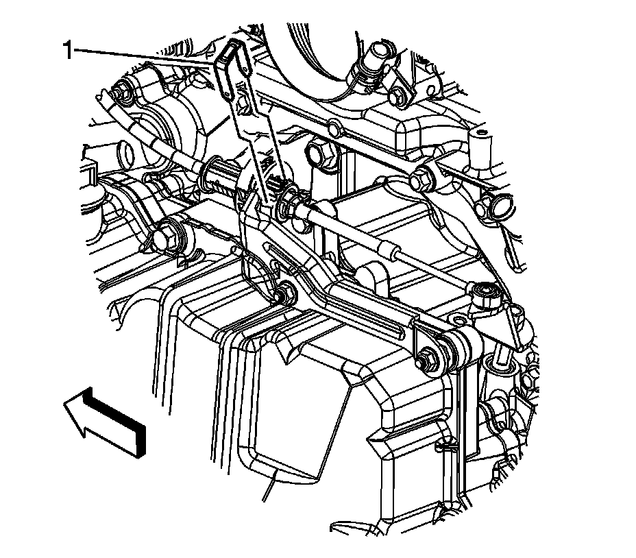
2. Remove the range selector cable retainer (1).




3. Disconnect the transmission range selector cable terminal (1) from the transmission manual shift lever pin.
4. Press the locking tabs inward in order to release the transmission range selector cable (2) from the bracket.
5. Remove the console trim plate. Refer to Front Floor Console Trim Plate Replacement (Service and Repair).




6. Remove the transmission range selector cable terminal (2) from the shift control pin.
7. Remove the transmission range selector cable (1) from the shift control base.




8. Unplug the shift cable grommet at the cowl panel and remove the shift cable from the vehicle.

Installation Procedure




1. Install the shift cable through the cowl panel and seat the grommet.




2. Install the transmission range selector cable (1) to the shift control base.
3. Install the transmission range selector cable terminal (2) to the shift control pin.
4. Install the console trim plate. Refer to Front Floor Console Trim Plate Replacement (Service and Repair).




5. Install the transmission range selector cable (2) into the bracket.
6. Connect the transmission range selector cable terminal (1) to the transmission manual shift lever pin.




7. Install the range selector cable retainer (1).
8. Adjust the automatic transmission range selector cable. Refer to Range Selector Lever Cable Adjustment (Adjustments).