Operation CHARM: Car repair manuals for everyone.
Manuals through 2025 now available!

Our trusted friends have launched a new website named LEMON, which has newer manuals. It also contains all the CHARM manuals.

LEMON is the spiritual successor to CHARM, I recommend you try it!

Link: lemon-manuals.la or lemon-manuals.org.ua

(Some people have issue connecting. LEMON is investigating. For now, use Firefox or change your DNS server)

Or, hide this message: temporarily or permanently

Drive Motor Generator Power Inverter Module Removal and Installation




Drive Motor Generator Power Inverter Module Removal and Installation

Special Tools
* GE-48494 - Power Electronics Pressure Test Adapter Kit
* J 24460-01 - Cooling System Pressure Tester

Removal Procedure




1. Remove the drive motor generator control module from the vehicle. Refer to Drive Motor Generator Control Module Assembly Replacement (Drive Motor Generator Control Module Assembly Replacement).
2. Remove the temporary coolant pipe caps (1).

Caution: The module must be drained of all residual coolant prior to disassembly. Failure to properly drain all residual coolant may cause electronic circuit damage to occur during disassembly.

Note: Place a container under the coolant outlet pipe to capture the escaping coolant.

3. Drain the drive motor generator control module assembly of residual coolant by applying 30 psi regulated compressed air to the coolant inlet pipe until no coolant remains.




4. Remove the drive motor generator power inverter control module (PIM) cover fasteners (1).
5. Remove the PIM cover (2). Discard the cover seal (3).





Caution: Always remove and install the High Voltage terminal fasteners with a magnet tipped socket. Never touch the exposed electronic circuit board surface or components. Dropped fasteners or physical contact may result in electronic circuit board damage.

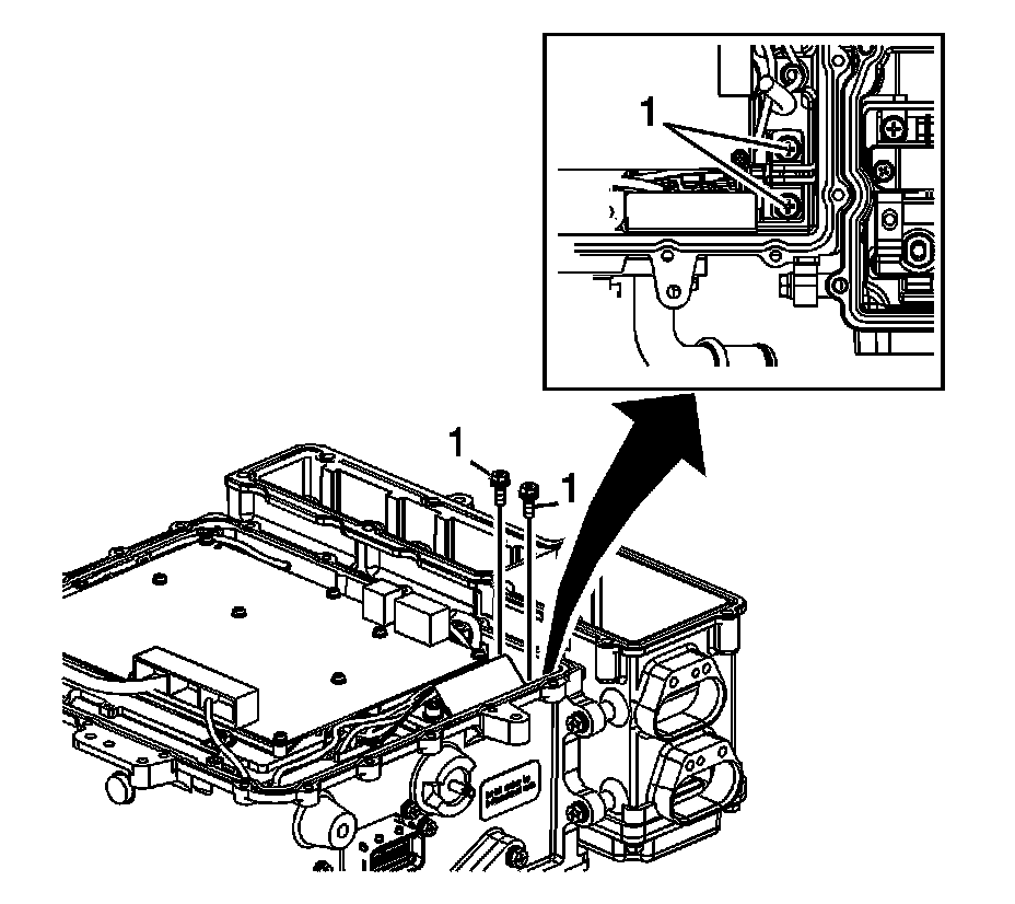
6. Remove the HV dc accessory DC power control module (APM) terminal fasteners (1) utilizing a magnetic socket.




7. Temporarily install the PIM cover (2) with 4 finger-tightened fasteners (1).




8. Rotate the drive motor generator control module assembly onto the PIM cover.
9. Remove the APM to PIM mounting fasteners (1).
10. Remove the APM (2) and discard the coolant seal (3).
11. Remove the drive motor generator power inverter coolant pipe bolts (4, 7).
12. Remove the drive motor generator power inverter coolant pipes (5, 8).
13. Remove and discard coolant seals (6, 9).

Installation Procedure




1. Install new APM coolant seal (3).
2. Position the APM (2) onto the PIM ensuring the seals remain in place.

Caution: Refer to Fastener Caution (Fastener Caution).

3. Install the APM mounting fasteners (1). Tighten the mounting fasteners to 10 Nm(89 lb in ).

Note: Only use pre-mixed DEX-COOL(R)on the coolant pipe O-ring to aid in tube installation.

4. Lubricate the new seals (6, 9) with pre-mixed DEX-COOL(R).
5. Install new seals (6, 9) onto the drive motor generator power inverter coolant pipes (5, 8).
6. Install the coolant pipes (5, 8) to the PIM assembly with bolts (4, 7). Tighten the fasteners to 5 Nm(44 lb in).




7. Rotate the drive motor generator control module assembly onto the APM.
8. Clamp GE-48494 - adapter kit components (2, 3) to a coolant pipe.
9. Plug the remaining coolant pipe with the GE-48494 - adapter kit plug and clamp (1).
10. Apply 20 psi (138 kPa) pressure with J 24460-01 - pressure tester (4).
11. Monitor the pressure tester gauge for 5 minutes and ensure that pressure remains at the specified value.

* If the specified pressure cannot be maintained, disassemble the drive motor generator control module assembly and replace the coolant seal.
* If pressure remains at the specified value, proceed to the next step.

12. Remove all GE-48494 - adapter kit components.




13. Remove the PIM cover retaining bolts (1).
14. Remove the PIM cover (2).





Caution: Always remove and install the High Voltage terminal fasteners with a magnet tipped socket. Never touch the exposed electronic circuit board surface or components. Dropped fasteners or physical contact may result in electronic circuit board damage.

15. Install the HV dc APM terminal fasteners (1) utilizing a magnetic socket. Tighten the terminal fasteners to 9 Nm(80 lb in).




16. Install a new PIM cover seal (3).

Note: DO NOT use excessively abrasive cleaning tools on the sealing surface. Hand sanding with wet 400 grit sandpaper or use of a hand scraper is recommended.

17. Clean the sealing surface of the PIM cover as necessary.
18. Position the PIM cover (2) onto the PIM ensuring the seal remains in place.
19. Install the PIM cover fasteners (1). Tighten the fasteners to 5 Nm(44 lb in).