Operation CHARM: Car repair manuals for everyone.
Manuals through 2025 now available!

Our trusted friends have launched a new website named LEMON, which has newer manuals. It also contains all the CHARM manuals.

LEMON is the spiritual successor to CHARM, I recommend you try it!

Link: lemon-manuals.la or lemon-manuals.org.ua

(Some people have issue connecting. LEMON is investigating. For now, use Firefox or change your DNS server)

Or, hide this message: temporarily or permanently

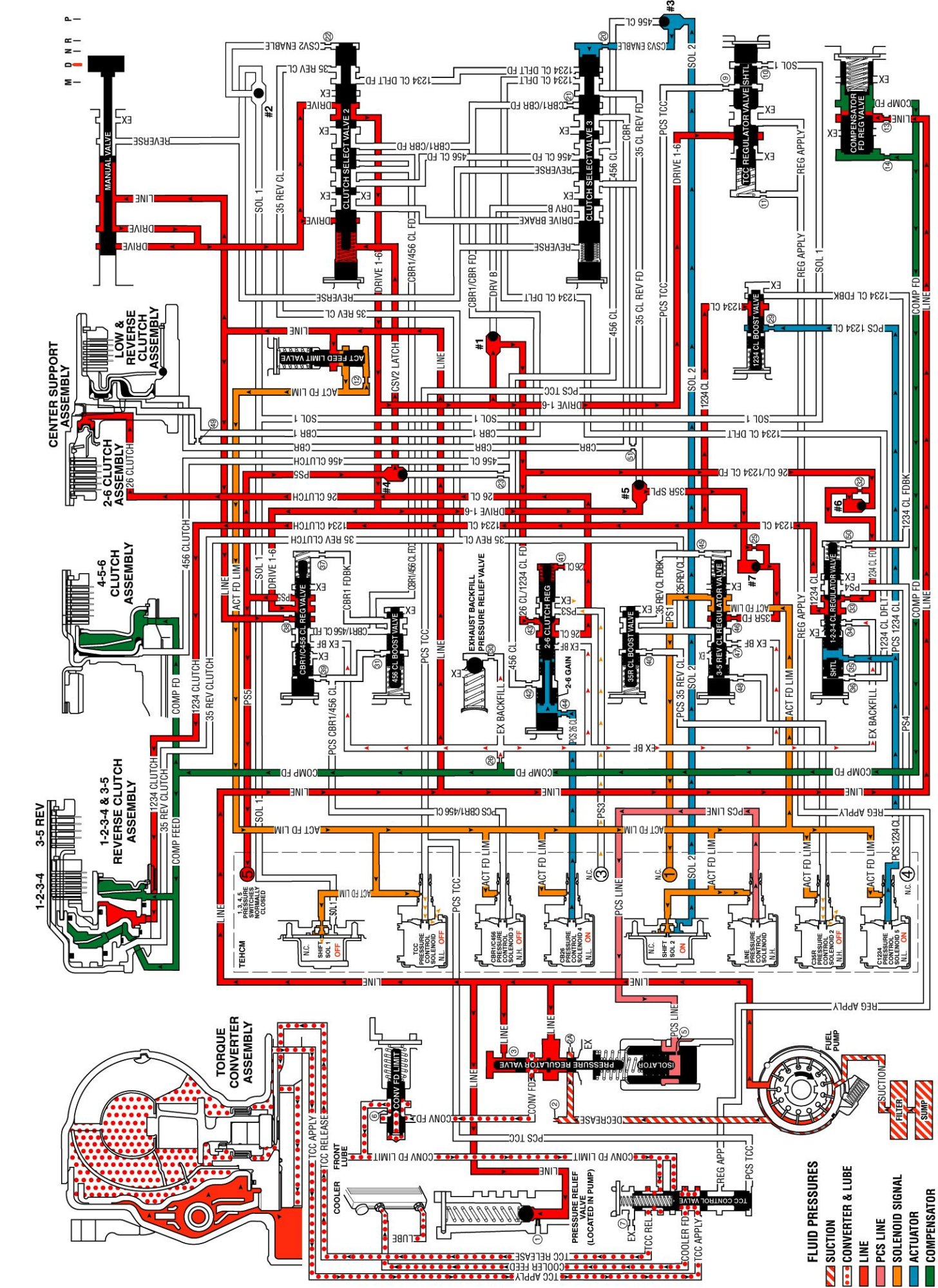
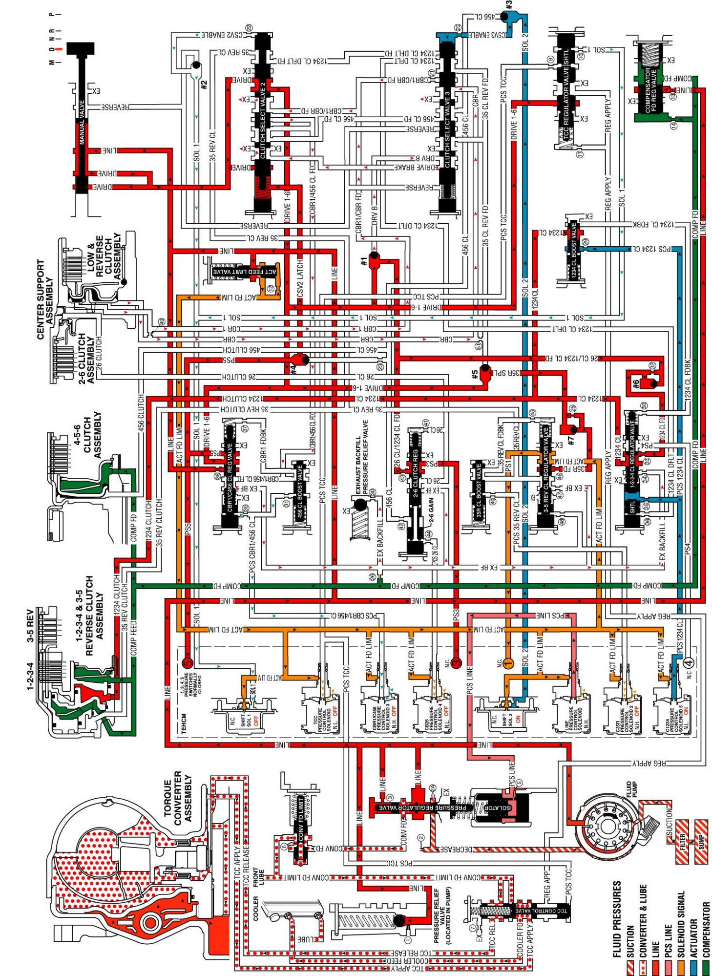
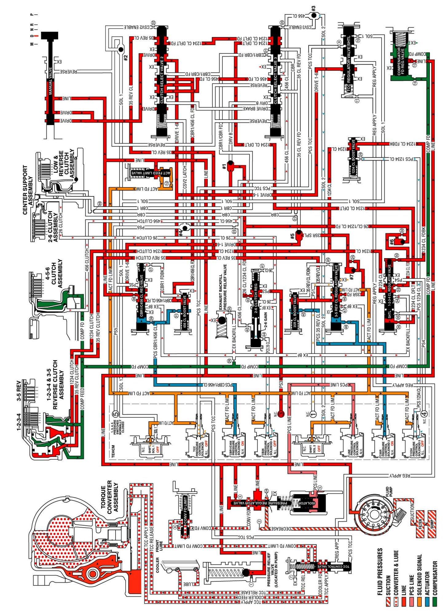
Automatic Transmission/Transaxle

Drive Range, First Gear Engine Braking





Drive Range, First Gear





Drive Range, Second Gear





Drive Range, Third Gear





Drive Range, Third Gear Default





Drive Range, Fifth Gear





Drive Range, Fifth Gear Default





Drive Range, Sixth Gear





Drive Range, Fourth Gear





Park - Engine Running





Reverse





Neutral - Engine Running