Operation CHARM: Car repair manuals for everyone.
Manuals through 2025 now available!

Our trusted friends have launched a new website named LEMON, which has newer manuals. It also contains all the CHARM manuals.

LEMON is the spiritual successor to CHARM, I recommend you try it!

Link: lemon-manuals.la or lemon-manuals.org.ua

(Some people have issue connecting. LEMON is investigating. For now, use Firefox or change your DNS server)

Or, hide this message: temporarily or permanently

Electrical Diagrams



ENGINE CONTROLS SCHEMATICS

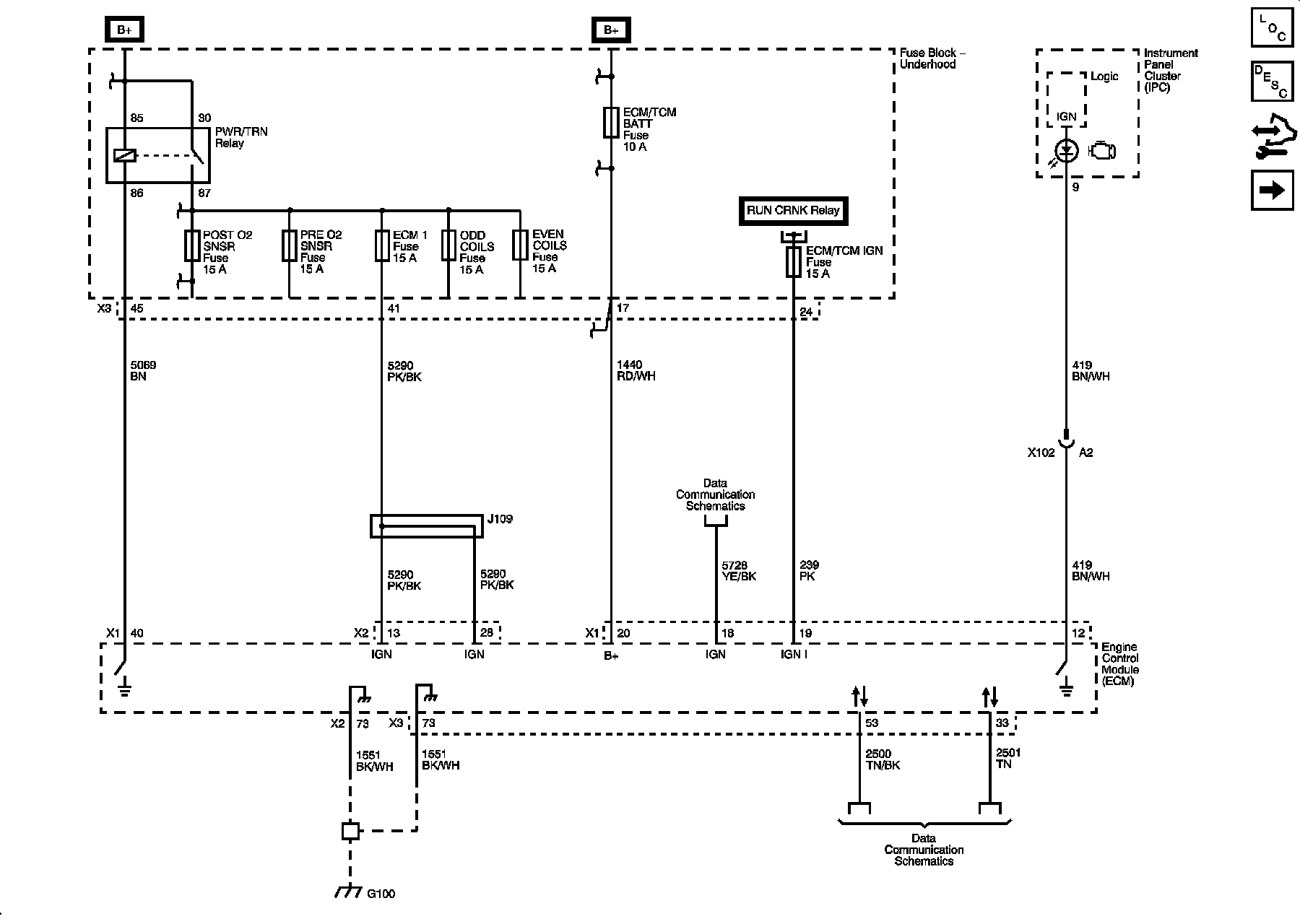
ECM Power, Ground, Serial Data, and MIL







Engine Data Sensors - 5-Volt and Low Reference










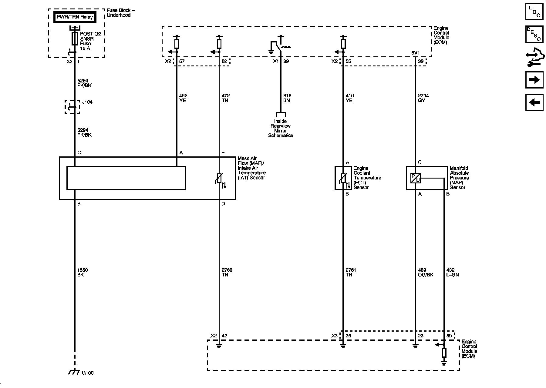
Engine Data Sensors - Pressure, Temperature, MAF, VSS







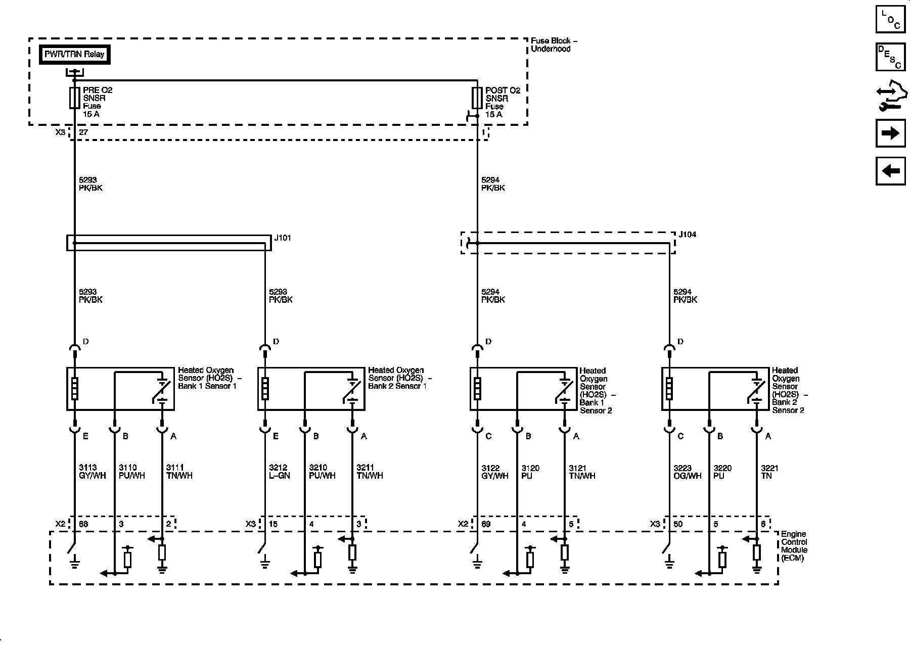
Engine Data Sensors - Oxygen Sensors







Engine Data Sensors - Electronic Throttle Controls







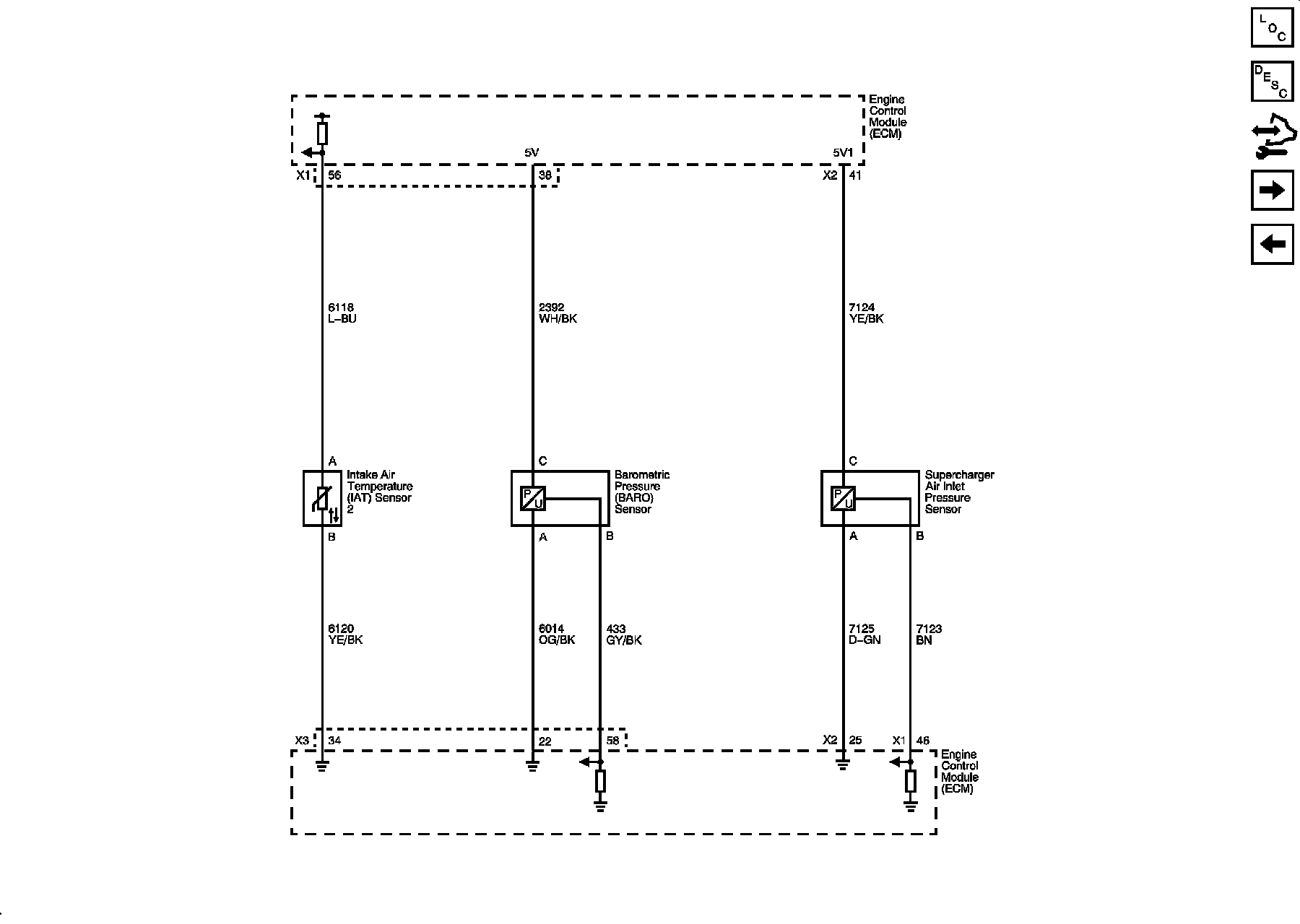
Engine Data Sensors - IAT 2, BARO, SCIAP







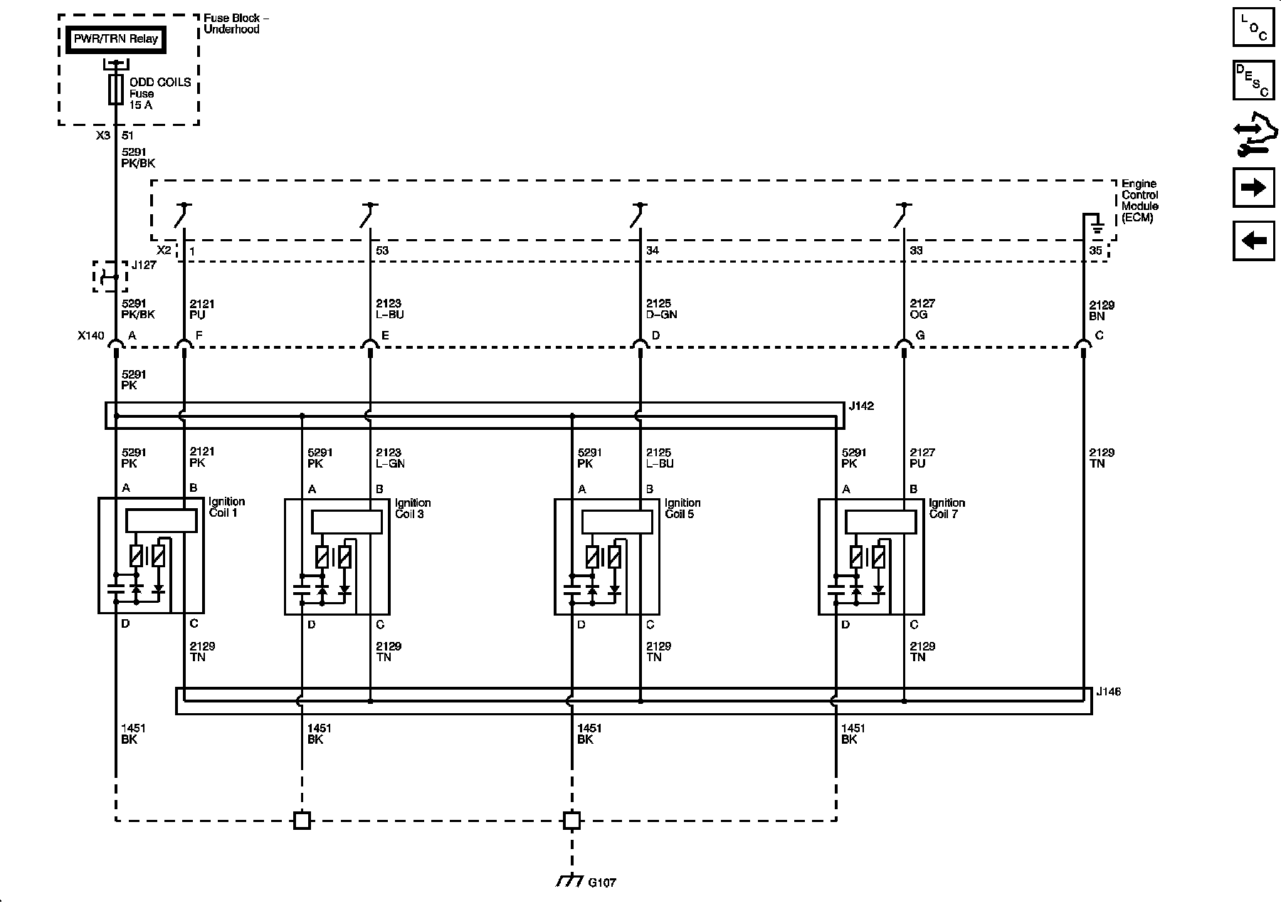
Ignition Controls - Ignition System Bank 1







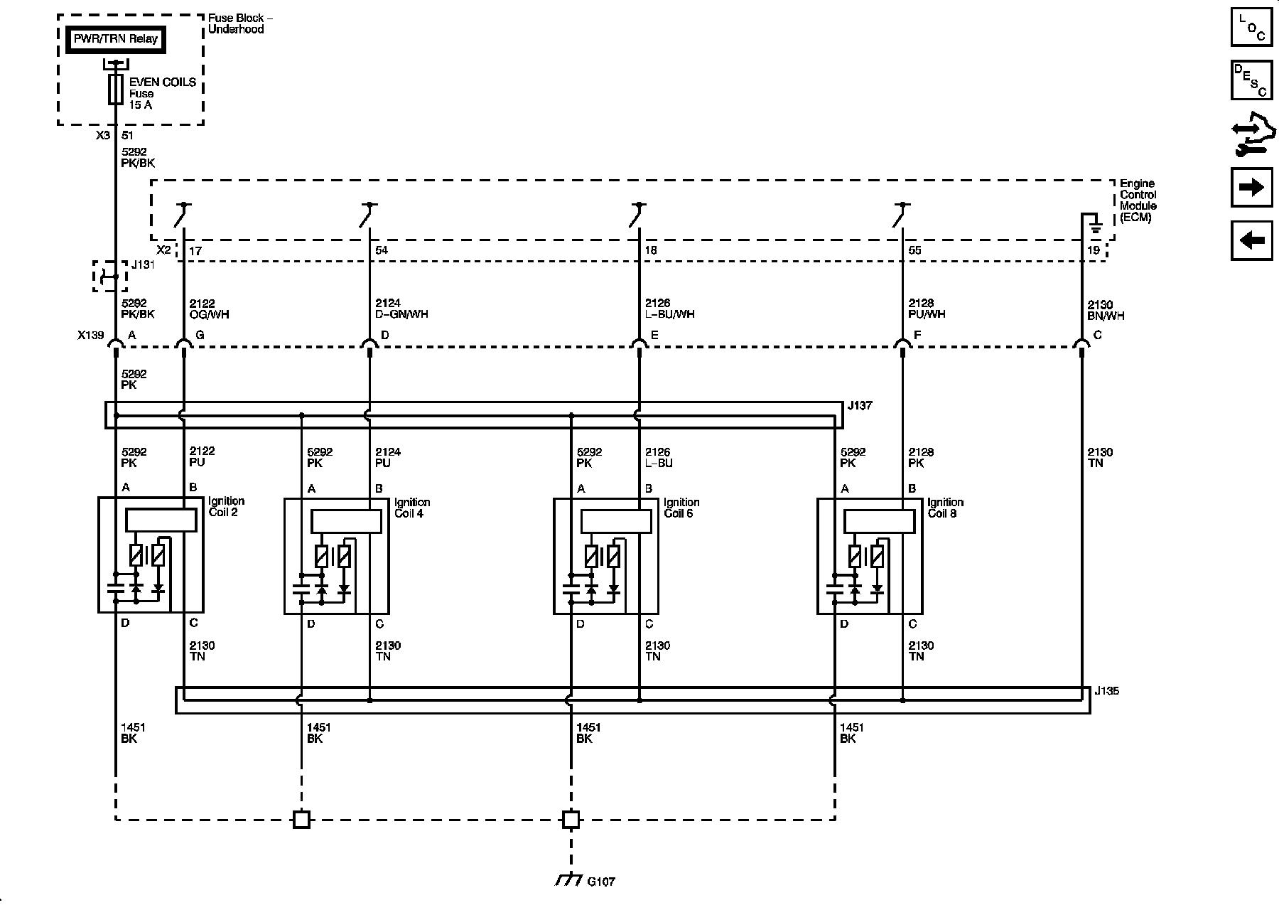
Ignition Controls - Ignition System Bank 2







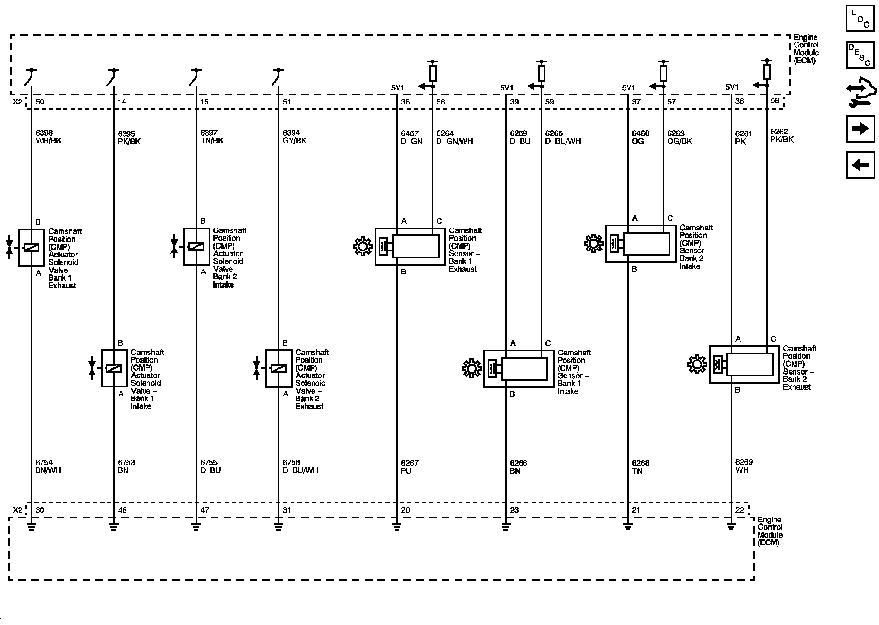
Ignition Controls - CMP Sensors and Solenoids







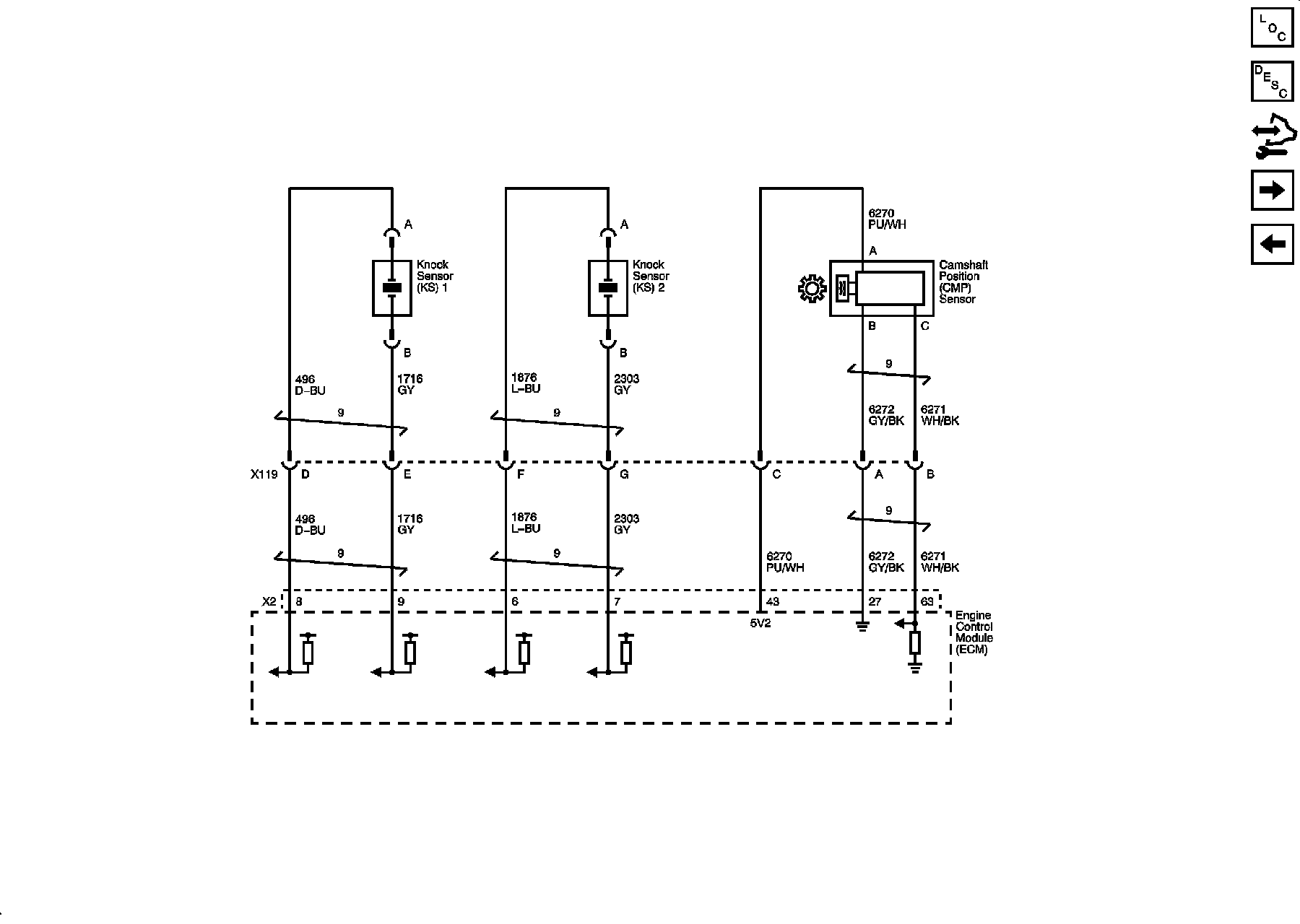
Crankshaft Position (CKP) Sensor and Knock Sensors







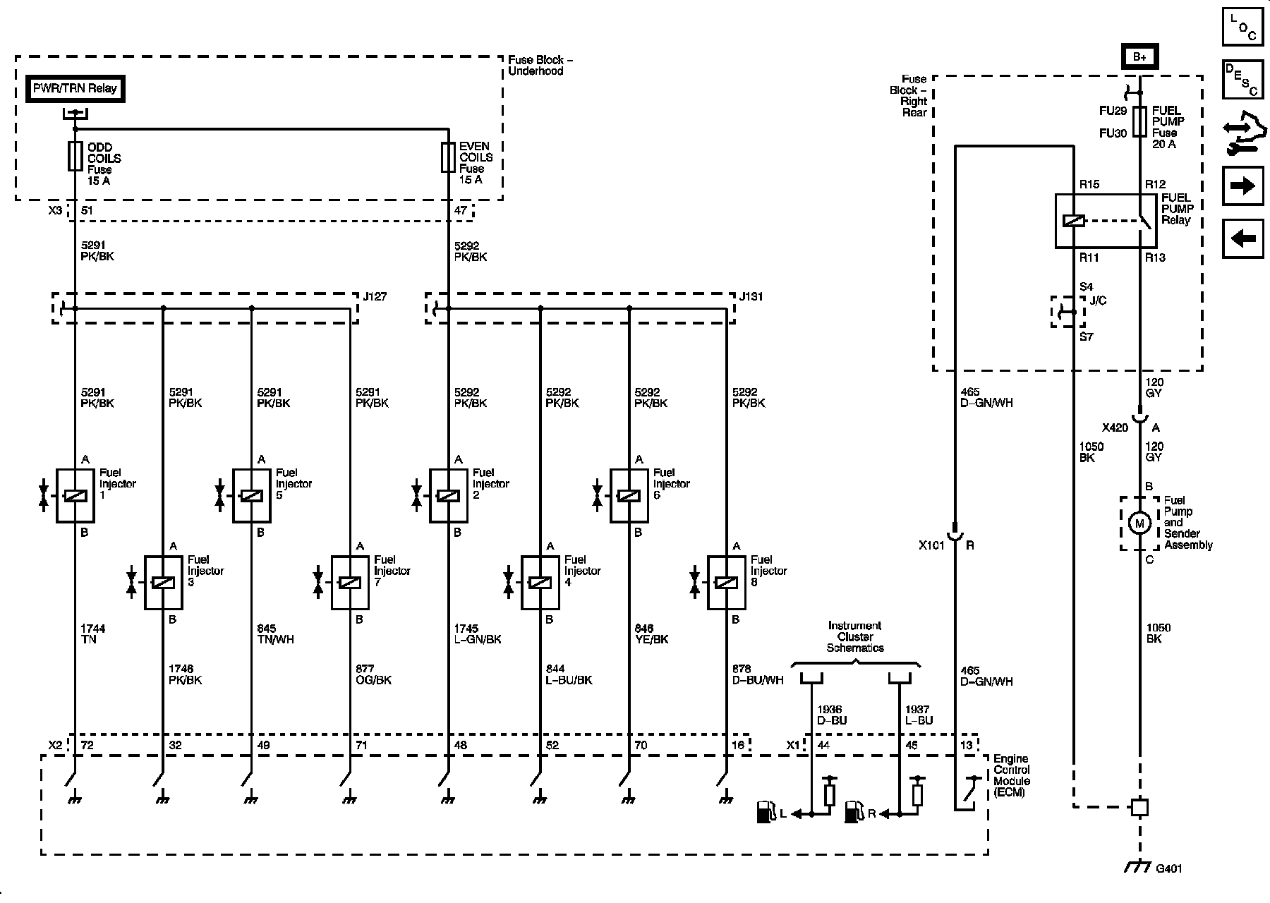
Fuel Controls - Injectors and Pump







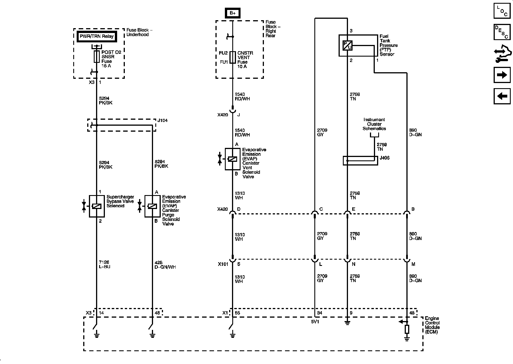
Fuel Controls - EVAP, Fuel Tank Pressure (FTP) Sensor, Vacuum Bypass Valve







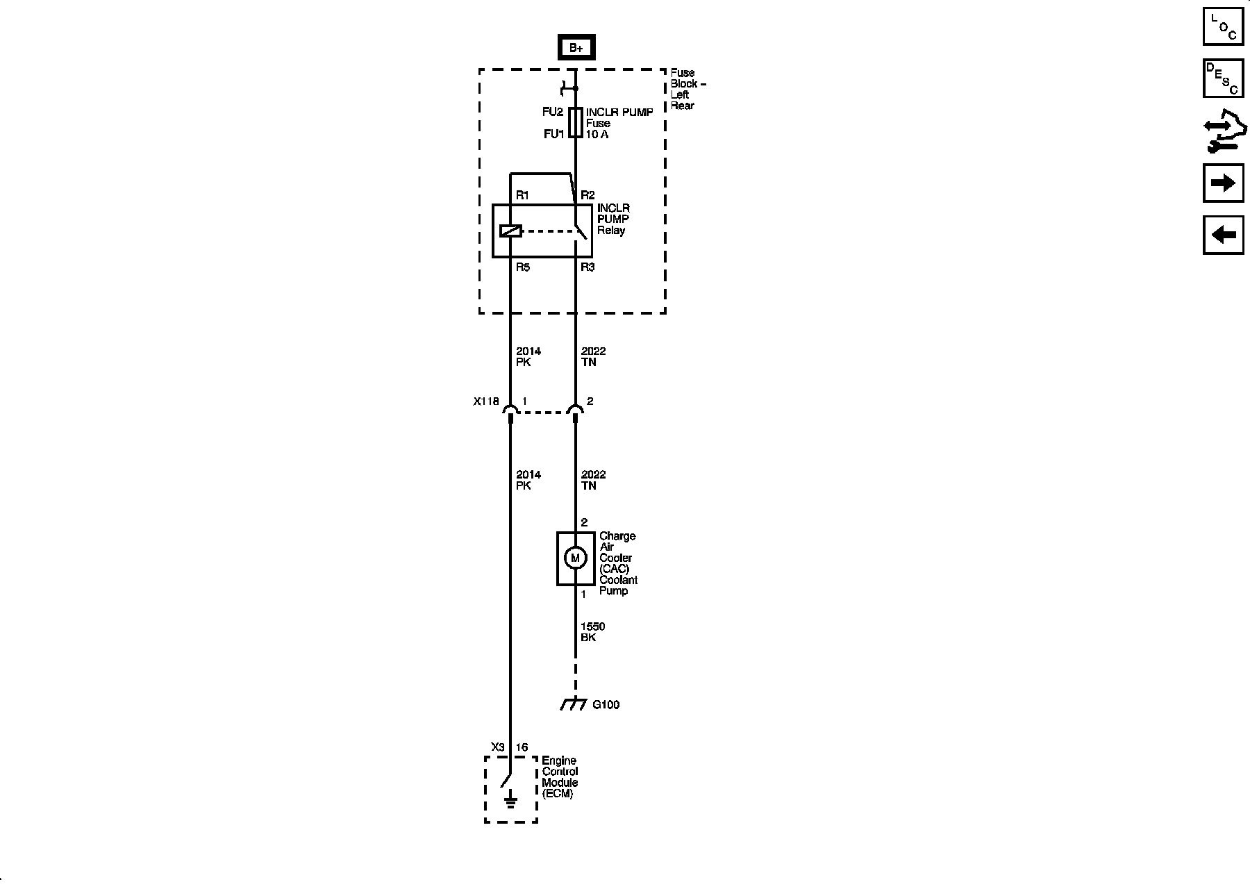
Charge Air Cooler (CAC) Coolant Pump







Controlled/Monitored Subsystem References







Locations: The locations for the Connectors, Grounds, Splices, and Grommets shown within these diagrams can be found via their numbers at Vehicle Locations. Locations