Operation CHARM
: Car repair manuals for everyone.
Home
>>
Cadillac
>>
2009
>>
XLR V8-4.4L SC
>>
Repair and Diagnosis
>>
Diagrams
>>
Electrical Diagrams
>>
Body Control Systems
Manuals through 2025 now available!
Our trusted friends have launched a new website named LEMON, which has newer manuals. It also contains all the CHARM manuals.
LEMON is the spiritual successor to CHARM, I recommend you try it!
Link:
lemon-manuals.la
or
lemon-manuals.org.ua
(Some people have issue connecting. LEMON is investigating. For now, use Firefox or change your DNS server)
Or, hide this message:
temporarily
or
permanently
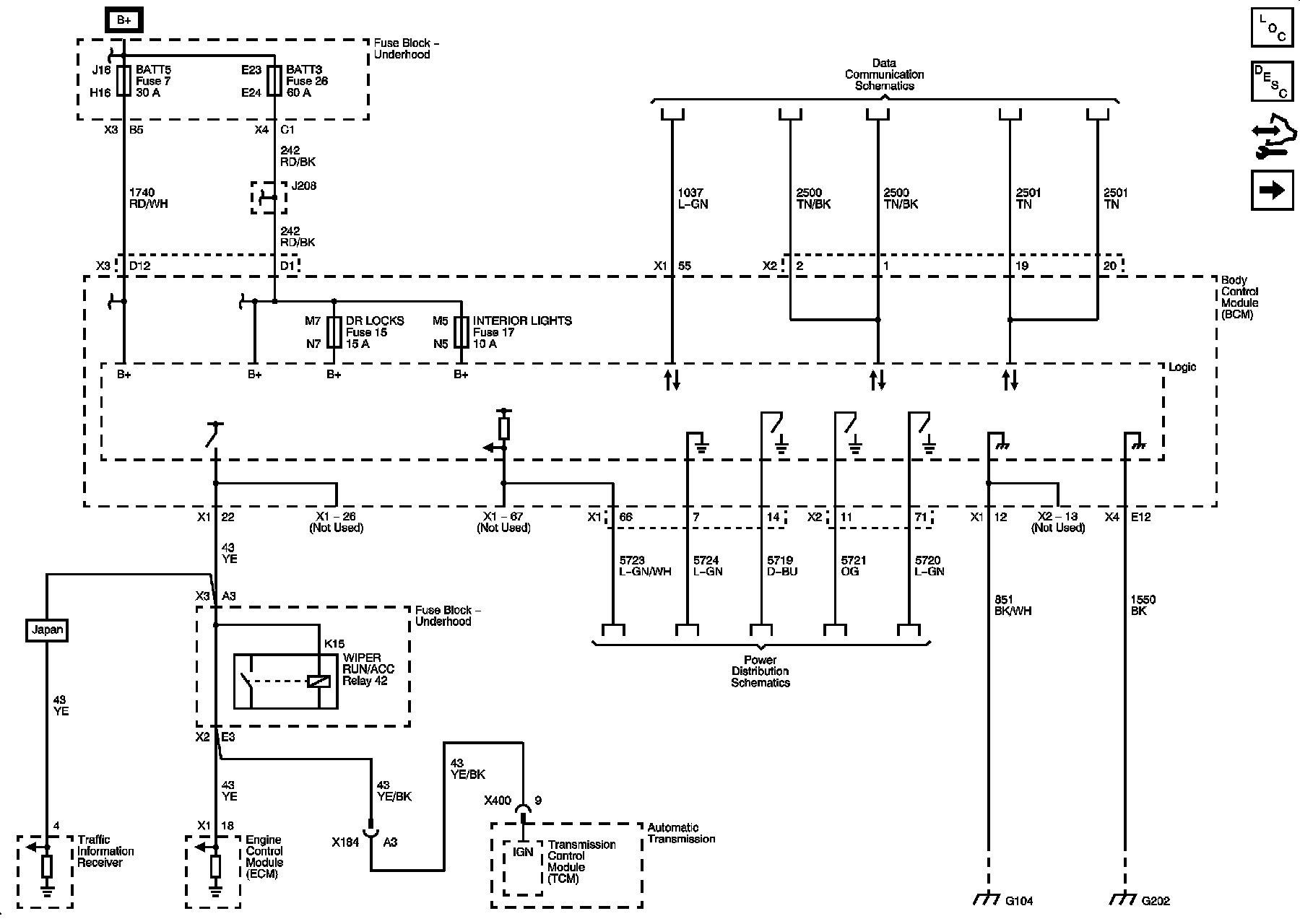
Body Control Systems
Body Control System Schematics
Power, Ground, and DLC
Headlights/DRL and Exterior Lights References 1 of 2
Exterior Lights 2 of 2, Interior Lights, and Fog Lights References
Other Subsystem References