Operation CHARM: Car repair manuals for everyone.
Manuals through 2025 now available!

Our trusted friends have launched a new website named LEMON, which has newer manuals. It also contains all the CHARM manuals.

LEMON is the spiritual successor to CHARM, I recommend you try it!

Link: lemon-manuals.la or lemon-manuals.org.ua

(Some people have issue connecting. LEMON is investigating. For now, use Firefox or change your DNS server)

Or, hide this message: temporarily or permanently

Engine Replacement




Engine Replacement

Special Tools
* J 28467-86 Right Engine Lift Bracket
* J 28467-87 Left Engine Lift Bracket

Removal Procedure




Warning: Refer to Battery Disconnect Warning (Service Precautions).

1. Drain the engine oil. Refer to Engine Oil and Oil Filter Replacement (Service and Repair).
2. Remove the powertrain. Refer to Powertrain Removal and Installation (Powertrain Removal and Installation).
3. Remove the left exhaust manifold assembly. Refer to Exhaust Manifold Replacement - Left Side (Exhaust Manifold Replacement - Left Side).
4. Remove the left engine mount bracket. Refer to Engine Mount Bracket Replacement - Left Side (Service and Repair).




5. Remove the water pump and generator drive belt tensioner. Refer to Water Pump and Generator Drive Belt Tensioner Replacement (Water Pump and Generator Drive Belt Tensioner Replacement).
6. Remove the supercharger drive belt tensioner. Refer to Supercharger Belt Tensioner Replacement (Supercharger Belt Tensioner Replacement).
7. Remove the generator. Refer to Generator Replacement (LC3) (Generator Replacement (LC3))Generator Replacement (LH2) (Generator Replacement (LH2)).




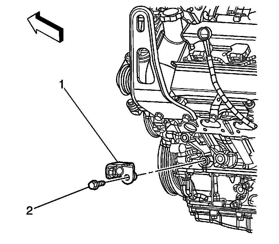
8. Remove the bolt (1) securing the starter/generator harness clip to the front of the engine.




9. Remove the bolts and nut (1,2) securing the engine wiring harness to the left side of the engine.
10. Remove the right exhaust manifold assembly. Refer to Exhaust Manifold Replacement - Right Side (Exhaust Manifold Replacement - Right Side).
11. Remove the right engine mount bracket. Refer to Engine Mount Bracket Replacement - Right Side (Service and Repair).




12. Disconnect the electrical connector (1) from the engine oil level sensor (2).
13. Remove the power steering reservoir. Refer to Remote Power Steering Fluid Reservoir Replacement (Service and Repair).
14. Remove the air conditioning compressor and bracket. Refer to Air Conditioning Compressor Replacement (Service and Repair).




15. Remove the transmission cooler lines (1,2). Refer to Transmission Fluid Cooler Lower Pipe Assembly Replacement - Auxiliary Cooler to Radiator (Service and Repair) and Transmission Fluid Cooler Lower Pipe Assembly Replacement - Transmission to Auxiliary Cooler (Service and Repair).
16. Remove the coolant temperature sensor. Refer to Engine Coolant Temperature Sensor Replacement (Service and Repair).




17. Remove the bolt securing the wiring harness to the engine.




18. Remove the engine wiring harness.
19. Remove the supercharger assembly. Refer to Supercharger Replacement (Supercharger Replacement).
20. Remove the left bank ignition coils as an assembly. Refer to Ignition Coil Replacement - Bank 2 (Service and Repair).
21. Remove the right bank ignition coils as an assembly. Refer to Ignition Coil Module Replacement - Right Side.
22. Remove the starter motor from the engine. Refer to Starter Motor Replacement (LC3) (Service and Repair)Starter Motor Replacement (LH2) (Service and Repair).




23. Disconnect the electrical connector (5) from the left-hand knock sensor.
24. Disconnect the electrical connector (1) from the right-hand knock sensor.
25. Disconnect the electrical connector from the crank sensor (4).
26. Remove the bolt (2) securing the wiring harness (3) to the engine.
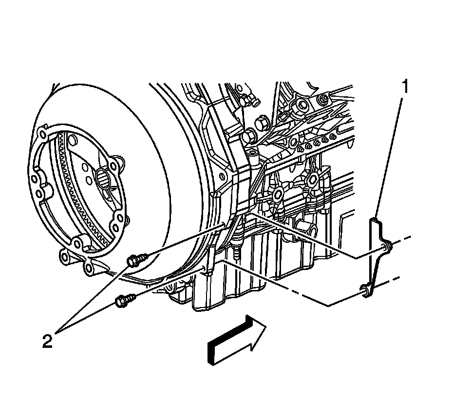
27. Remove the driveline support bolts.

Note: Visually inspect the transmission wiring harness to ensure detachment from the engine.

28. Insert a flat-headed screwdriver, or similar tool, between the driveline support and the flywheel housing, then separate the driveline assembly from the engine.
29. Slowly pull the driveline support assembly away from the engine.
30. Install the J 28467-86 and J 28467-87 to the engine.
31. Install an engine hoist to the J 28467-86 and J 28467-87 .
32. Remove the flywheel housing bolts.
33. Remove the flywheel housing from the engine.
34. Remove the engine from the lift table.
35. Remove the engine hoist.
36. Remove the engine lift brackets.

Installation Procedure

1. Using an engine hoist, install the replacement engine on an engine stand.




2. Install the transmission cooler lines (1,2) to the engine. Refer to Transmission Fluid Cooler Lower Pipe Assembly Replacement - Transmission to Auxiliary Cooler (Service and Repair).




3. Connect the electrical connector (1) to the engine oil level sensor (2).





Caution: Refer to Fastener Caution (Fastener Caution).

4. Install the bolt through the engine harness clip and secure to the right side of the engine then tighten to 35 Nm (26 lb ft).




5. Install the bolt to the left rear engine harness ground terminal and tighten to 12 Nm (106 lb in).




6. Connect the harness (1) to the oil pressure sensor (2).




7. Install the air conditioning/power steering bracket to the engine assembly. Refer to Air Conditioning Compressor Replacement (Service and Repair).
8. Install the power steering pump reservoir to the engine. Refer to Remote Power Steering Fluid Reservoir Replacement (Service and Repair).
9. Install the supercharger drive belt tensioner. Refer to Supercharger Belt Tensioner Replacement (Supercharger Belt Tensioner Replacement).
10. Install the water pump and generator drive belt tensioner. Refer to Water Pump and Generator Drive Belt Tensioner Replacement (Water Pump and Generator Drive Belt Tensioner Replacement).




11. Install the generator coolant inlet hose fitting (1) and tighten to 25 Nm (18 lb ft).




12. Install the generator rear brace (1) to the engine and tighten to 50 Nm (37 lb ft).
13. Install the generator stud to the engine lower crankcase and tighten to 12 Nm (106 lb in).
14. Install the generator. Refer to Generator Replacement (LC3) (Generator Replacement (LC3))Generator Replacement (LH2) (Generator Replacement (LH2)).




15. Connect the harness connector (5) to the left knock sensor.
16. Connect the harness connector (1) to the right knock sensor.
17. Connect the harness connector (4) to the crank sensor.
18. Install the bolt (2) through the harness bracket and tighten to 10 Nm (89 lb in).
19. Install the starter. Refer to Starter Motor Replacement (LC3) (Service and Repair)Starter Motor Replacement (LH2) (Service and Repair).
20. Attach the right side upper wiring harness to the cam cover.
21. Attach the left side upper wiring harness to the cam cover.
22. Connect the engine harness to the right camshaft position sensors.
23. Connect the engine wiring harness to the purge valve solenoid.
24. Connect the engine wiring harness to the left camshaft position sensors.




25. Connect the starter motor jumper harness to the engine harness at the rear of the engine.
26. Install the left ignition coils as an assembly. Refer to Ignition Coil Replacement - Bank 2 (Service and Repair).




27. Install the right ignition coils as an assembly. Refer to Ignition Coil Replacement - Bank 1 (Service and Repair).
28. Install the coolant temperature sensor. Refer to Engine Coolant Temperature Sensor Replacement (Service and Repair).




29. Install the supercharger assembly. Refer to Supercharger Replacement (Supercharger Replacement).
30. Install the left engine mount bracket to the engine. Refer to Engine Mount Bracket Replacement - Left Side (Service and Repair).




31. Secure the wiring harness to the engine.

* Tighten the bolts (1) to 35 Nm (26 lb ft).
* Tighten the nut (2) to 35 Nm (26 lb ft).

32. Install the right engine mount bracket to the engine. Refer to Engine Mount Bracket Replacement - Right Side (Service and Repair).
33. install the J 28467-86 and J 28467-87 engine lift brackets.
34. Install an engine hoist to the engine.
35. Remove the engine from the engine stand.
36. Install the flywheel housing and bolts. Refer to Engine Flywheel Replacement (Engine Flywheel Replacement).




37. Install the flywheel housing left side cover (1) to the engine.




38. Install the engine closeout cover (1) to the right side of the bell housing and tighten to 10 Nm (89 lb in).
39. Install the engine wiring harness to the engine by inserting the bolts through the harness clips and into the bell housing then tighten to 50 Nm (37 lb ft).
40. Install the engine into the front cradle.
41. Remove the J 28467-86 and J 28467-87 engine lift brackets.
42. Install the exhaust manifold studs to the right cylinder head and tighten to 6 Nm (53 lb in).
43. Install the exhaust manifold studs to the left cylinder head and tighten to 6 Nm (53 lb in).
44. Install the right exhaust manifold assembly to the engine. Refer to Exhaust Manifold Replacement - Right Side (Exhaust Manifold Replacement - Right Side).
45. Install the left exhaust manifold assembly to the engine. Refer to Exhaust Manifold Replacement - Left Side (Exhaust Manifold Replacement - Left Side).
46. Install the evaporator emission canister purge tube assembly to the engine.
47. Install the powertrain. Refer to Powertrain Removal and Installation (Powertrain Removal and Installation).
48. Fill the oil system to the proper level.