Operation CHARM: Car repair manuals for everyone.
Manuals through 2025 now available!

Our trusted friends have launched a new website named LEMON, which has newer manuals. It also contains all the CHARM manuals.

LEMON is the spiritual successor to CHARM, I recommend you try it!

Link: lemon-manuals.la or lemon-manuals.org.ua

(Some people have issue connecting. LEMON is investigating. For now, use Firefox or change your DNS server)

Or, hide this message: temporarily or permanently

Electrical Diagrams



ENGINE CONTROLS SCHEMATICS

Module Power, Ground, Serial Data, and MIL







5 Volt 1 and Low References







5 Volt 2 and Low References







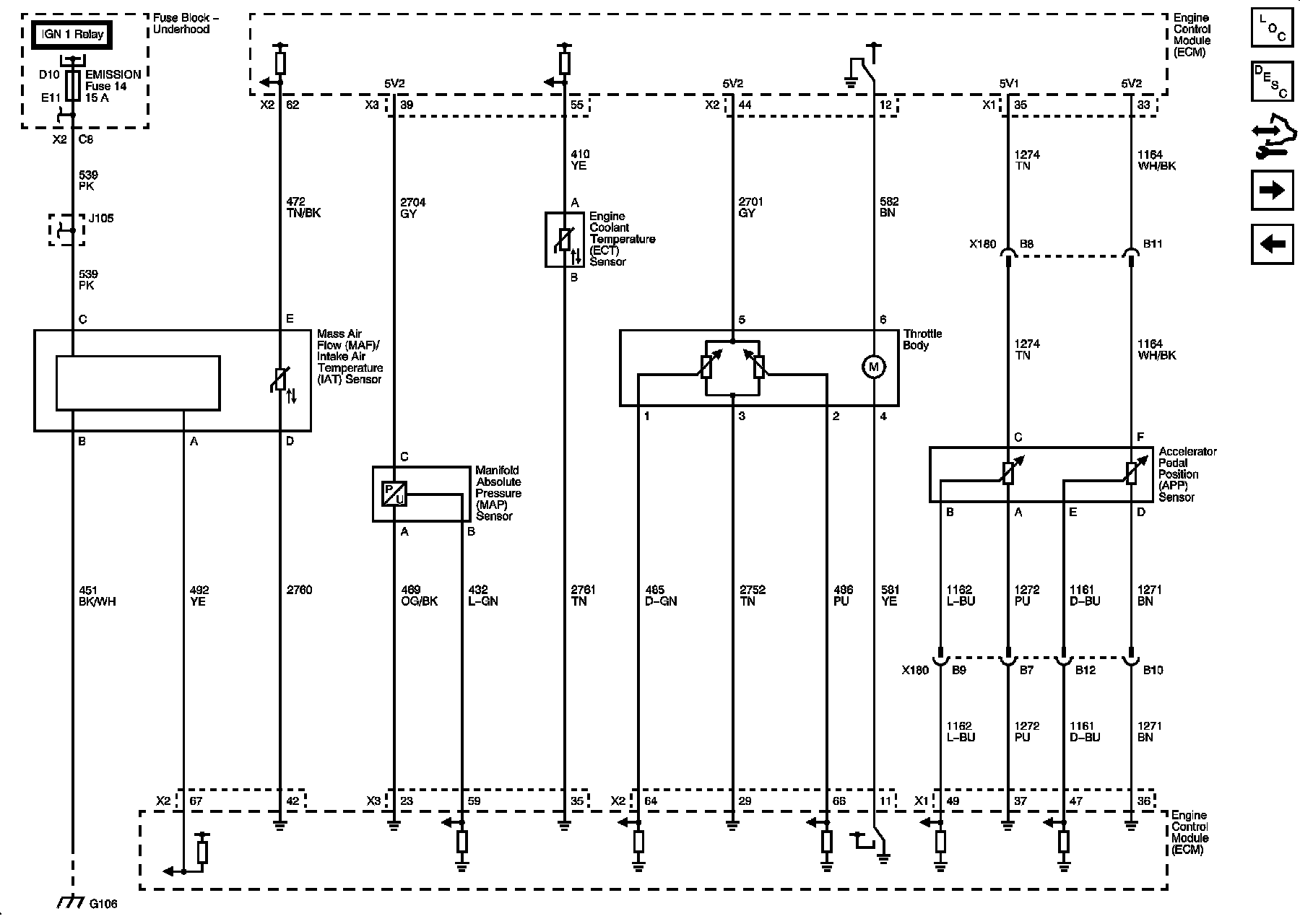
Engine Data Sensors - Pressure, Temperature, and Throttle Controls







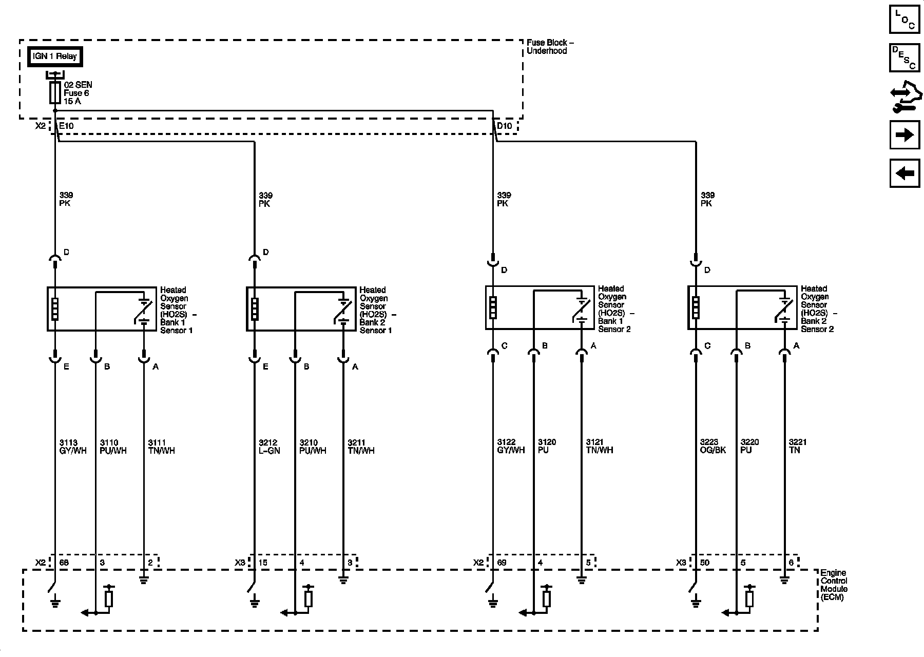
Engine Data Sensors - HO2S







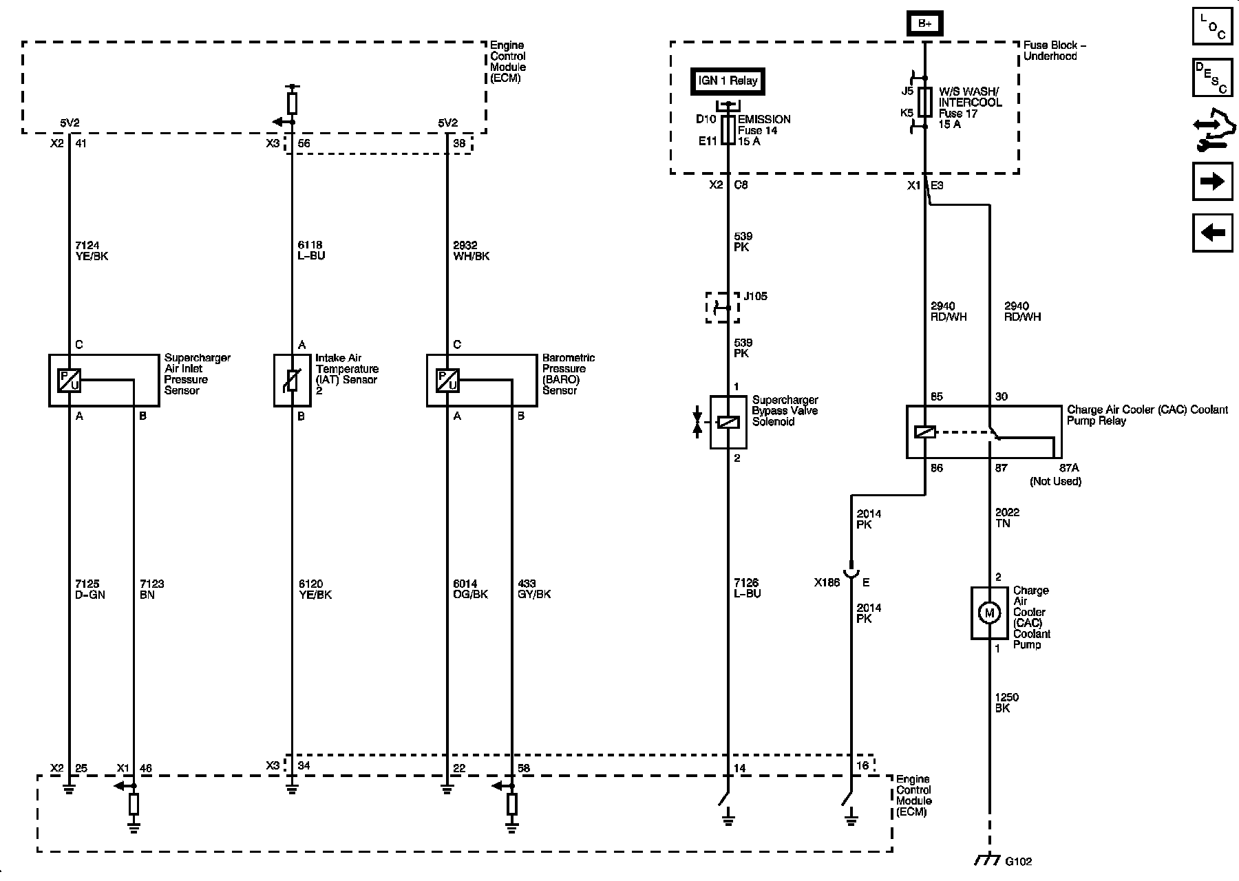
Supercharger Sensors, Bypass Valve, and Coolant Pump







Ignition Controls - Ignition System Odd







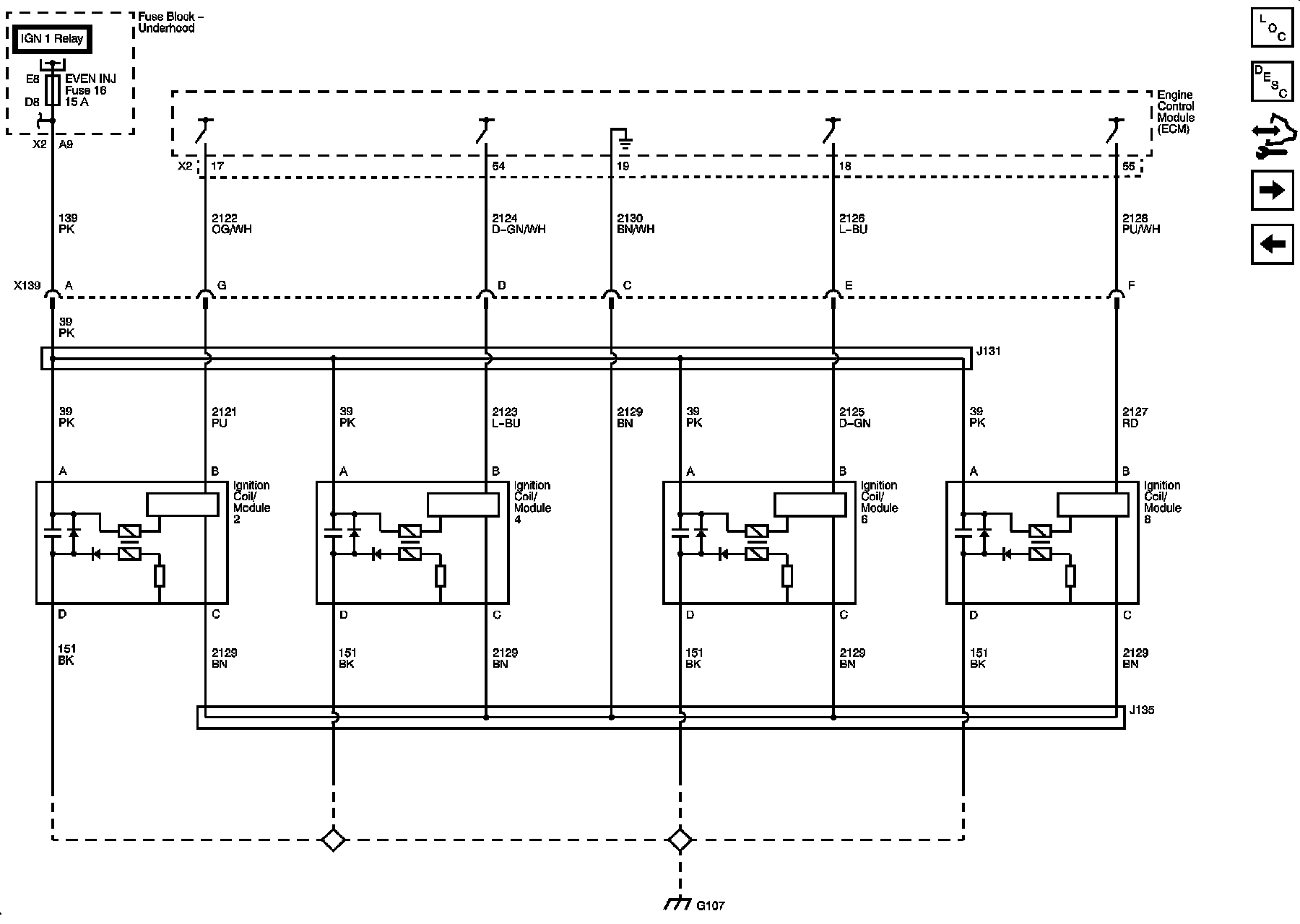
Ignition Controls - Ignition System Even







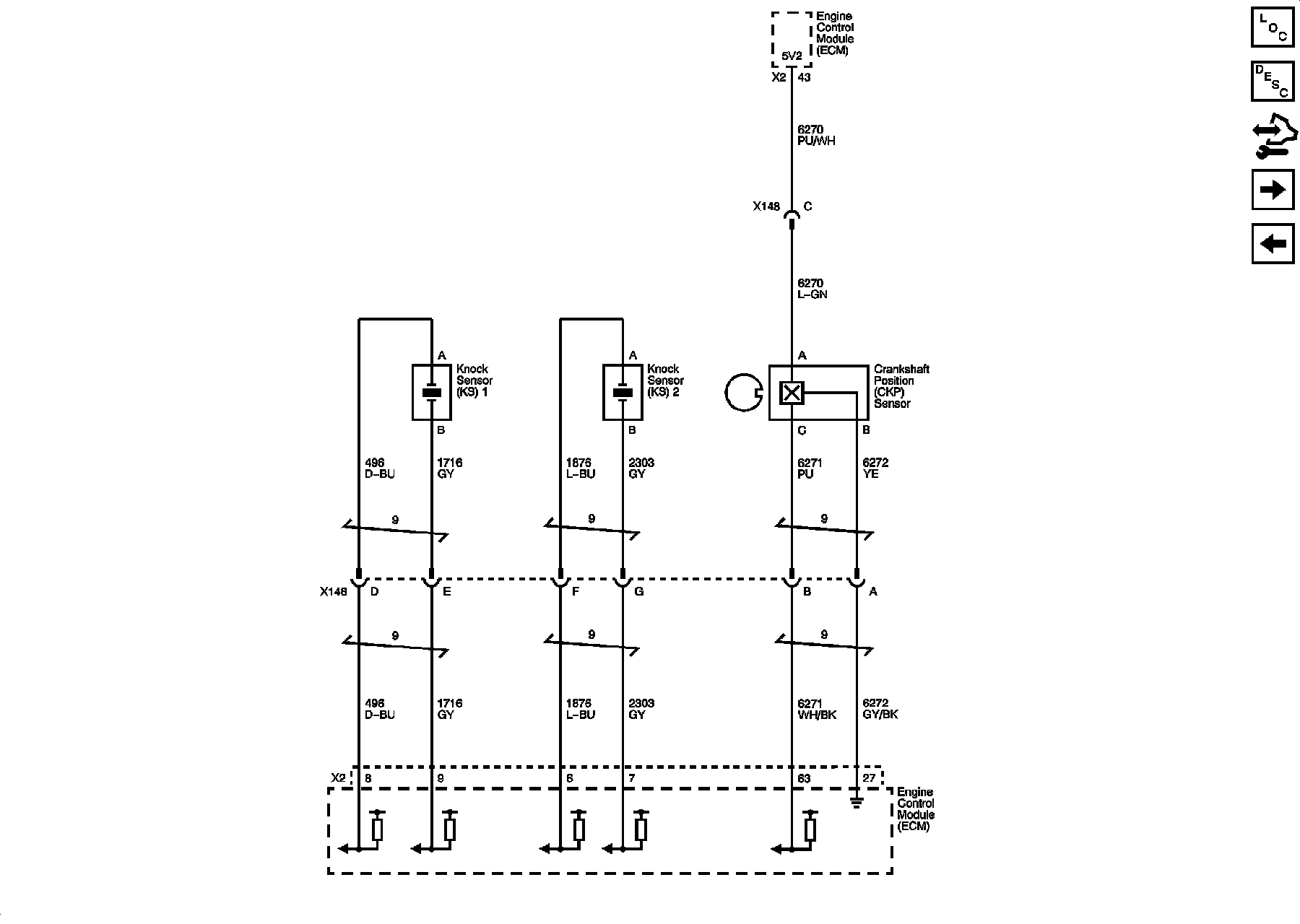
Ignition Controls - Crankshaft/Knock Sensors







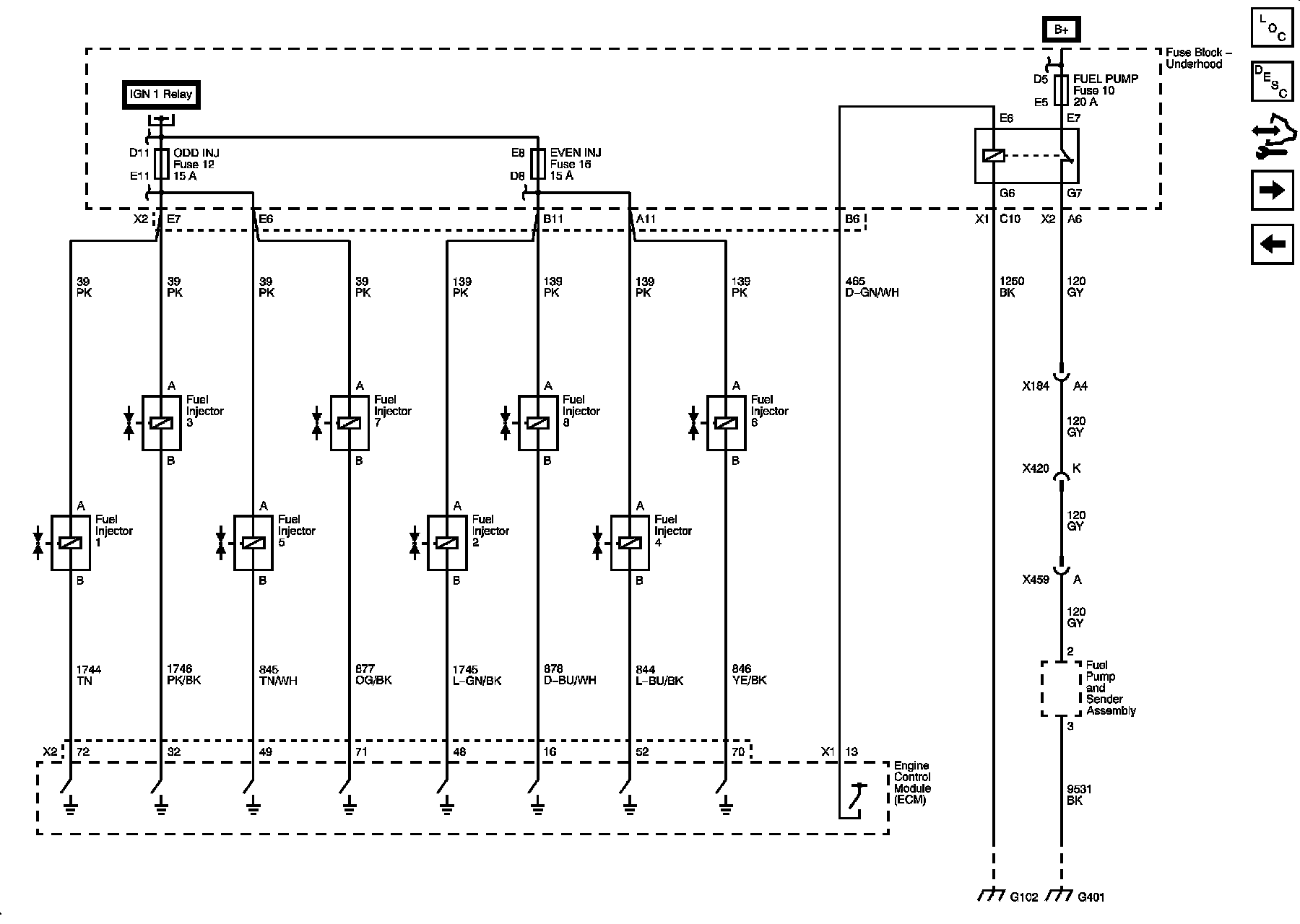
Fuel Controls - Fuel Injectors and Fuel Pump Controls







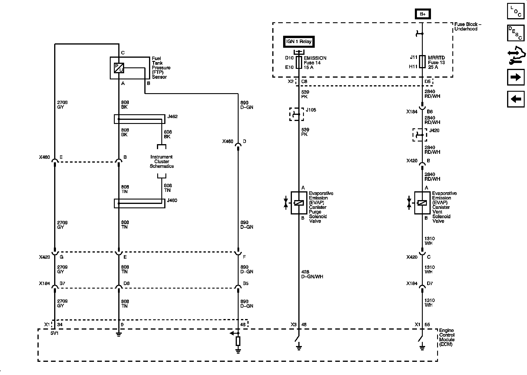
Fuel Controls - EVAP Controls and Manifold Tuning







Ignition Controls - Camshaft Sensors/Actuators







Monitored/Controlled Subsystem References







Locations: The locations for the Connectors, Grounds, Splices, and Grommets shown within these diagrams can be found via their numbers at Vehicle Locations. Locations