Operation CHARM: Car repair manuals for everyone.
Manuals through 2025 now available!

Our trusted friends have launched a new website named LEMON, which has newer manuals. It also contains all the CHARM manuals.

LEMON is the spiritual successor to CHARM, I recommend you try it!

Link: lemon-manuals.la or lemon-manuals.org.ua

(Some people have issue connecting. LEMON is investigating. For now, use Firefox or change your DNS server)

Or, hide this message: temporarily or permanently

Positive: Service and Repair




Battery Positive and Negative Cable Replacement (LC3)

Removal Procedure

1. Disconnect the battery negative cable from the battery. Refer to Battery Negative Cable Disconnection and Connection (Service and Repair).




2. Loosen the battery positive cable nut (1) and disconnect the battery positive cable (2) from the battery (3).
3. Open the stud cover on the fuse/relay center.
4. Remove the battery positive cable nut and disconnect the battery positive cable lead from the fuse/relay center stud.
5. Remove the battery cable clips.
6. Remove the battery negative cable to frame rail nut and disconnect the battery negative cable from the frame rail stud.




7. Remove the battery cable bolt (3) securing the battery negative cable (1) and engine harness ground pack (2) to the right rear cylinder head.
8. Remove the supercharger. Refer to Supercharger Replacement (Supercharger Replacement).




9. Disconnect the starter jumper wiring harness (2) from the engine harness connector (1).




10. Remove the positive battery cable terminal nut and disconnect the terminals (2) from the starter solenoid.




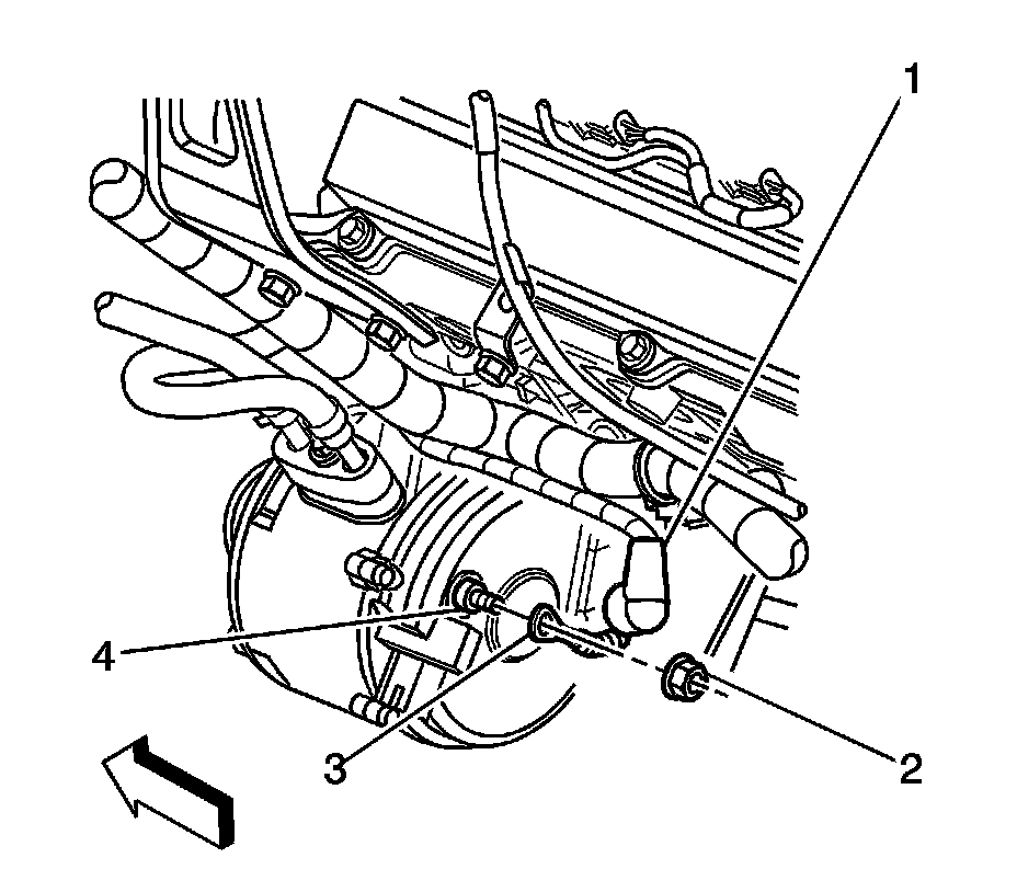
11. Disconnect the battery positive/starter cable from the generator:

1. Slide the boot (1) back along the cable.
2. Remove the battery positive/starter cable nut (2).
3. Remove the battery positive/starter cable terminal (3) from the stud (4).




12. Remove the positive battery cable routing clip bolt (1) securing the cable and clip to the front of the engine.
13. Remove the battery positive and negative cable assembly.

Installation Procedure

1. Install the battery positive and negative cable assembly.





Caution: Refer to Fastener Caution (Fastener Caution).

2. Connect the battery positive/starter/generator cable to the generator.

1. Install the cable terminal (3) on the generator stud (4). The wire should be between the 2 and 4 o'clock position.
2. Install the terminal nut (2) and tighten to 20 Nm (15 lb ft).
3. Slide the boot (1) back into place over the stud (4) and the nut (2).




3. Install the positive battery cable routing clip bolt (1) into the cable retaining clip and attach to the front of the engine. Tighten the bolt to 35 Nm (26 lb ft).





Note: Ensure the engine harness leads are positioned on the solenoid prior to the positive cable terminal being installed.

4. Install the battery positive cable terminals and nut to the starter solenoid and tighten.

* Tighten the large nut (2) to 12 Nm (106 lb in).
* Tighten the small nut to 4 Nm (35 lb in).




5. Connect the starter jumper wiring harness (2) to the engine harness connector (1).
6. Install the supercharger. Refer to Supercharger Replacement (Supercharger Replacement).




7. Position the battery negative cable (1) and engine harness ground pack (2) to the right rear cylinder head and install the battery cable bolt (3). Tighten the battery negative cable routing clip bolt to 35 Nm (26 lb ft).
8. Position the battery negative cable to frame rail stud and install the negative battery cable to frame rail nut and tighten to 11 Nm (97 lb in).
9. Install the battery clips.
10. Position the positive battery cable lead to the fuse/relay center stud and install the positive battery cable nut and tighten to 12 Nm (106 lb in).
11. Close the stud cover on the fuse/relay center.




12. Connect the positive battery cable (2) to the battery (3) and tighten the nut (1) to 8 Nm (71 lb in).
13. Connect the negative battery cable. Refer to Battery Negative Cable Disconnection and Connection (Service and Repair).