Operation CHARM: Car repair manuals for everyone.
Manuals through 2025 now available!

Our trusted friends have launched a new website named LEMON, which has newer manuals. It also contains all the CHARM manuals.

LEMON is the spiritual successor to CHARM, I recommend you try it!

Link: lemon-manuals.la or lemon-manuals.org.ua

(Some people have issue connecting. LEMON is investigating. For now, use Firefox or change your DNS server)

Or, hide this message: temporarily or permanently

Steering Column Replacement




Steering Column Replacement

Special Tools

J 42640 Steering Column Lock Pin

Removal Procedure





Note: If the steering column connectors are disconnected with the ignition in the ON position, the body control module (BCM) will enter a fail enable mode and prevent steering column lock operations. The PCM will also inhibit vehicle motion by disabling fuel. To clear the BCM fail enable mode, disconnect the BCM #25 for 15 seconds.

1. Disable the SIR system. Refer to SIR Disabling and Enabling (Service and Repair).
2. Disconnect the battery. Refer to Battery Negative Cable Disconnection and Connection (Service and Repair).

Caution: The wheels of the vehicle must be straight ahead and the steering column in the LOCK position before disconnecting the steering column or intermediate shaft from the steering gear. Failure to do so will cause the SIR coil assembly to become uncentered, which may cause damage to the coil assembly.

3. Insert the J 42640 .




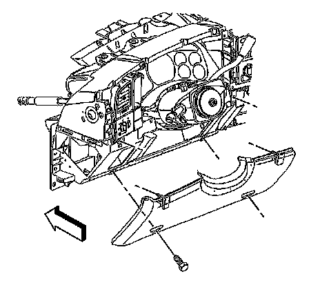
4. Remove the knee bolster panel. Refer to Driver Knee Bolster Bracket Replacement (Service and Repair).

Caution: Avoid damaging the steering column electronic lock harness by gently removing the plugs installed in the I/P beam. Do NOT twist, pull, bend, cut, or incorrectly route the harness. Damage to the harness will require replacement of the entire electronic lock.

5. Disconnect the steering column electrical connectors.




6. Remove the lower steering column shroud. Refer to Steering Column Trim Covers Replacement (Steering Column Trim Covers Replacement).
7. Remove the heater duct.
8. Remove the telescoping motor. Refer to Telescope Actuator Assembly Replacement (Service and Repair).
9. Remove the tilt motor and bracket assembly. Refer to Tilt Actuator Assembly Replacement (Tilt Actuator Assembly Replacement).
10. Remove the intermediate shaft to column through bolt.




11. Remove the mounting bolts (1, 2, 3, 4) from the steering column.

Caution: Once the steering column is removed from the vehicle, the column is extremely susceptible to damage. Dropping the column assembly on the end could collapse the steering shaft or loosen the plastic injections, which maintain column rigidity. Leaning on the column assembly could cause the jacket to bend or deform. Any of the above damage could impair the columns collapsible design. Do NOT hammer on the end of the shaft, because hammering could loosen the plastic injections, which maintain column rigidity. If you need to remove the steering wheel, refer to the Steering Wheel Replacement procedure in this section.

12. With the aid of an assistant, remove the steering column.

Installation Procedure




1. With the aid of an assistant, install the steering column.
2. Install the 2 of the steering column mounting bolts.
3. Install the pinch bolt for the intermediate shaft to steering column. Finger tighten the bolt only.





Caution: Refer to Fastener Caution (Fastener Caution).

4. Install the reminding steering column bolts and tighten in sequence to 24 Nm (18 lb ft).
5. Tighten the pinch bolt to specifications to 48 Nm (35 lb ft).
6. Install the tilt motor and bracket assembly. Refer to Tilt Actuator Assembly Replacement (Tilt Actuator Assembly Replacement).
7. Install the telescoping motor. Refer to Telescope Actuator Assembly Replacement (Service and Repair).
8. Reconnect the steering column electrical connectors.
9. Install the heater duct.




10. Install the lower steering column shroud. Refer to Steering Column Trim Covers Replacement (Steering Column Trim Covers Replacement).




11. Install the knee bolster panel. Refer to Driver Knee Bolster Bracket Replacement (Service and Repair).
12. Remove the J 42640 .
13. Reconnect the battery. Refer to Battery Negative Cable Disconnection and Connection (Service and Repair).
14. Enable the SIR system. Refer to SIR Disabling and Enabling (Service and Repair).