Operation CHARM: Car repair manuals for everyone.
Manuals through 2025 now available!

Our trusted friends have launched a new website named LEMON, which has newer manuals. It also contains all the CHARM manuals.

LEMON is the spiritual successor to CHARM, I recommend you try it!

Link: lemon-manuals.la or lemon-manuals.org.ua

(Some people have issue connecting. LEMON is investigating. For now, use Firefox or change your DNS server)

Or, hide this message: temporarily or permanently

Control Solenoid Valve and Transmission Control Module Assembly Inspection




Control Solenoid Valve and Transmission Control Module Assembly Inspection

During transmission manufacturing and assembly, small pieces of material may become dislodged. This may also happen after the transmission has been in operation for a period of time. Because the transmission control solenoid (w/body and TCM) valve assembly is continually immersed in transmission oil, material particles or slivers of metallic debris may become deposited on the control solenoid (w/body and TCM) valve assembly. Often this material is very small and can be hard to see. For this reason, it is important that the control solenoid (w/body and TCM) valve assembly be thoroughly inspected.

A thorough inspection of the control solenoid (w/body and TCM) valve assembly should include the following:

* Clean inspection area - Like all transmission service work, cleanliness is very important. Be sure the area where you are inspecting is free of dust and dirt. Have non-glossy white or lightly colored paper down on the inspection surface. This will enhance the lighting and help to see particles that have come from the control solenoid (w/body and TCM) valve assembly.
* Lighting - Good lighting is necessary for a thorough inspection. If shop lighting is limited, use natural light. A second source of lighting, such as a penlight, is helpful for close examination. A magnifying glass can also be helpful to see into difficult places.
* Cleaning - Clean shop air may be used for spot cleaning as long as the debris can be removed with out it becoming lodged somewhere else. It is best to rinse or flush particles away with GM Brake Parts Cleaner. Do not use a cloth rag to wipe the control solenoid (w/body and TCM) valve assembly, as it could leave lint behind.

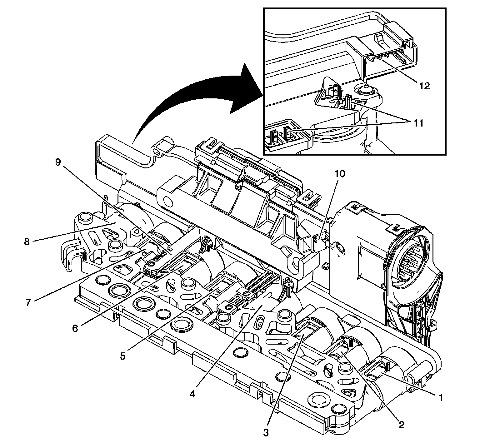
Control Solenoid (w/Body and TCM) Valve Assembly Housing and Filter Plate





Important: At the end of the inspection process where debris is found, it is required the transmission fluid and filter be replaced. Any time the control solenoid (w/body and TCM) valve assembly has been removed, it is mandatory the filter plate assembly (3) be replaced.


1. Inspect the control solenoid (w/body and TCM) valve assembly housing (1) for damage, cracks, or parting seam (4) separation. Inspect all housing lock tabs (2). Any defect will need to be evaluated for critical operation. Ensure all screws along the control solenoid (w/body and TCM) valve assembly housing are present. Remove and closely examine the filter plate assembly (3) for sediment or debris attached to the screen. If sediment or debris is found on the filter screen, be sure to inspect the solenoid supply or control ports that correspond to location of the debris on the filter plate screen. Inspect the filter plate gasket for proper sealing. If poor sealing is found, be sure to inspect the affected solenoid fluid port entrance and exit for sediment or debris deposits. Thoroughly flush the solenoid cavity with GM Brake Parts Cleaner and replace the filter plate assembly (3). It is not necessary to remove all clutch plate soot from the entire surface of the control solenoid (w/body and TCM) valve assembly housing. Inspect the control solenoid (w/body and TCM) valve assembly filter plate retaining tabs (7). Broken or missing tabs do not require the control solenoid (w/body and TCM) valve assembly be replaced. The filter plate can still be adequately aligned using the bolt hole sleeves. Early design control solenoid (w/body and TCM) valve assembly use four filter plate retaining tabs (7).
2. Examine the 16-way connector (5) cavity for material that could make contact between the electrical pins. Also, look for bent or loose connector pins and ensure the connector lock (6) is functioning and is in good condition.

Control Solenoid (w/Body and TCM) Valve Assembly Inspection - Solenoids, Sensors, and Contacts




1 - Pressure Control Solenoid 3 (PCS3)
2 - Pressure Control Solenoid 4 (PCS4)
3 - Pressure Control Solenoid 2 (PCS2)
4 - Shift Solenoid 2 (SS2)
5 - Torque Converter Clutch (TCC) Solenoid
6 - Pressure Control Solenoid 5 (PCS5)
7 - Pressure Control Solenoid 1 (PCS1)
8 - Shift Solenoid 1 (SS1)
9 - Transmission Fluid Temperature (TFT) Sensor
10 - Input Speed Sensor/Output Speed Sensor (ISS/OSS) Connector
11 - Solenoid Electrical Contact Leads
12 - Internal Mode Switch (IMS) Connector

1. With the filter plate removed, the control solenoid valve assemblies (1-8) can be inspected. Closely examine the solenoid electrical contact lead solder connections (11). Look for material that could make contact between the electrical leads. This is where material particles, metallic slivers, debris or sediment can collect. Carefully inspect all sixteen solenoid electrical contact leads (11) for build up of material that could form an electrical short. Inspect the solenoid contact leads (11) for terminal separation or weak solder joints. Thoroughly flush away all debris with GM Brake Parts Cleaner.
2. Inspect the transmission fluid temperature (TFT) sensor (9), the input speed sensor/output speed sensor (ISS/OSS) connector (10), and the internal mode switch (IMS) connector (12). Look inside the connector cavities for material that could make contact between the electrical pins. Also look for bent or loose electrical pins. If the TFT sensor (9) is heavily coated with clutch soot, rinse with GM Brake Parts Cleaner.

Control Solenoid (w/Body and TCM) Valve Assembly Supply and Control Fluid Inspection




1 - Shift Solenoid 1 Supply Port
2 - Shift Solenoid 1 Control Port
3 - Line Pressure Control Solenoid 1 Control Port
4 - Line Pressure Control Solenoid 1 Supply Port
5 - Pressure Control Solenoid 5 Supply Port
6 - Pressure Control Solenoid 5 Control Port
7 - TCC Pressure Control Solenoid Control Port
8 - TCC Pressure Control Solenoid Supply Port
9 - Shift Solenoid 2 Supply Port
10 - Shift Solenoid 2 Control Port
11 - Pressure Control Solenoid 2 Control Port
12 - Pressure Control Solenoid 2 Supply Port
13 - Pressure Control Solenoid 4 Supply Port
14 - Pressure Control Solenoid 4 Control Port
15 - Pressure Control Solenoid 3 Control Port
16 - Pressure Control Solenoid 3 Supply Port
17 - Transmission Fluid Pressure (TFP) Switch 5
18 - Transmission Fluid Pressure (TFP) Switch 3
19 - Transmission Fluid Pressure (TFP) Switch 1
20 - Transmission Fluid Pressure (TFP) Switch 4
21 - TFP Switch Membrane
22 - TFP Switch Gasket

1. With the filter plate removed, the control solenoid valve fluid supply and control ports (1-16) can be inspected. Solenoid openings are identified in the illustration. Inspect the following supply and control opening for material particles, metallic slivers, debris, or sediment. Look into solenoid fluid supply openings 1, 4, 5, 8, 9, 12, 13, and 16. Look inside the solenoid fluid control ports 2, 3, 6, 7, 10, 11, 14 and 15. If sediment or debris is found in any one of these port openings, look for holes or tears in the filter plate screen. The filter plate gasket may be leaking caused by a torn gasket, poor sealing, or a deformed plate. As necessary, thoroughly flush away all debris in the supply and control fluid ports with GM Brake Parts Cleaner.
2. Inspect the four transmission fluid pressure (TFP) switches (17-20) for trapped debris or sediment. Any sediment or debris found under a switch membrane requires the control solenoid (w/body and TCM) valve assembly to be replaced. Check all TFP switch membranes (21) for cracks, cuts or pin holes. Ensure all TFP switch gaskets (22) are secure and are not deformed, torn, or improperly seated. As necessary, thoroughly rinse debris and sediment from the top of the switches. It is not necessary to remove the clutch plate soot from the entire surface of the control solenoid (w/body and TCM) valve assembly housing.