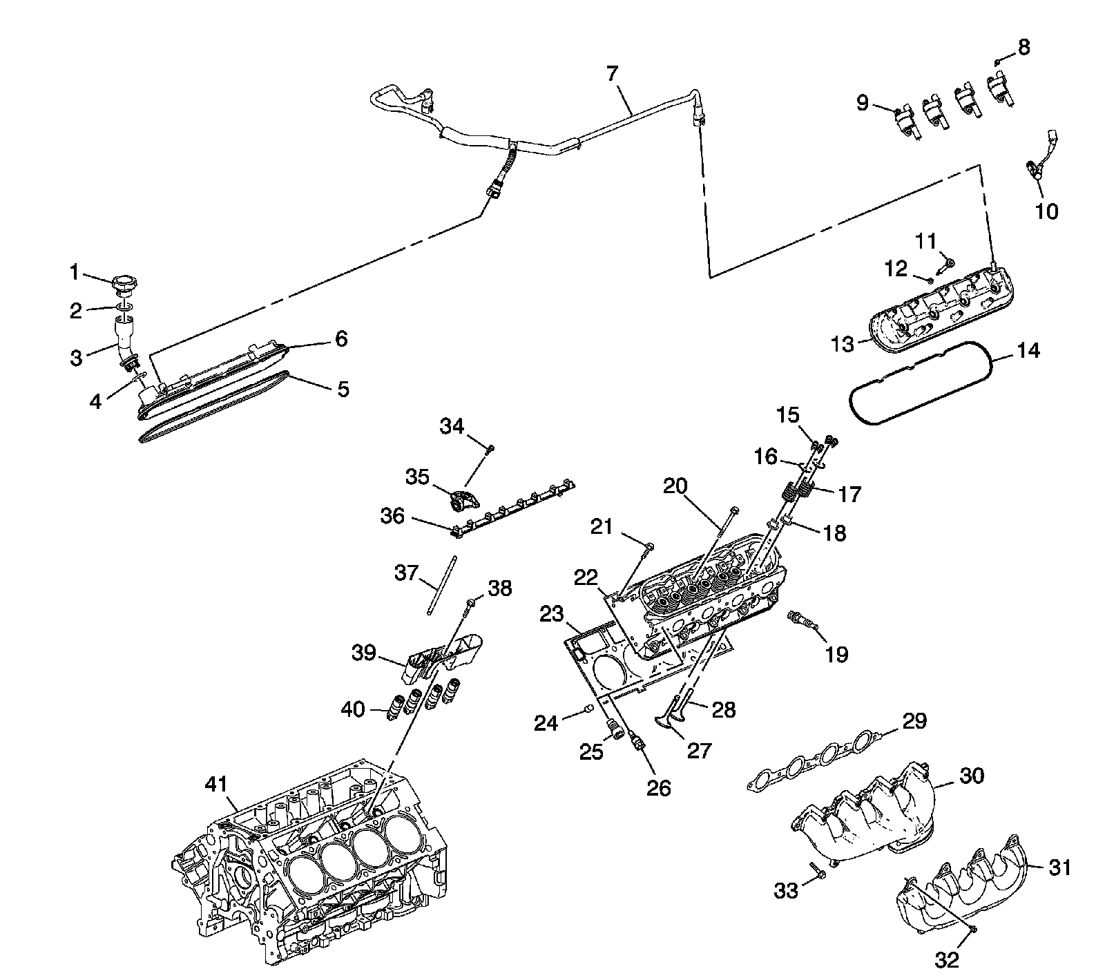
Disassembled Views (Engine)
Disassembled Views
Cylinder Head/Upper Engine
1 - Oil Cap
2 - Oil Cap O-ring Seal
3 - Oil Fill Tube
4 - Oil Fill Tube O-ring Seal
5 - Valve Rocker Arm Cover Gasket
6 - Valve Rocker Arm Cover
7 - Positive Crankcase Ventilation (PCV) Tube - Fresh Air
8 - Bolt
9 - Ignition Coil
10 - Spark Plug Wire
11 - Bolt
12 - Bolt Grommet
13 - Valve Rocker Arm Cover
14 - Valve Rocker Arm Cover Gasket
15 - Valve Stem Key
16 - Valve Spring Cap
17 - Valve Spring
18 - Valve Stem Oil Seal
19 - Spark Plug
20 - Cylinder Head Bolt - M11
21 - Cylinder Head Bolt - M8
22 - Cylinder Head
23 - Cylinder Head Gasket
24 - Cylinder Head Locating Pin
25 - Cylinder Head Plug
26 - Coolant Temperature Sensor
27 - Exhaust Valve
28 - Intake Valve
29 - Exhaust Manifold Gasket
30 - Exhaust Manifold
31 - Exhaust Manifold Heat Shield
32 - Exhaust Manifold Heat Shield Bolt
33 - Exhaust Manifold Bolt
34 - Bolt
35 - Valve Rocker Arm
36 - Valve Rocker Arm Pivot Support
37 - Valve Pushrod
38 - Bolt
39 - Valve Lifter Guide
40 - Valve Lifter
41 - Engine Block