Alignment: Testing and Inspection
Trim Height Inspection
Note: Before performing any of the following adjustment procedures, inspect the entire suspension system for worn or damaged suspension components. Replace those components before any measurements or adjustments are performed. Also check for any collision damage.
Trim Height Measurements
Trim height is a predetermined measurement relating to vehicle ride height. Incorrect trim heights can cause the vehicle to bottom over bumps, damage to the suspension components, and symptoms similar to wheel alignment problems. Check the trim heights when diagnosing suspension concerns and before checking the wheel alignment.
Perform the following before measuring the trim heights:
* Ensure the vehicle is on a level surface, such as an alignment rack.
* Set the tire pressures to the pressure shown on the certification label. Refer to Vehicle Certification, Tire Placard, Anti-Theft, and Service Parts ID Label Vehicle Certification, Tire Placard, Anti-Theft and Service Parts ID Label.
* Ensure that the suspension is fully supporting the vehicle.
* If the vehicle is equipped with automatic level control, ensure that the system is functioning properly.
* Check for installed after market accessories or modifications that could affect trim height measurements:
- Tire and wheel sizes other than production
- Lifting or lowering kits
- Wheel Opening Flares
- Ground Effects
* Ensure that the passenger and rear compartments are empty, except for the spare tire.
* Check the fuel level. Add additional weight if necessary to simulate a full tank of fuel. (One U.S. gallon of gasoline weighs approximate 6.5 lbs. One liter of gasoline weighs 0.70 kg.)
* Close all doors, lift gate/trunk and the hood.
* Remove the alignment rack floating pins.
Z Height Measurement
Note: For vehicles equipped with torsion bars, check the Z height before performing the alignment.
The Z height dimension measurement determines the proper ride height for the front end of the vehicle. Vehicles equipped with torsion bars use adjust arms in order to adjust the Z height dimension. Vehicles without torsion bars have no adjustment and could require replacement of suspension components.
1. Jounce the front suspension of the vehicle by pushing the vehicle down and lifting up.
2. Allow the vehicle to settle and take a measurement.
Note: Perform steps 3-9 for both sides of the vehicle.
3. Point A is the contact surface of the steering knuckle for the levels.
4. Set the top edge of the level on the reference surface of the steering knuckle (C) and extend the level directly under the front end of the front attachment bolt of the lower control arm (A).
5. While keeping the level in contact with the knuckle reference surface, adjust the level up/down until the bubble indicates it is horizontally level.
6. Measure the distance between the center of the bolt and the top of the level for your first measurement
7. Keep the top edge of the level on the reference surface of the steering knuckle (C) and move the level directly under the rear end of the rear attachment bolt of the lower control arm (B).
8. Measure the distance between the center of the bolt and the top of the level for your second measurement.
9. Average the measurements between the step 6 and step 8.
10. Record the measurement.
Z Height Adjustment
1. For vehicles equipped with a torsion bar suspension, turn the bolt (1) that contacts the torsion bar adjusting arm as needed.
2. For vehicles without torsion bars, replace worn or damaged components as necessary.
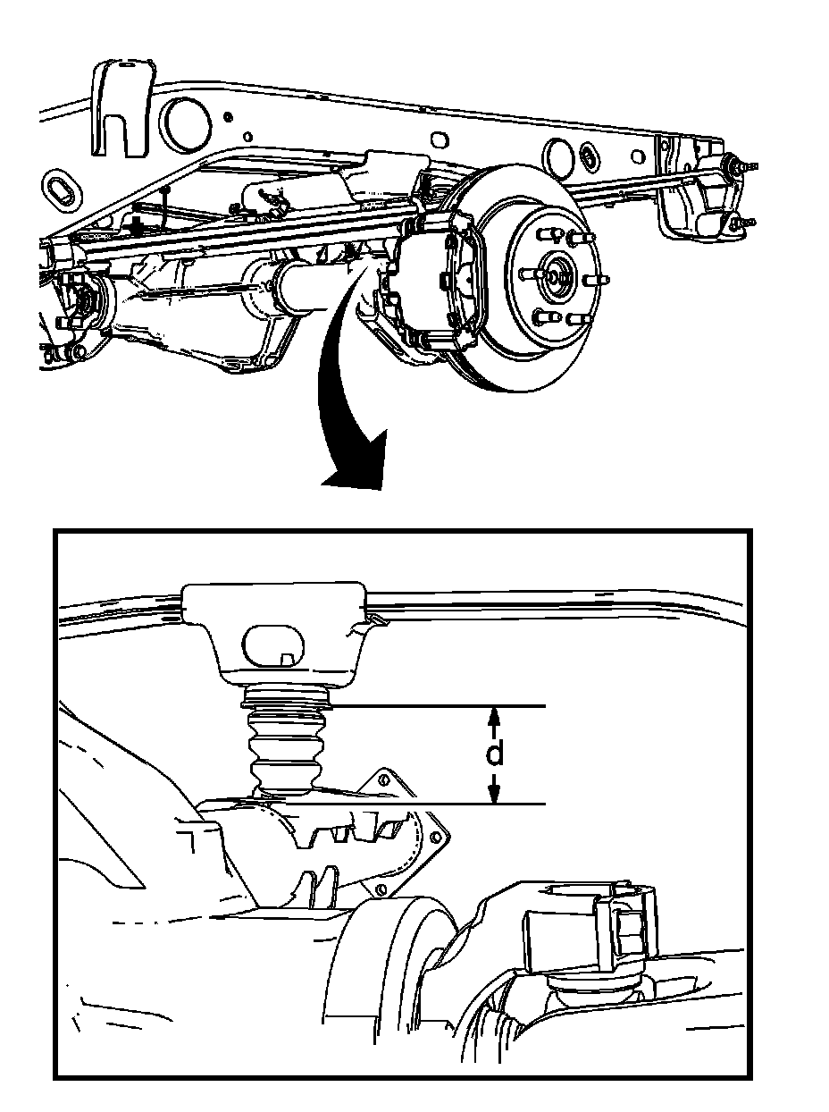
D Height Measurement
1. Jounce the rear suspension of the vehicle by pushing the vehicle down and lifting up.
2. Allow the vehicle to settle and take a measurement.
3. For the Avalanche/Escalade/Tahoe/Suburban/Yukon vehicles, measure the (D) height from the jounce bumper cup to the rear axle pad. Refer to Trim Height Specifications Trim Height Specifications.
4. For the 1500 series Sierra/Denali/Silverado pick up trucks, measure the (D) height from the jounce bumper cup to the rear axle pad. Refer to Trim Height Specifications Trim Height Specifications.
5. For the 2500/3500 Sierra/Silverado pick up trucks, measure the (D) height from the jounce bumper cup to the rear axle pad. Refer to Trim Height Specifications Trim Height Specifications.
6. If any of these measurements are out of specifications, inspect for the following conditions:
* Worn or damaged suspension components
* Collision damage