Operation CHARM: Car repair manuals for everyone.
Manuals through 2025 now available!

Our trusted friends have launched a new website named LEMON, which has newer manuals. It also contains all the CHARM manuals.

LEMON is the spiritual successor to CHARM, I recommend you try it!

Link: lemon-manuals.la or lemon-manuals.org.ua

(Some people have issue connecting. LEMON is investigating. For now, use Firefox or change your DNS server)

Or, hide this message: temporarily or permanently

Electrical Diagrams



Engine Controls Schematics

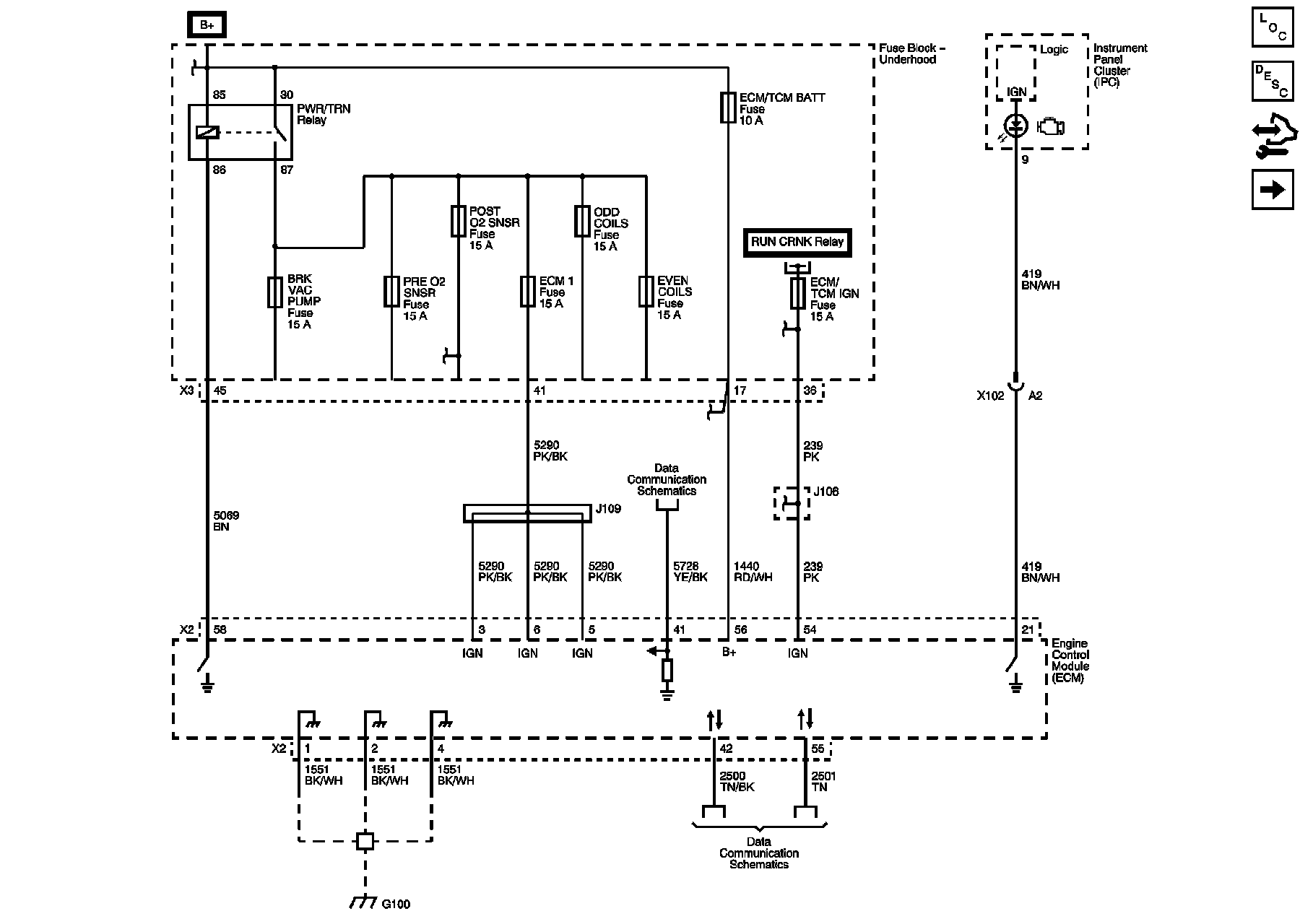
ECM Power, Ground, DLC, and MIL






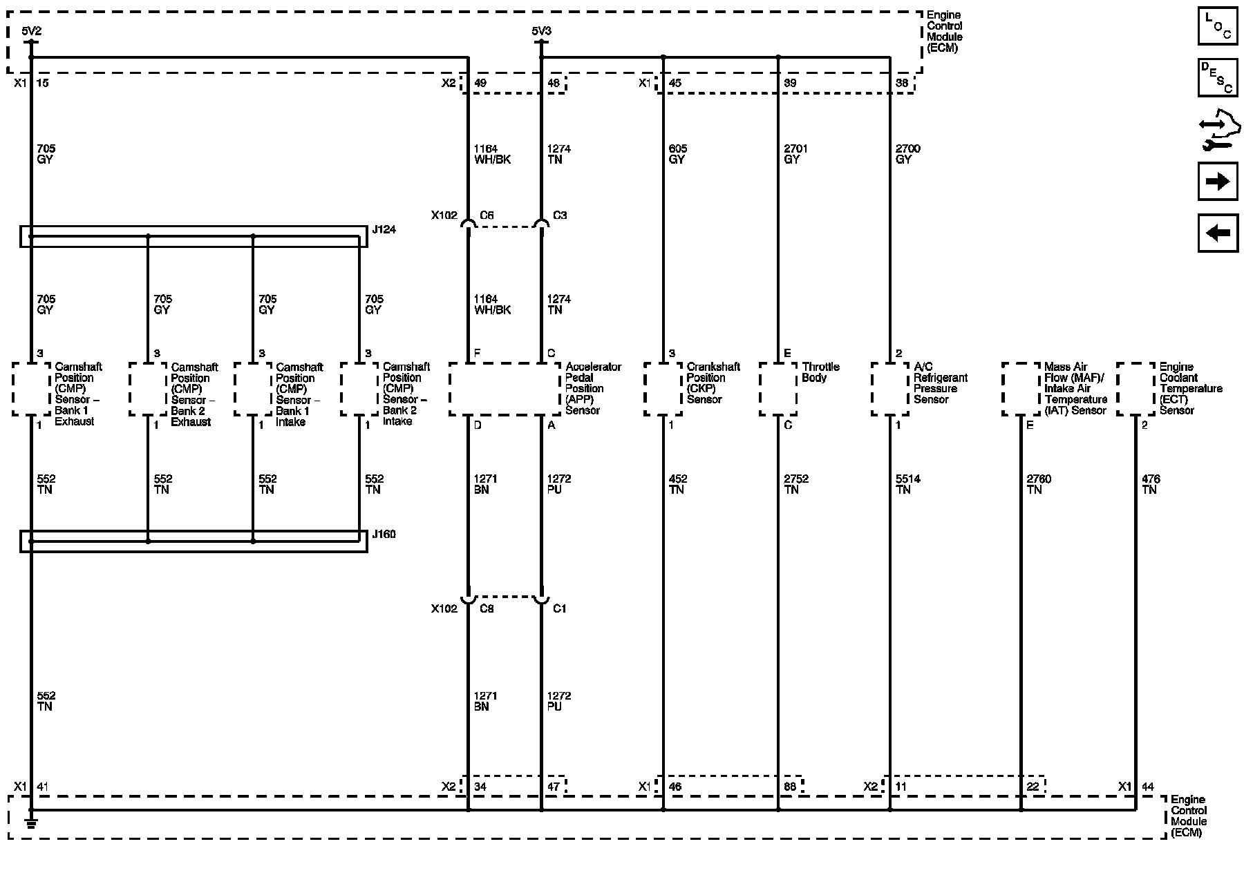
Engine Data Sensors - 5-Volt and Low Reference Bus (1 of 2)






Engine Data Sensors - 5-Volt and Low Reference Bus (2 of 2)






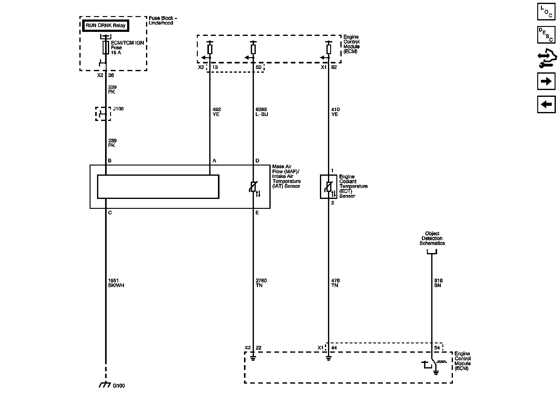
Engine Data Sensors - MAF, Temperature






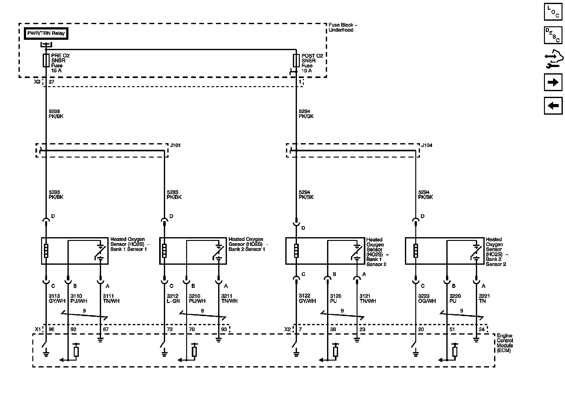
Engine Data Sensors - Oxygen Sensors






Engine Data Sensors - Electronic Throttle Controls






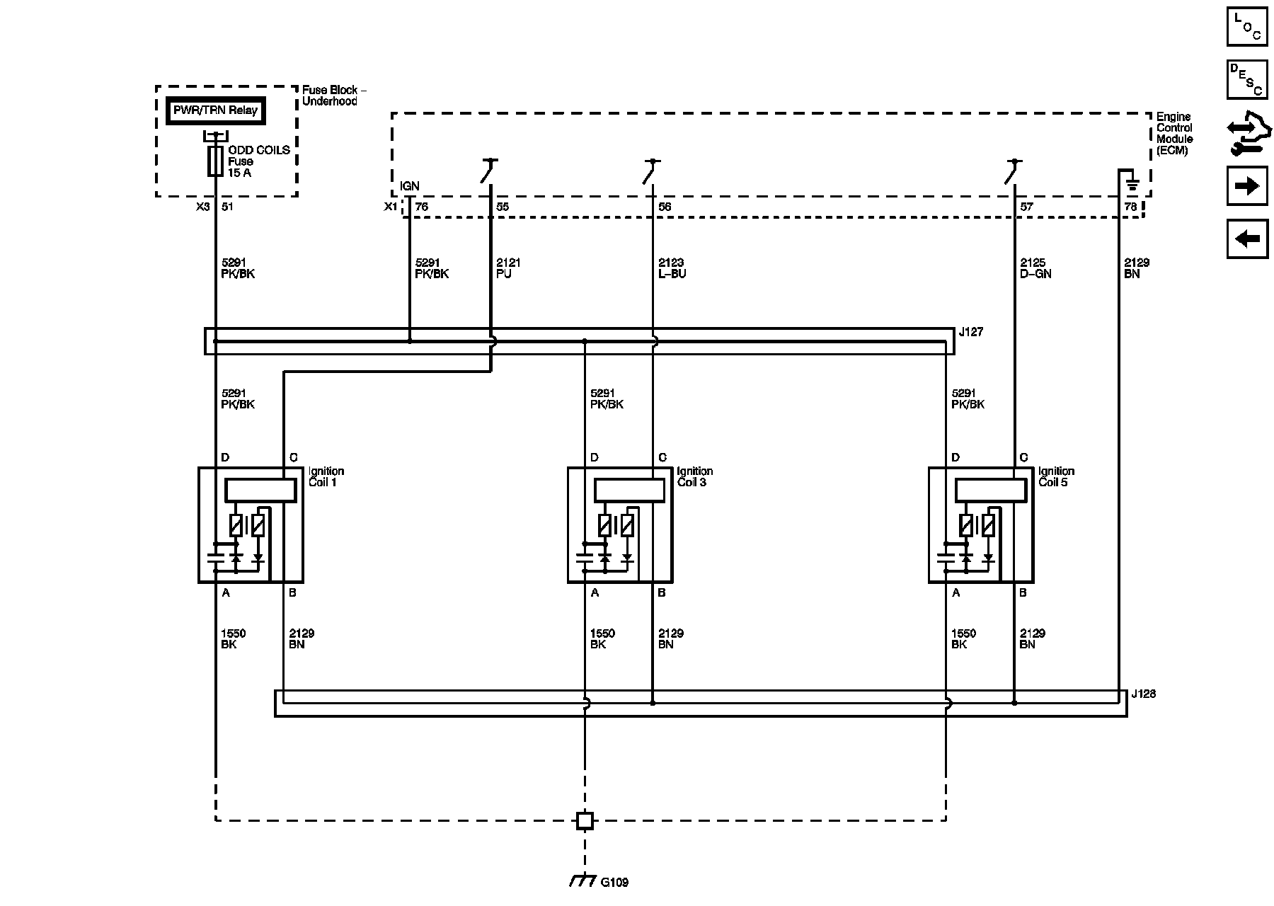
Ignition Controls - Bank 1 Ignition Coils






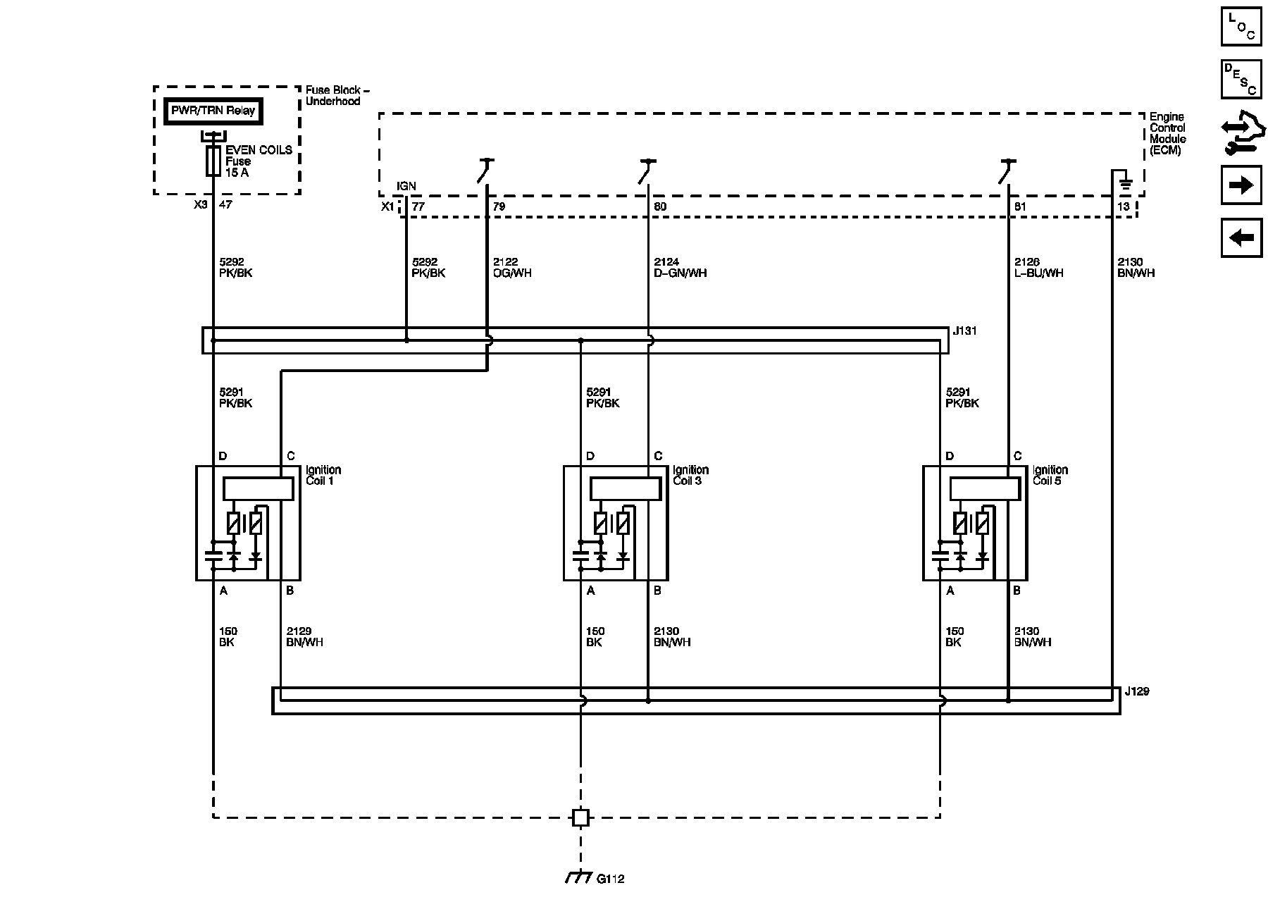
Ignition Controls - Bank 2 Ignition Coils






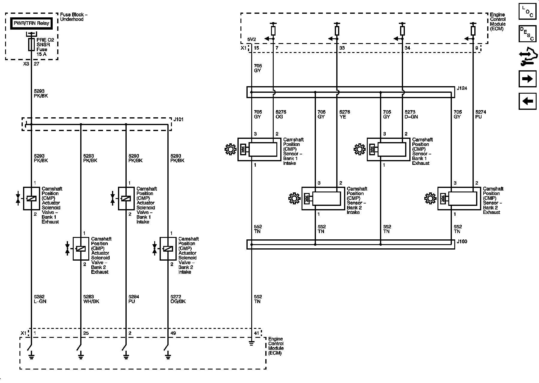
Ignition Controls - CMP Sensors and Solenoids






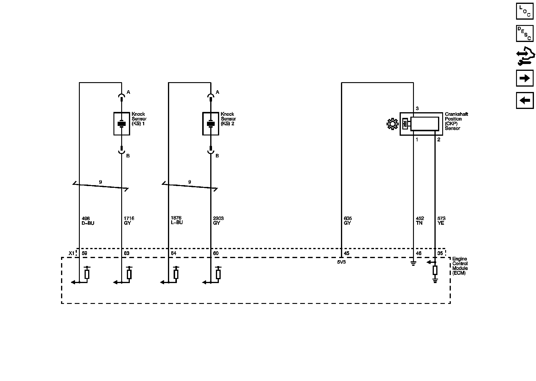
Ignition Controls - CKP Sensor and Knock Sensors






Fuel Controls - Fuel Injectors, Fuel Rail Pressure Sensor and High Pressure Fuel Pump Actuator






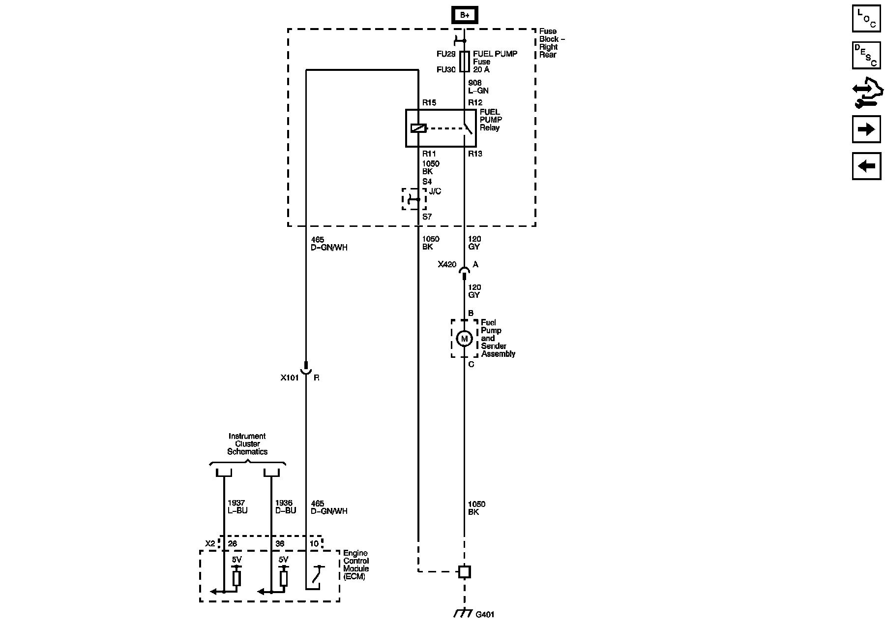
Low Pressure Fuel Pump






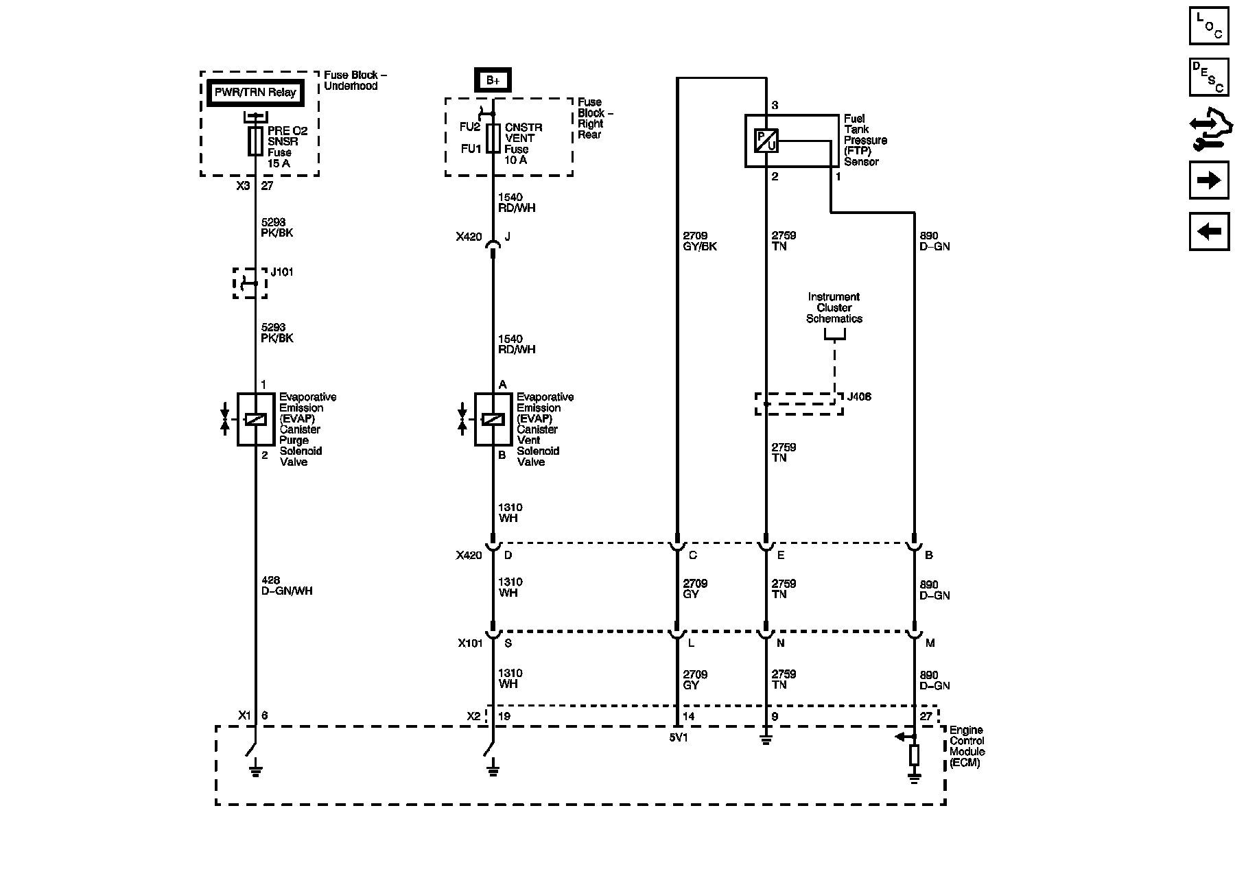
Fuel Controls - EVAP Controls






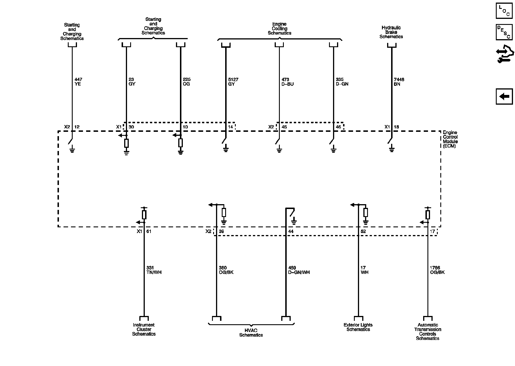
Controlled/Monitored Subsystem References