Operation CHARM: Car repair manuals for everyone.
Manuals through 2025 now available!

Our trusted friends have launched a new website named LEMON, which has newer manuals. It also contains all the CHARM manuals.

LEMON is the spiritual successor to CHARM, I recommend you try it!

Link: lemon-manuals.la or lemon-manuals.org.ua

(Some people have issue connecting. LEMON is investigating. For now, use Firefox or change your DNS server)

Or, hide this message: temporarily or permanently

Battery Negative Cable Replacement (With Side Post)




Battery Negative Cable Replacement (LLT With Side Post)

Removal Procedure

Note:
* Always use replacement cables that are of the same type, diameter and length of the cables that you are replacing.
* Always route the replacement cable the same as the original cable.




1. Disconnect the negative battery cable. Refer to Battery Negative Cable Disconnection and Connection (With Side Post) (Battery Negative Cable Disconnection and Connection (With Side Post))Battery Negative Cable Disconnection and Connection (With Top Post) (Battery Negative Cable Disconnection and Connection (With Top Post)).
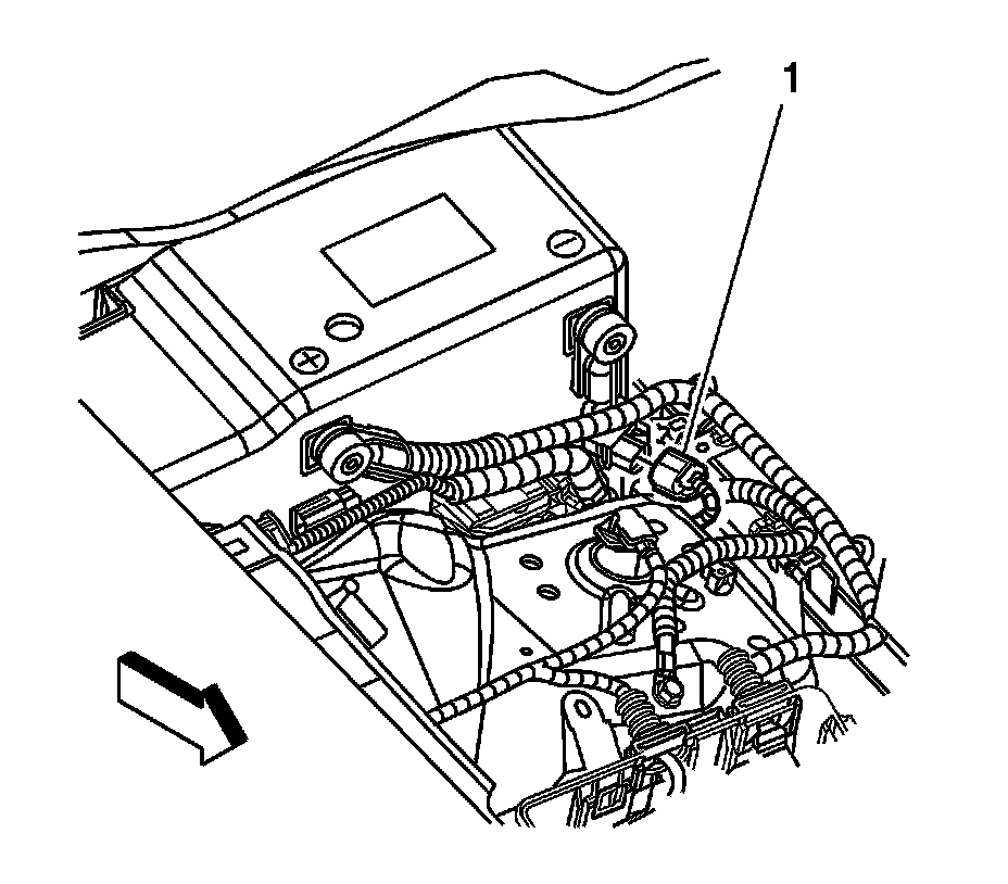
2. Disconnect the instrument panel (I/P) harness electrical connector (1) from the battery current sensor.




3. Remove the bolt (1) securing the negative battery cable to the side rail.
4. Disconnect the body harness connector (3) from the negative battery cable.




5. Remove the stud securing the negative battery cable to the engine block.
6. Lower the vehicle.
7. Remove the negative battery cable.

Installation Procedure




1. Install and position the negative battery cable.

Caution: Refer to Fastener Caution (Fastener Caution).

2. Install the negative battery cable to engine block stud and tighten to 50 Nm (37 lb ft).




3. Install the bolt (1) securing the negative battery cable to the side rail and tighten to 36 Nm (27 lb ft).
4. Connect the body harness connector (3) to the negative battery cable.




5. Connect the I/P harness electrical connector (1) to the battery current sensor.
6. Connect the negative battery cable. Refer to Battery Negative Cable Disconnection and Connection (With Side Post) (Battery Negative Cable Disconnection and Connection (With Side Post))Battery Negative Cable Disconnection and Connection (With Top Post) (Battery Negative Cable Disconnection and Connection (With Top Post)).