Operation CHARM: Car repair manuals for everyone.
Manuals through 2025 now available!

Our trusted friends have launched a new website named LEMON, which has newer manuals. It also contains all the CHARM manuals.

LEMON is the spiritual successor to CHARM, I recommend you try it!

Link: lemon-manuals.la or lemon-manuals.org.ua

(Some people have issue connecting. LEMON is investigating. For now, use Firefox or change your DNS server)

Or, hide this message: temporarily or permanently

Windshield Washer Switch: Service and Repair




Windshield Wiper and Washer Switch Replacement

Removal Procedure




Warning: Refer to SIR Warning (SIR Warning).

1. Disable the SIR system. Refer to SIR Disabling and Enabling (Service and Repair).
2. Remove the steering column trim covers. Refer to Steering Column Trim Cover Replacement (Steering Column Trim Cover Replacement).
3. Remove the steering column wiring harness tie straps.
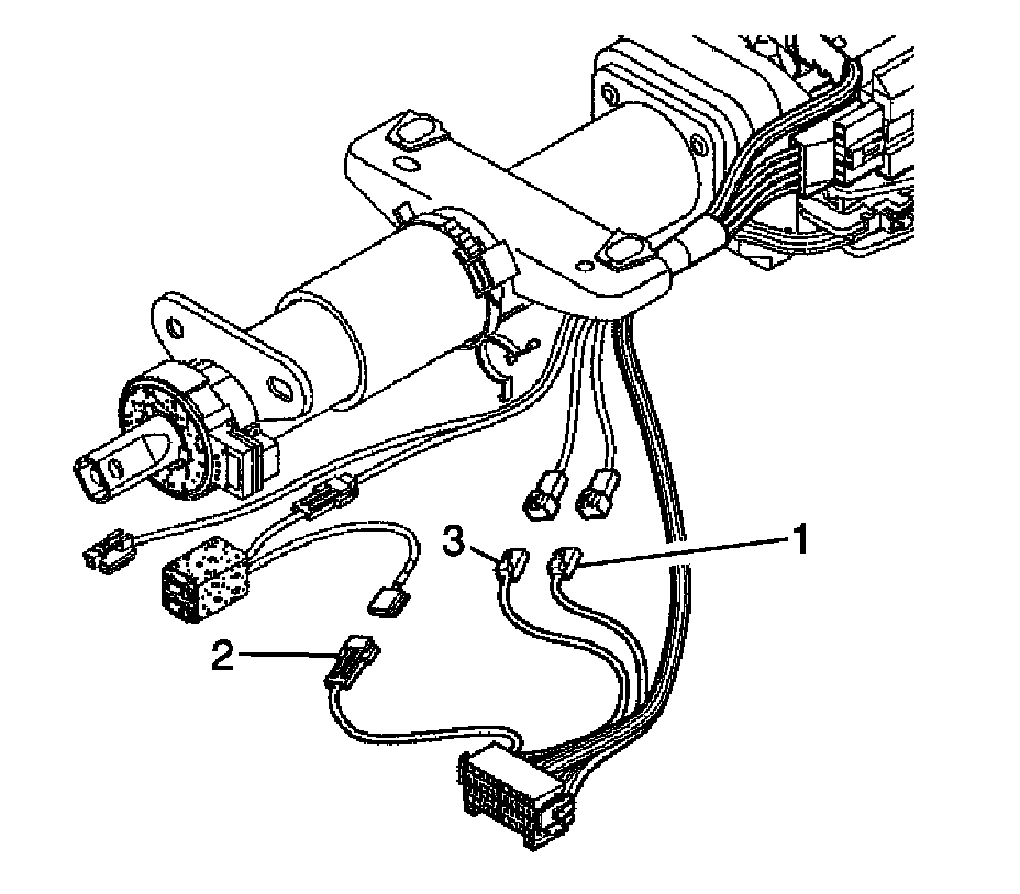
4. Disconnect the electrical connectors (1, 3) from the windshield and washer switch.




5. Depress the locking tab (2) on the windshield wiper and washer switch (1) and remove the switch from the steering column.

Installation Procedure




1. Install the windshield wiper and washer switch (1) to the steering column.




2. Connect the electrical connectors (1, 3) on the windshield wiper and washer switch.
3. Route and connect the electrical connector from the windshield wiper and washer switch.
4. Install the wiring harness tie straps.
5. Install the steering column trim covers. Refer to Steering Column Trim Cover Replacement (Steering Column Trim Cover Replacement).
6. Enable the SIR system. Refer to SIR Disabling and Enabling (Service and Repair).