Electrical Diagrams
Engine Controls Schematics
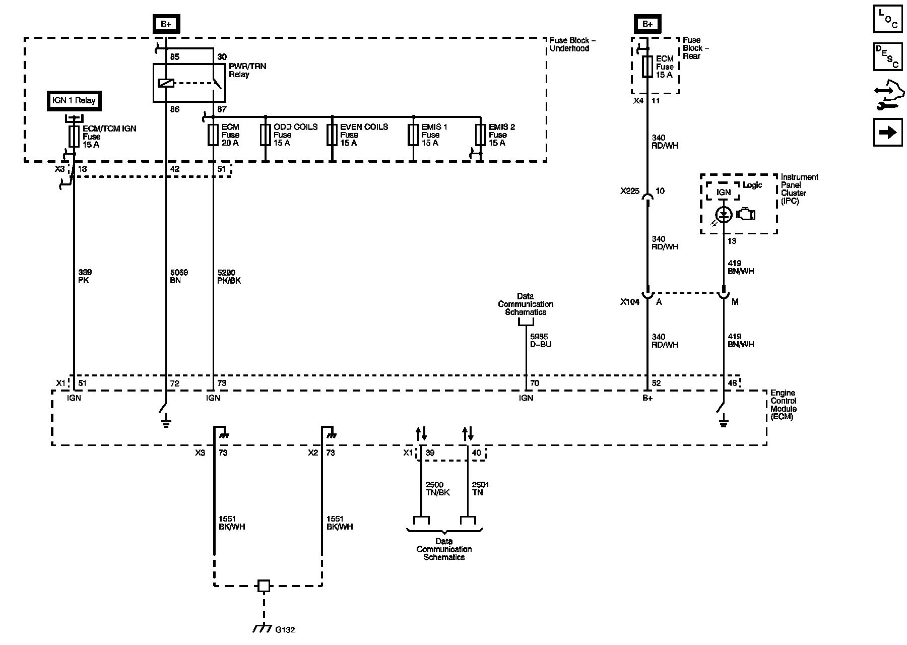
Module Power, Ground, Serial Data and MIL
5V1 and Low Reference Bus (1 of 2)
5V2, 5V3, 5V4, and 5V1 and Low Reference Bus (2 of 2)
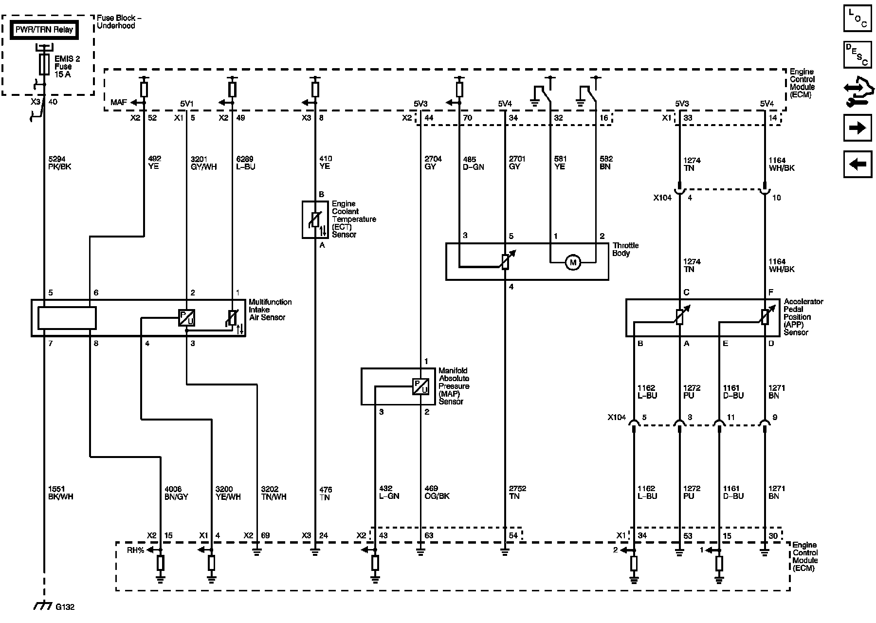
Engine Data Sensors - Pressure, Temperature, and Throttle Controls
Engine Data Sensors - Heated Oxygen Sensors
Ignition Controls - Ignition System Coils 1, 3 and 5
Ignition Controls - Ignition System Coils 2, 4 and 6
Ignition Controls - CKP, CMP, and Knock Sensors, CMP Actuators
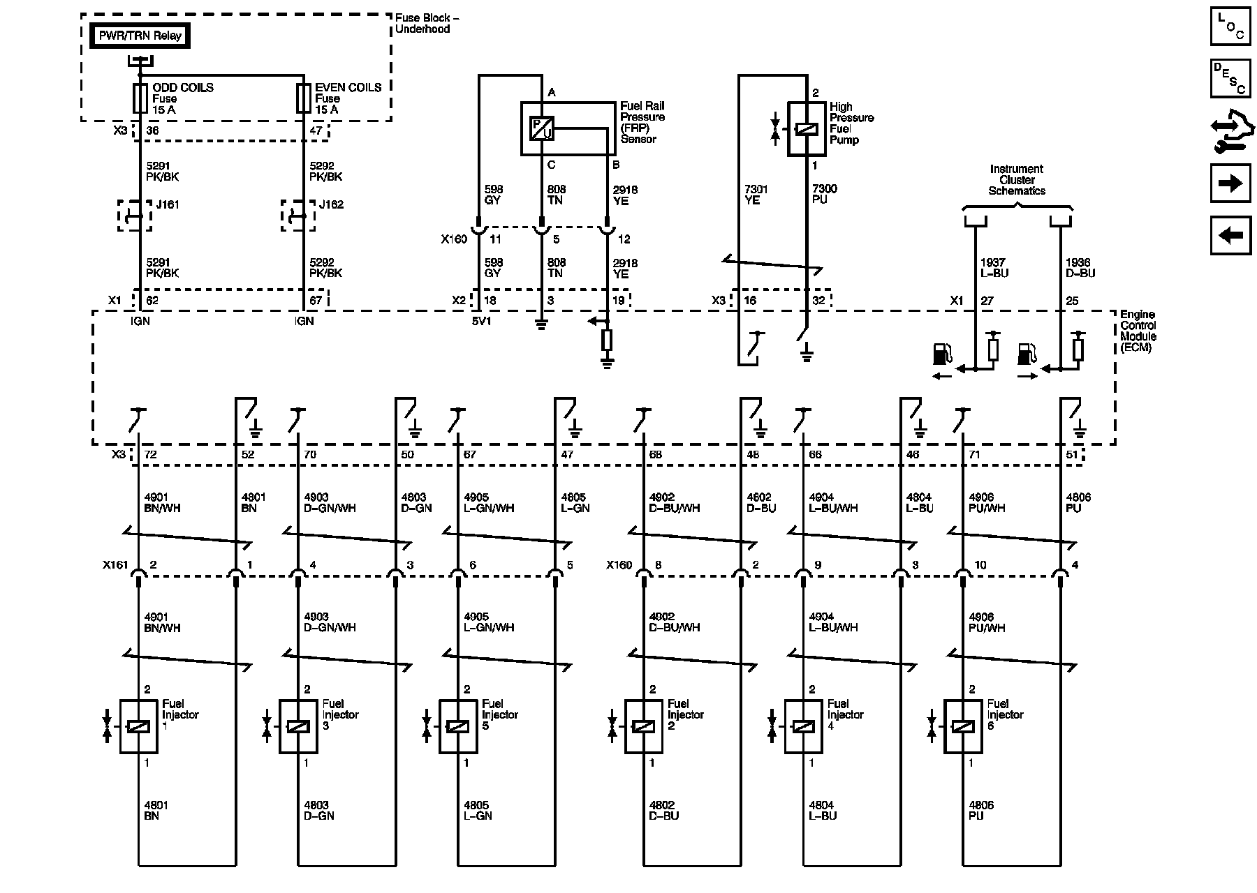
Fuel Controls - Fuel Injectors, FRP Sensor, and High Pressure Fuel Pump
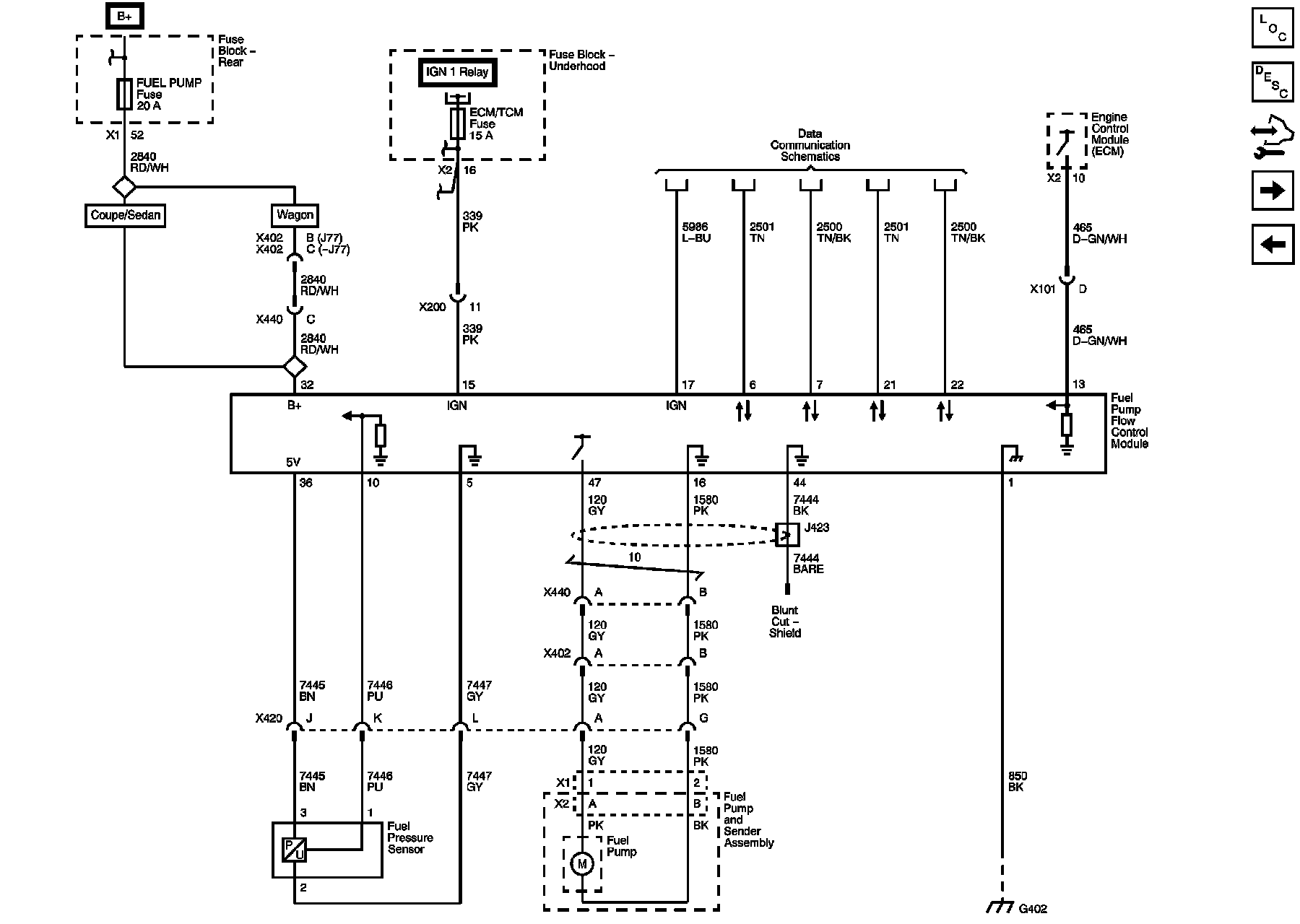
Fuel Controls - Fuel Pump Flow Control
Fuel Controls - EVAP Controls and FTP Sensor
Monitored/Controlled Subsystem References