Electrical Diagrams
Engine Controls Schematics
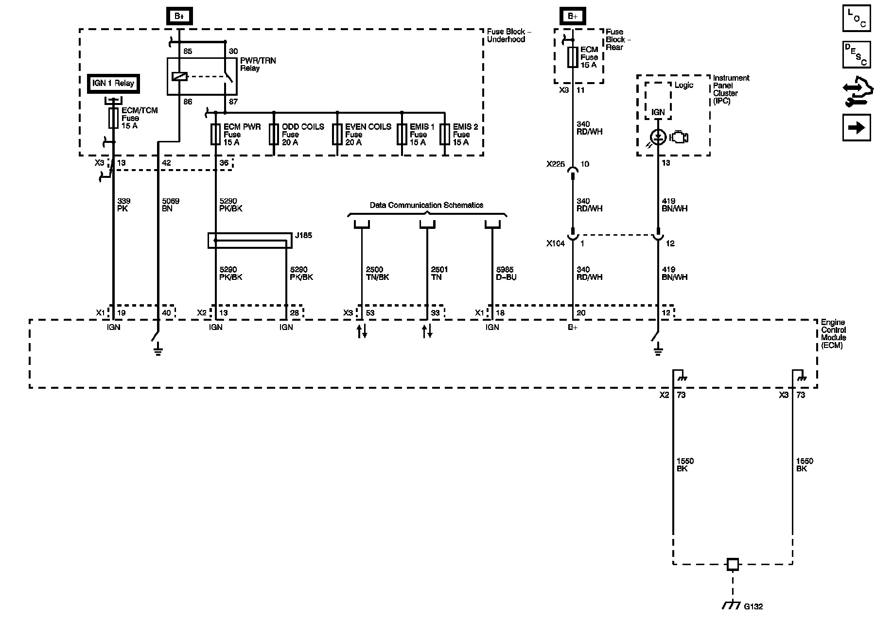
Module Power, Ground, Serial Data and MIL
5V1 and 5V2 Bus
Low Reference Bus
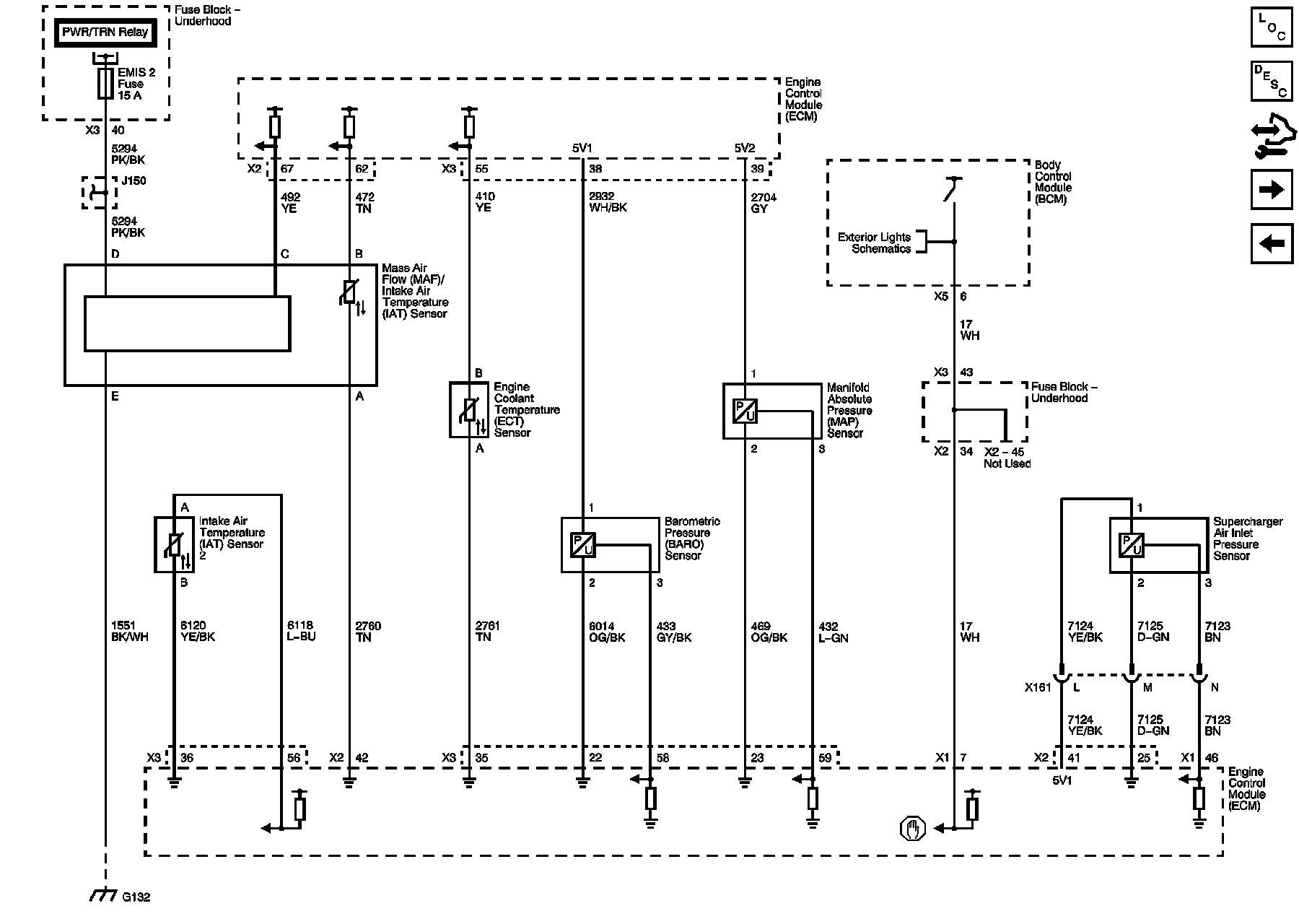
Engine Data Sensors - Pressure and Temperature
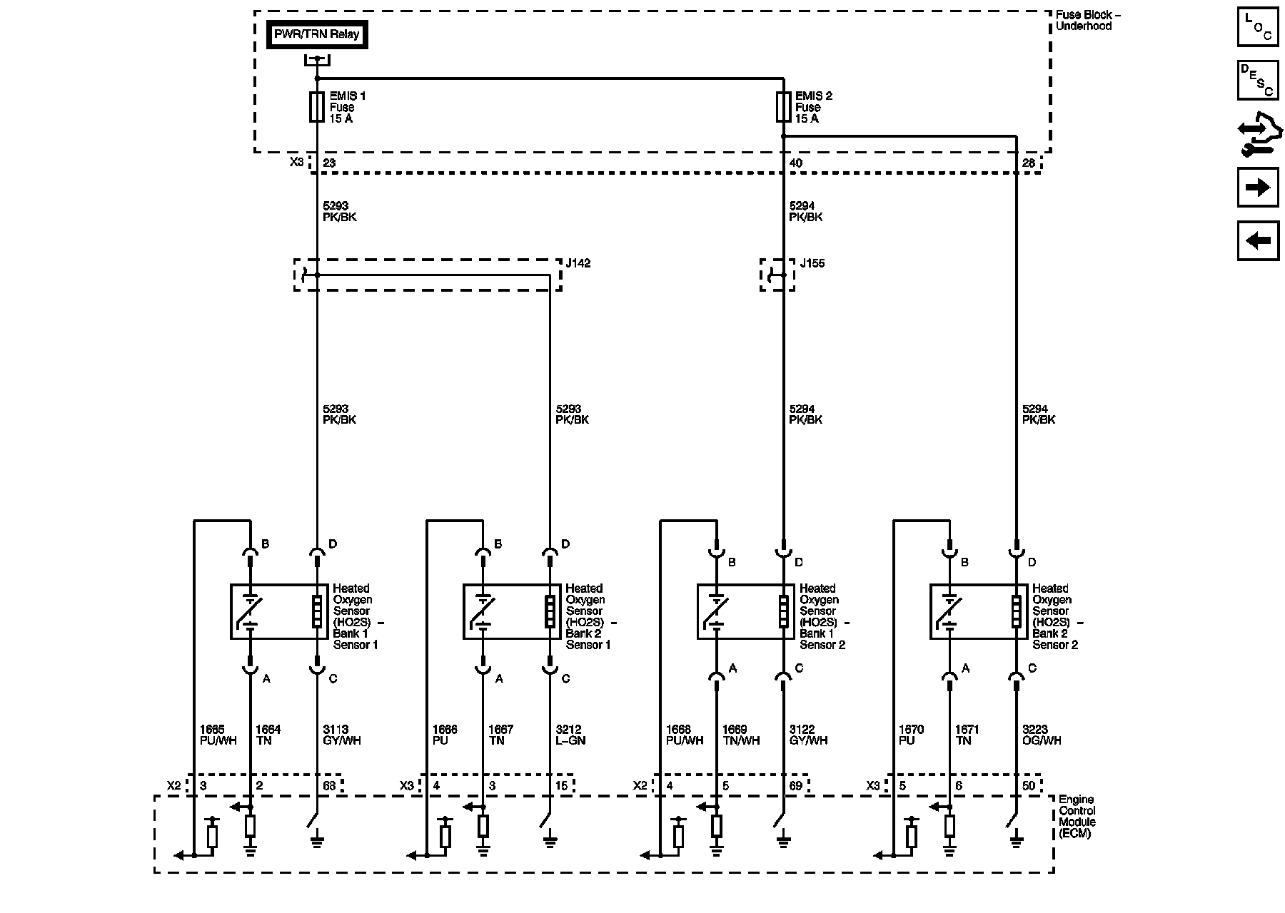
Engine Data Sensors - Heated Oxygen Sensors
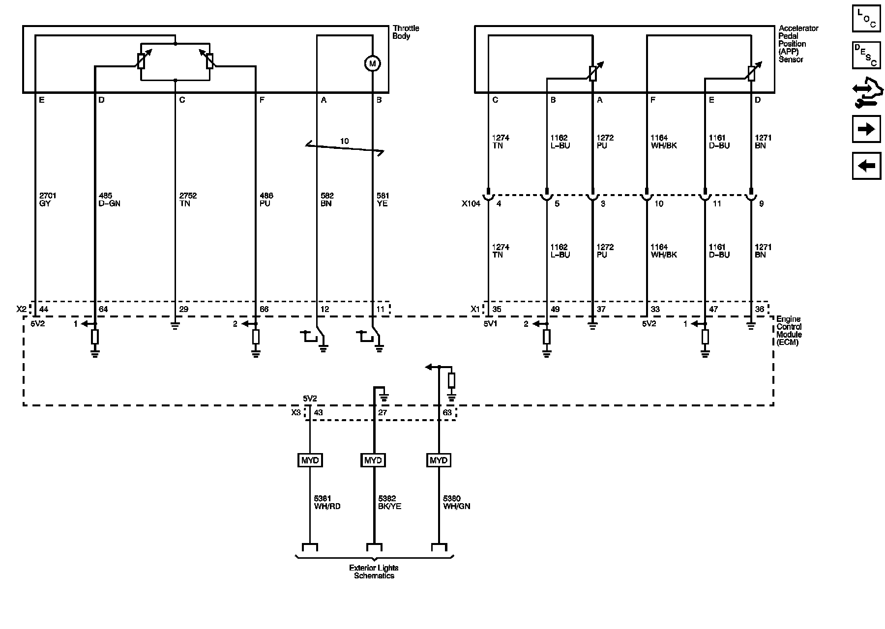
Engine Data Sensors - Electronic Throttle Controls
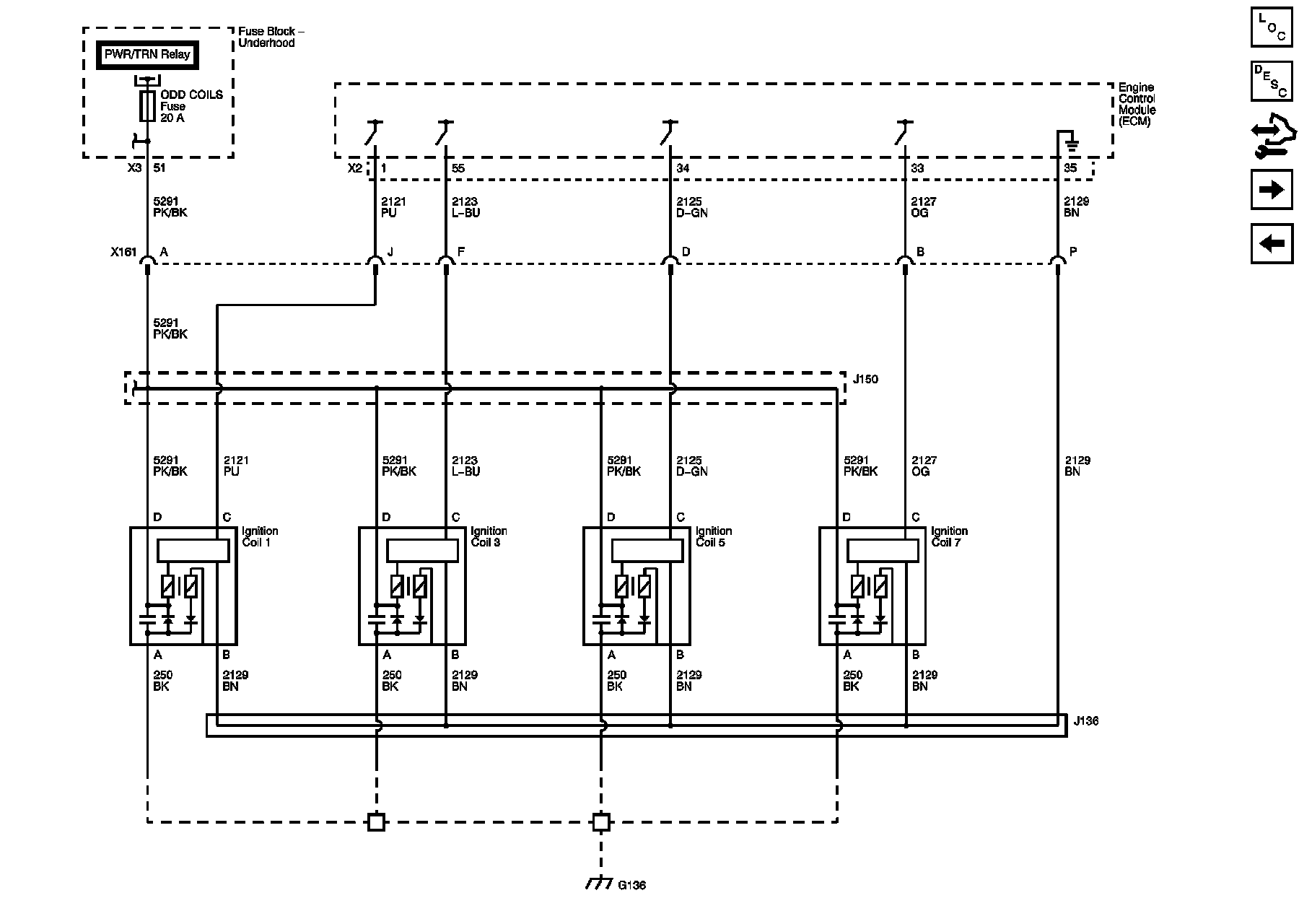
Ignition Controls - Bank 1 (Odd) Ignition Coils
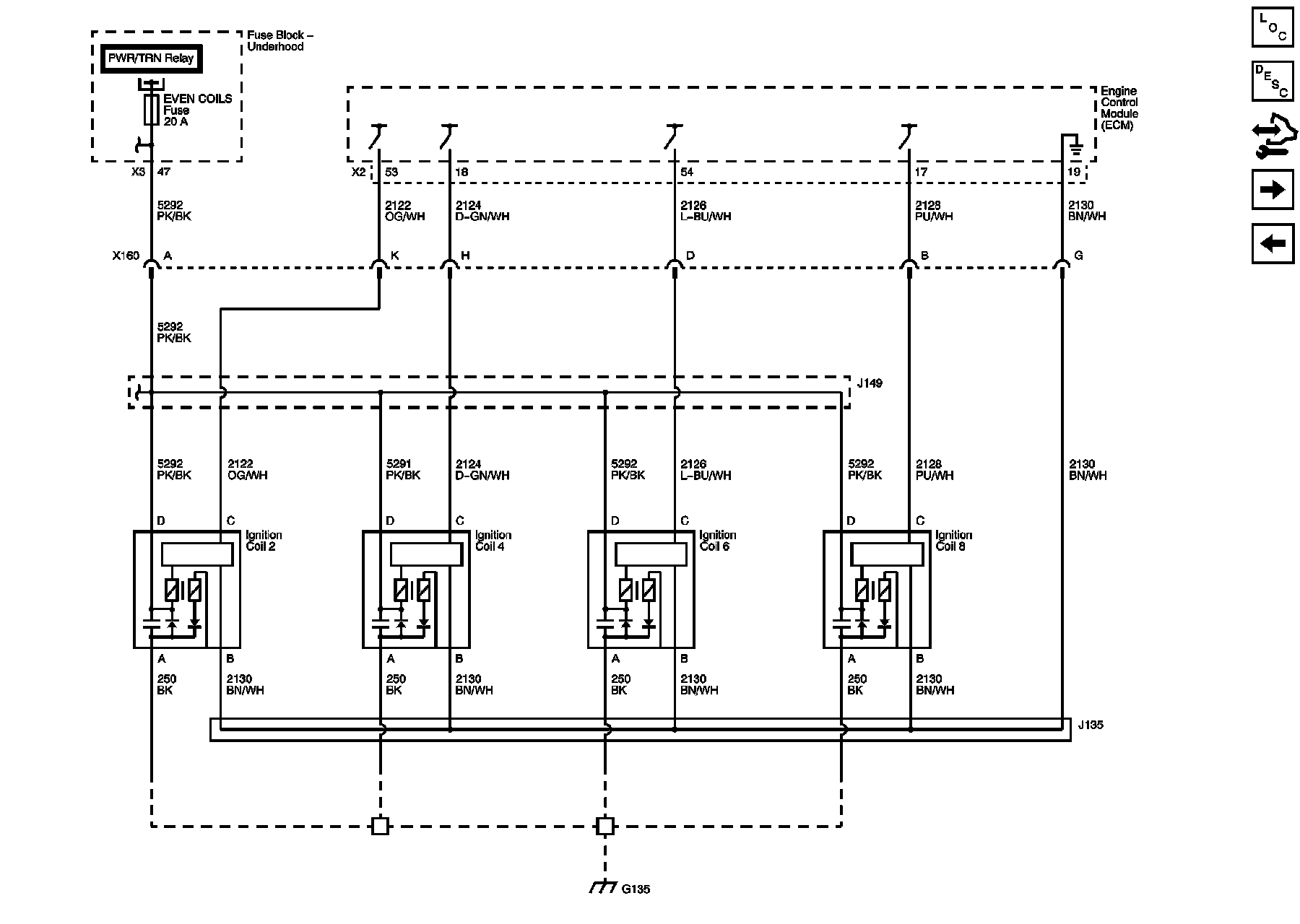
Ignition Controls - Bank 2 (Even) Ignition Coils
Ignition Controls - Sensors
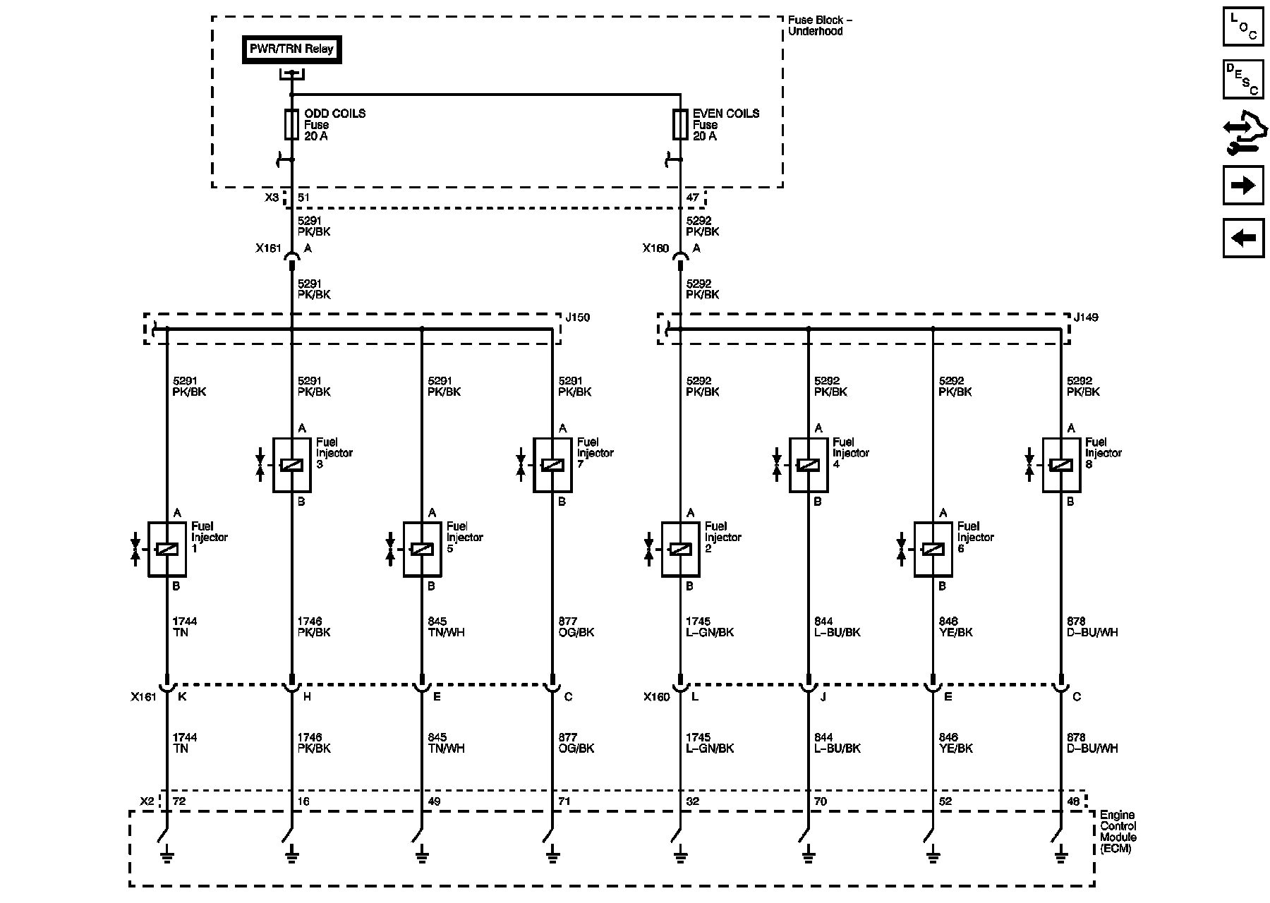
Fuel Controls - Fuel Injectors
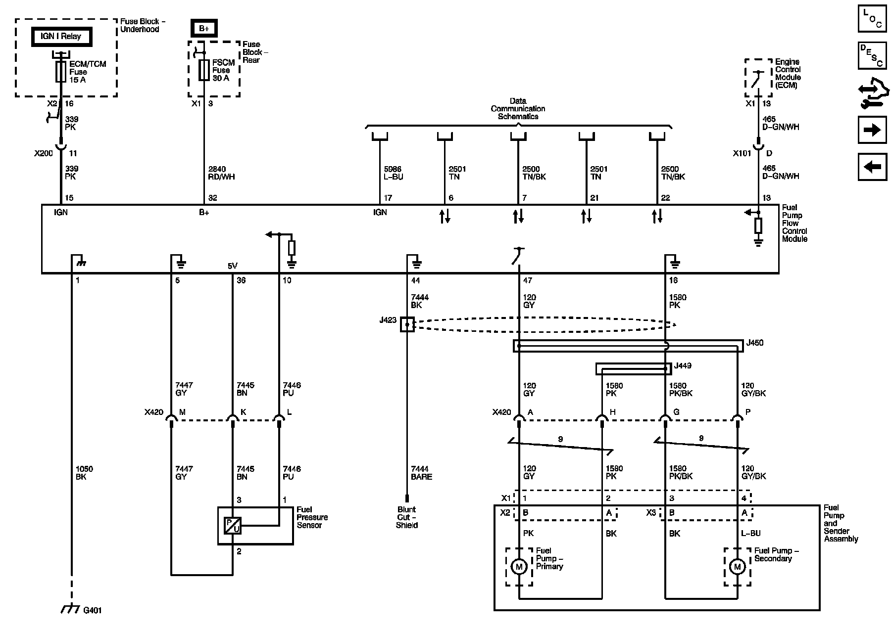
Fuel Controls - Fuel Pump Control
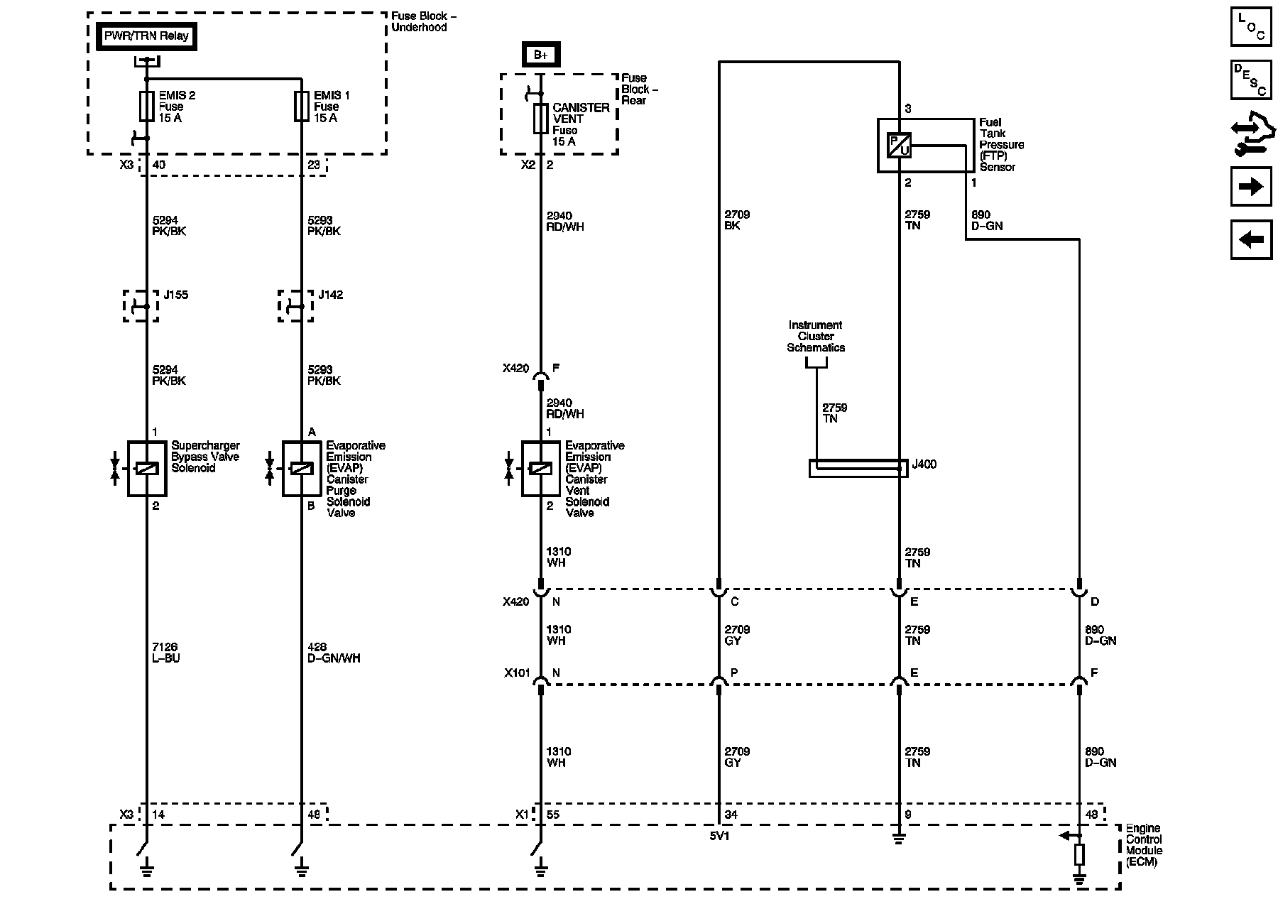
Fuel Controls - EVAP Controls
Controlled/Monitored Subsystem References