Operation CHARM: Car repair manuals for everyone.
Manuals through 2025 now available!

Our trusted friends have launched a new website named LEMON, which has newer manuals. It also contains all the CHARM manuals.

LEMON is the spiritual successor to CHARM, I recommend you try it!

Link: lemon-manuals.la or lemon-manuals.org.ua

(Some people have issue connecting. LEMON is investigating. For now, use Firefox or change your DNS server)

Or, hide this message: temporarily or permanently

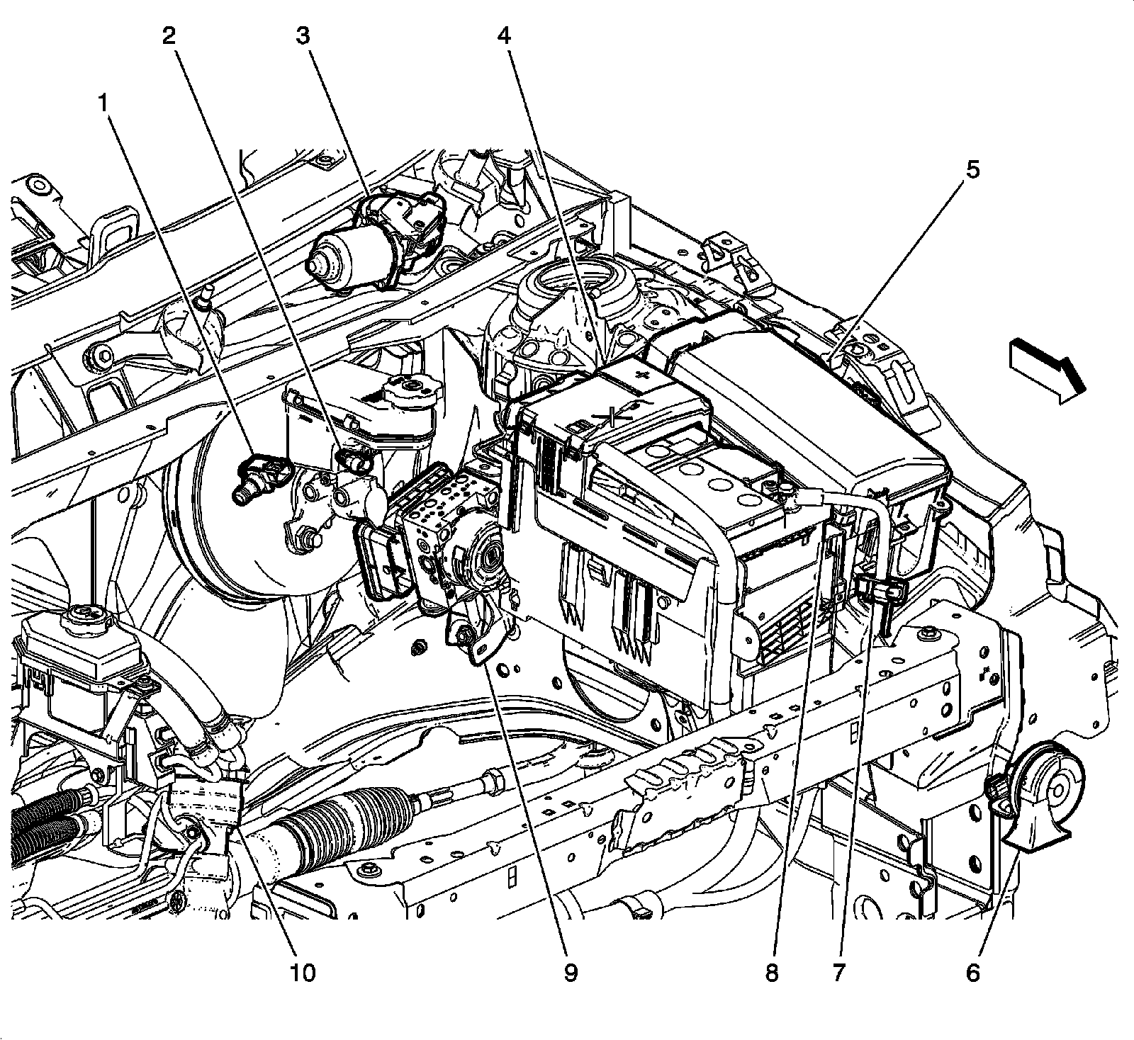
Engine Compartment Components - Left Side




Front of Vehicle/Engine Compartment Component Views



Engine Compartment Components - Left Side





1 - B19B - Brake Booster Vacuum Sensor

2 - B20 - Brake Fluid Level Switch

3 - M75 - Windshield Wiper Motor

4 - X50D - Fuse Block - Battery

5 - X50A - Fuse Block - Underhood

6 - P12B - Horn - Low Note

7 - B18 - Battery Current Sensor

8 - C1 - Battery

9 - K17 - Electronic Brake Control Module

10 - M72 - Variable Power Steering Solenoid Valve