Operation CHARM: Car repair manuals for everyone.
Manuals through 2025 now available!

Our trusted friends have launched a new website named LEMON, which has newer manuals. It also contains all the CHARM manuals.

LEMON is the spiritual successor to CHARM, I recommend you try it!

Link: lemon-manuals.la or lemon-manuals.org.ua

(Some people have issue connecting. LEMON is investigating. For now, use Firefox or change your DNS server)

Or, hide this message: temporarily or permanently

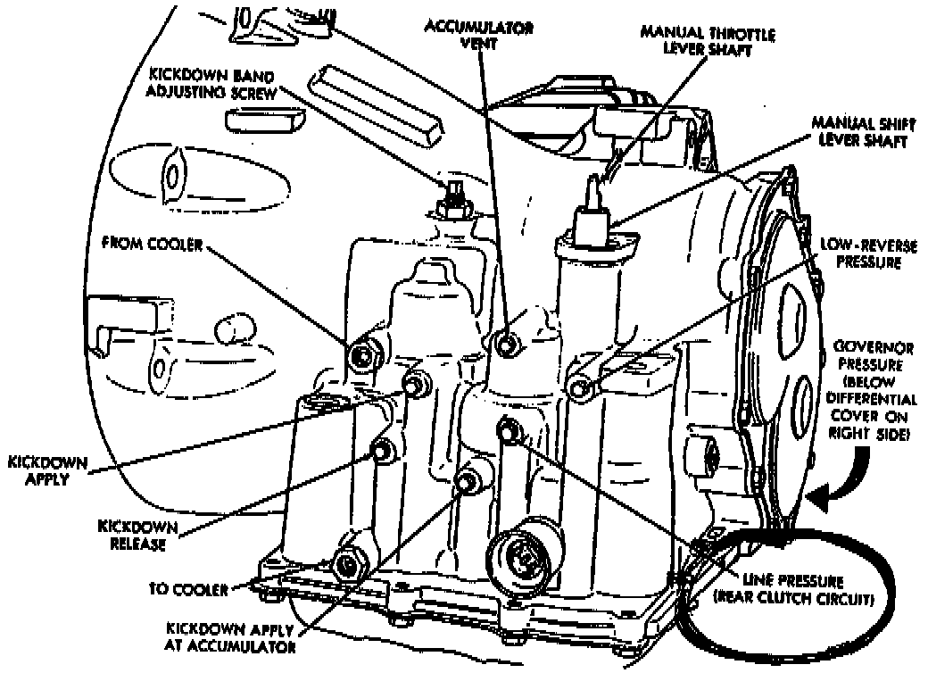
A/T - Pressure Tap Locations

TSB: 86-34 (July)

SUBJECT PRESSURE HOOK UPS

The following pictures were selected to answer one of the most often asked questions -- "Where do I hook up my pressure gauge?"

Not only do these pictures indicate control (mainline) pressure taps, some of them show clutch and/or band apply taps.

This will facilitate quick and accurate hook-up, for easy diagnosis.

The following illustrations will indicate pressure taps for the above mentioned transmission units.





AOD




FORD A4LD




FORD ATX




THM 125/125C




THM 180/180C




THM 200 4R




250/250 C/350/350 C




THM 440 T4




700 R4




THM 325/325 4L




A 404/413/415/470