Operation CHARM: Car repair manuals for everyone.
Manuals through 2025 now available!

Our trusted friends have launched a new website named LEMON, which has newer manuals. It also contains all the CHARM manuals.

LEMON is the spiritual successor to CHARM, I recommend you try it!

Link: lemon-manuals.la or lemon-manuals.org.ua

(Some people have issue connecting. LEMON is investigating. For now, use Firefox or change your DNS server)

Or, hide this message: temporarily or permanently

Heater Core: Service and Repair

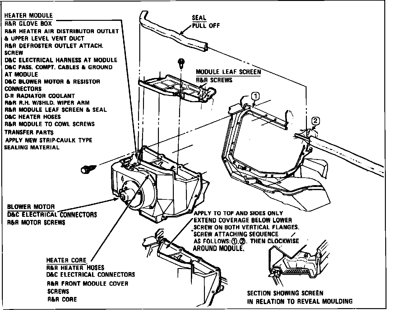
Fig. 20 Blower motor & heater core. Caballero & El Camino less A/C:





CABALLERO & EL CAMINO
Less A/C
1. Disconnect battery ground cable, then drain cooling system.
2. Disconnect hoses from heater core, then plug outlets to prevent coolant spillage.
3. Disconnect wire connectors, then remove front module cover attaching screws and cover.
4. Remove heater core from module, Fig. 20.
5. Reverse procedure to install.


Fig. 21 Blower motor & heater core. Caballero & El Camino with A/C:





With A/C
1. Disconnect battery ground cable, then drain cooling system.
2. Disconnect heater hoses at core.
3. Remove retaining bracket and ground strap.
4. Remove module rubber seal and module screen, Fig. 21.
5. Remove righthand wiper arm.
6. Remove high blower relay and thermostatic switch mounting screws.
7. Disconnect wire connector at top of module, then remove module top cover.
8. Remove heater core from module.
9. Reverse procedure to install.