Operation CHARM: Car repair manuals for everyone.
Manuals through 2025 now available!

Our trusted friends have launched a new website named LEMON, which has newer manuals. It also contains all the CHARM manuals.

LEMON is the spiritual successor to CHARM, I recommend you try it!

Link: lemon-manuals.la or lemon-manuals.org.ua

(Some people have issue connecting. LEMON is investigating. For now, use Firefox or change your DNS server)

Or, hide this message: temporarily or permanently

Glow Plug: Testing and Inspection





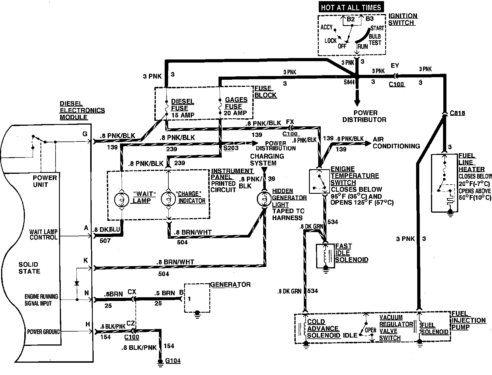
Fig. 8 Glow plug system wiring diagram (Part 1 of 2). 1983






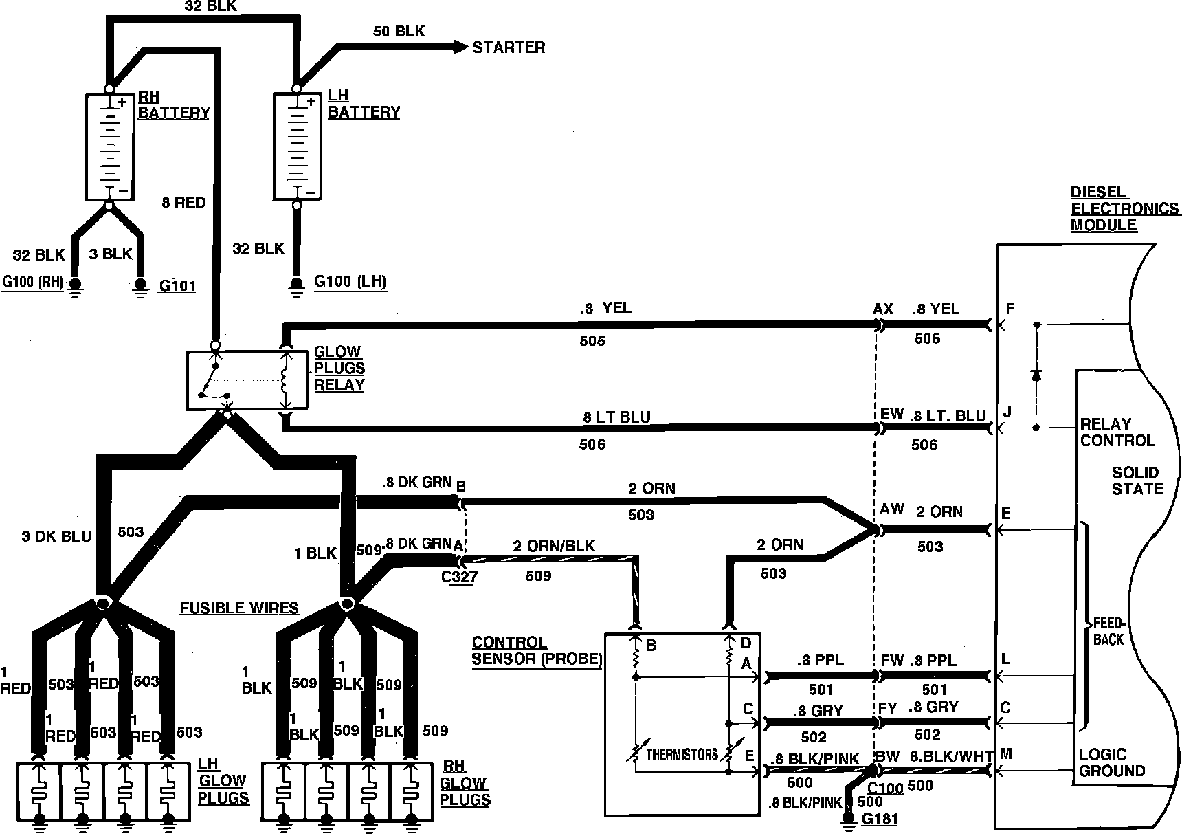
Fig. 8 Glow plug system wiring diagram (Part 2 of 2). 1983






Fig. 9 Glow plug system diagnosis chart. 1983






Fig. 10 Glow plug system diagnosis chart. 1983






Fig. 11 Glow plug system diagnosis chart. 1983






Fig. 12 Glow plug system diagnosis chart. 1983






Fig. 13 Glow plug system diagnosis chart. 1983






Fig. 14 Glow plug system diagnosis chart. 1983






Fig. 15 Glow plug system diagnosis chart. 1983




1980---81
Refer to wiring diagram, Fig. 16 and Figs. 17 through 21, for troubleshooting and diagnosis procedures for the 1980---81 glow plug system.