Operation CHARM: Car repair manuals for everyone.
Manuals through 2025 now available!

Our trusted friends have launched a new website named LEMON, which has newer manuals. It also contains all the CHARM manuals.

LEMON is the spiritual successor to CHARM, I recommend you try it!

Link: lemon-manuals.la or lemon-manuals.org.ua

(Some people have issue connecting. LEMON is investigating. For now, use Firefox or change your DNS server)

Or, hide this message: temporarily or permanently

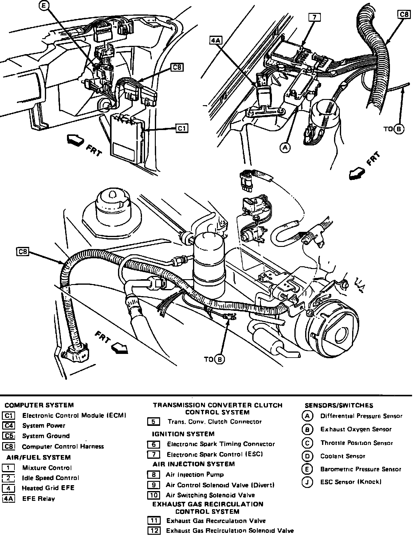
Electronic Control Module (ECM)

Underhood Component Locations.:




RH Shroud Behind Kick Panel

Applicable to: 1984 V6-231/3.8L Engine

ECM Wiring Harness (Part 1 Of 2).:




ECM Wiring Harness (Part 1 Of 2).:




RH Shroud Behind Kick Panel

Applicable to: 1984-85 V6-231/3.8L Engine

Underhood Component Locations.:




RH Shroud Behind Kick Panel

Applicable to: 1985 V6-231/3.8L Engine