Operation CHARM: Car repair manuals for everyone.
Manuals through 2025 now available!

Our trusted friends have launched a new website named LEMON, which has newer manuals. It also contains all the CHARM manuals.

LEMON is the spiritual successor to CHARM, I recommend you try it!

Link: lemon-manuals.la or lemon-manuals.org.ua

(Some people have issue connecting. LEMON is investigating. For now, use Firefox or change your DNS server)

Or, hide this message: temporarily or permanently

Images

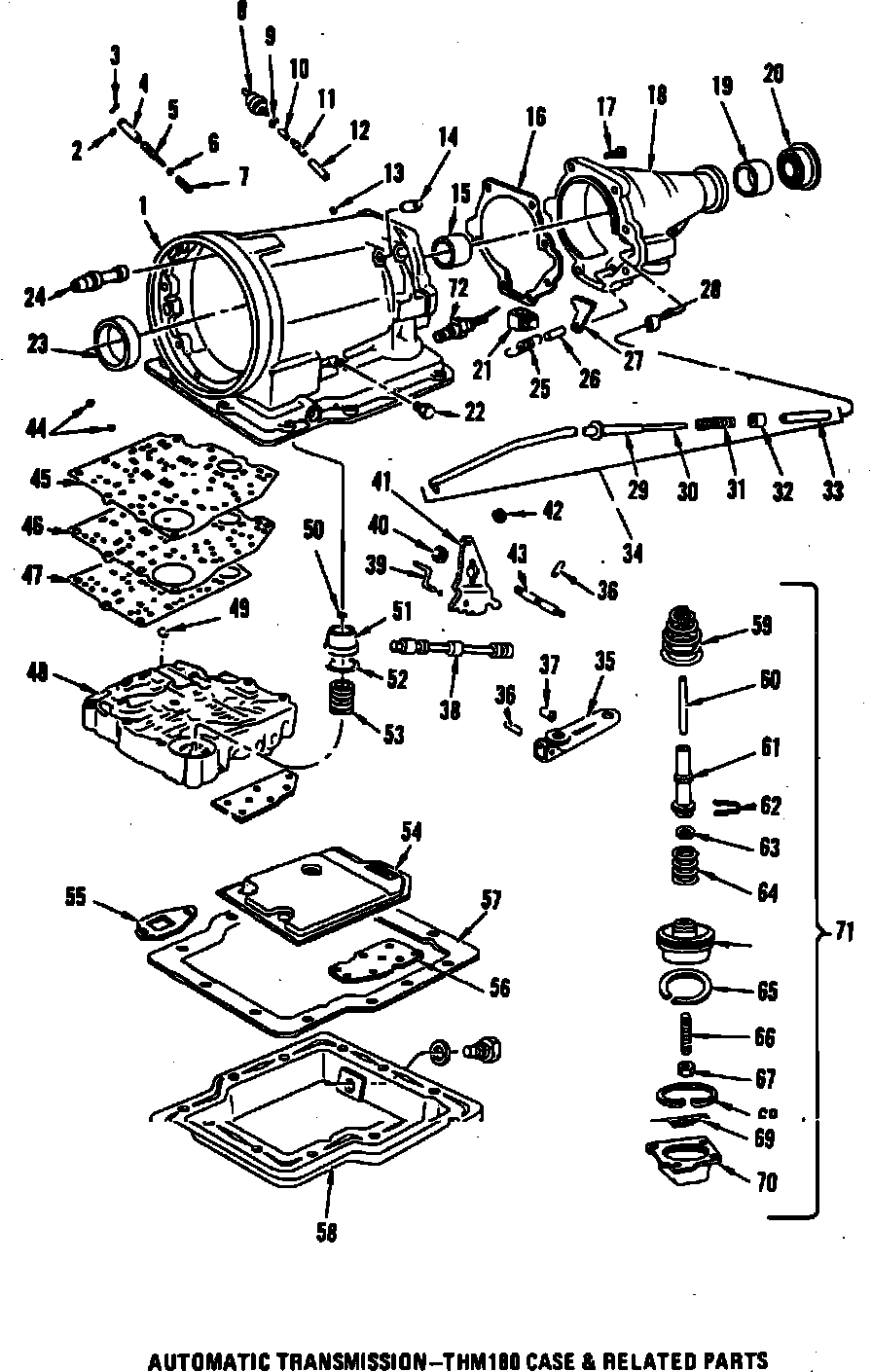
Case & Related Parts, THM 180C & 3L30:



Clutch, Sun Gear, Planetary Carrier, THM 180C & 3L30:



Reaction Sun Gear & Governor, THM 180C & 3L30:



Converter, Pump & Reverse Clutch, THM 180C & 3L30: