Operation CHARM: Car repair manuals for everyone.
Manuals through 2025 now available!

Our trusted friends have launched a new website named LEMON, which has newer manuals. It also contains all the CHARM manuals.

LEMON is the spiritual successor to CHARM, I recommend you try it!

Link: lemon-manuals.la or lemon-manuals.org.ua

(Some people have issue connecting. LEMON is investigating. For now, use Firefox or change your DNS server)

Or, hide this message: temporarily or permanently

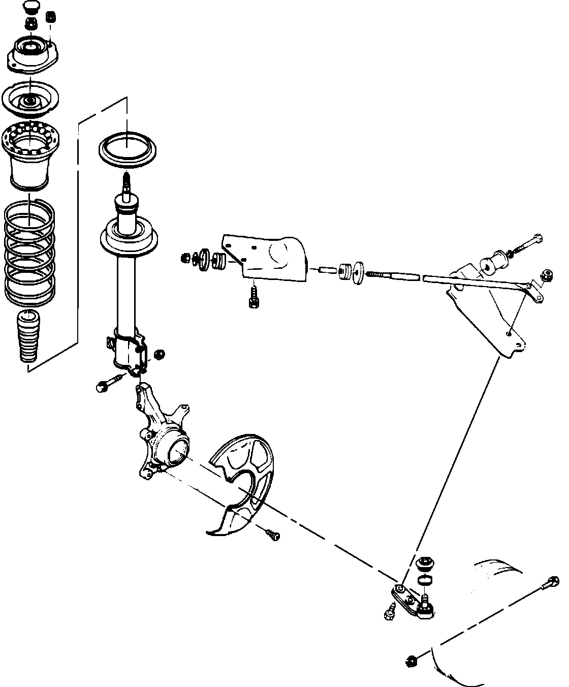
Control Arm: Service and Repair

Fig. 1 Exploded view of front suspension assembly:





1. Raise and support front of vehicle.
2. Remove lower control arm-to-tension rod attaching nuts and bolts.
3. Remove control arm-to-body attaching bolt and nut.
4. Remove control arm, Fig. 1.


Fig. 4 Setting vehicle trim height:




Fig. 5 Control arm installation:





5. Reverse procedure to install, noting the following:
a. Replace self-locking nuts when installing arm.
b. When attaching control arm to body, first jack up lower part of arm to 15.18 inches, Fig. 4, then torque attaching bolts to specifications, Fig. 5.