Operation CHARM: Car repair manuals for everyone.
Manuals through 2025 now available!

Our trusted friends have launched a new website named LEMON, which has newer manuals. It also contains all the CHARM manuals.

LEMON is the spiritual successor to CHARM, I recommend you try it!

Link: lemon-manuals.la or lemon-manuals.org.ua

(Some people have issue connecting. LEMON is investigating. For now, use Firefox or change your DNS server)

Or, hide this message: temporarily or permanently

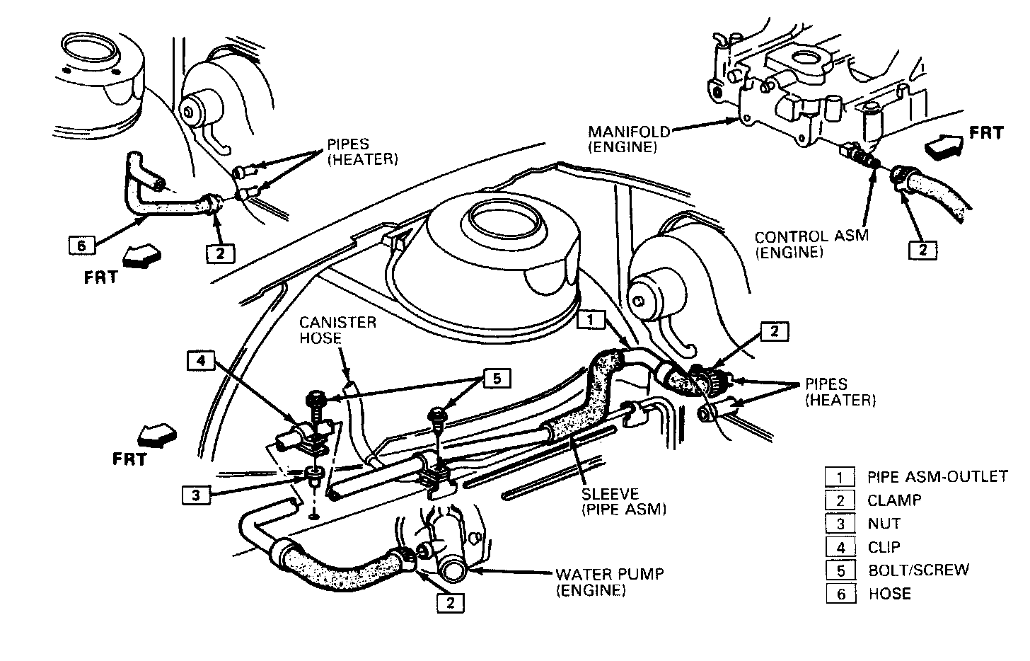
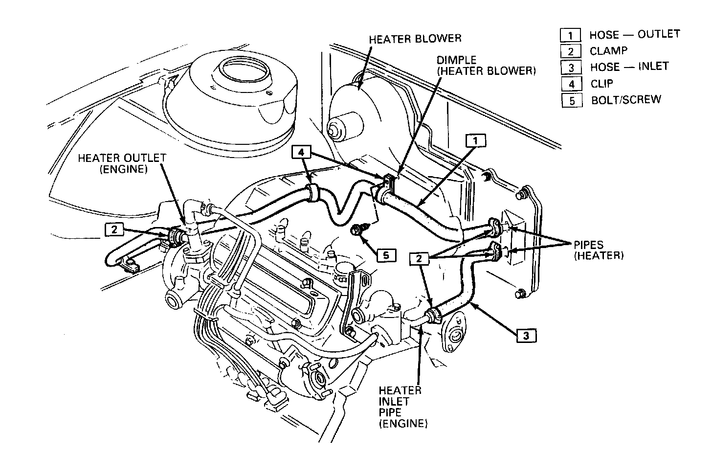
With A/C



HEATER CORE

2.5L 4cyl (LR8):




2.8L V6 (LB6):






Remove and Install


1. Drain the cooling system.
2. Disconnect the coolant hoses at the heater core.
3. Remove the heater duct and the heater case side cover (covers the heater core hose tubes).
4. Remove the heater lower outlet.
5. Remove the two (2) housing cover to air valve housing clips.
6. Remove the housing cover.
7. Remove the core retaining straps.
8. Remove the core tubing retainers and remove the core.
9. Reverse the removal procedure. Refill the cooling system, start the engine, check for leaks and check heater A/C operation.