Operation CHARM: Car repair manuals for everyone.
Manuals through 2025 now available!

Our trusted friends have launched a new website named LEMON, which has newer manuals. It also contains all the CHARM manuals.

LEMON is the spiritual successor to CHARM, I recommend you try it!

Link: lemon-manuals.la or lemon-manuals.org.ua

(Some people have issue connecting. LEMON is investigating. For now, use Firefox or change your DNS server)

Or, hide this message: temporarily or permanently

Heating and Air Conditioning: Locations

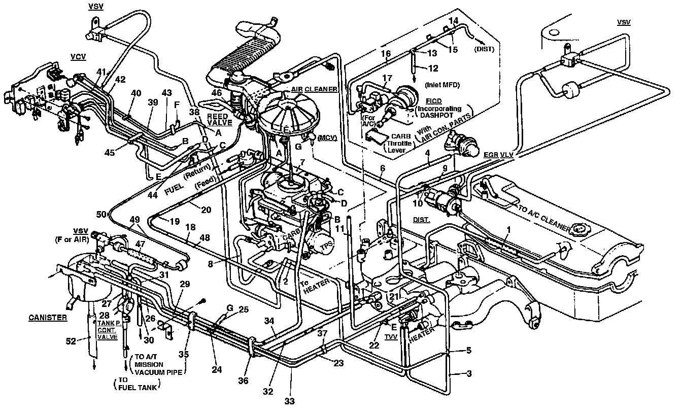
Vacuum Hose Routing:






NO. CONNECTION

1 Head cover - Inlet
2 CARB - Thermal vacuum valve
3 Thermal vacuum valve - 2 Way
4 3 Way - EGR valve
5 3 Way - EGR
6 Carb - Distributor
7 Carb - Fuel pump (Hot water)
8 Inlet - Carb (Hot water)
9 Inlet - Distributor
10 Clip, 2 Way - Distributor
11 Mixture control valve - Inlet
12 Inlet - 3 Way (With A/C)
13 3 Way, Distributor - Vacuum switching valve (With A/C)
14 3 Way - Distributor (With A/C)
15 Clip, 2 Way - Distributor (With A/C)
16 3 Way - Vacuum switching valve (With A/C)
17 Vacuum switching valve - Fast idle control diaphragm (With A/C)
18 Inlet - 3 Way
19 3 Way - Cruise control actuator
20 Inlet - Air temperature compensator valve - 3 Way
21 Inlet - 3 Way
22 3 Way, Inlet - Vacuum control valve
23 3 Way - 3 Way
24 3 Way, Mixture control valve - Vacuum control valve
25 3 Way - Mixture control valve (A/T Only)
26 3 Way - Tank pressure control valve (A/T Only)
27 3 Way - Tank pressure control valve
28 3 Way - Tank pressure control valve
29 3 Way - 3 Way
30 3 Way - A/T
31 3 Way - 3 Way
32 Canister - Inlet
33 3 Way - Canister
34 Carb - Canister
35 Clip - 4 Way
36 Clip - 4 Way
37 Clip - Rubber hose
38 Solenoid - Carb, slow
39 Solenoid - A/C Cleaner
40 Clip - 2 Way
41 Vacuum control valve - Carb
42 Vacuum control valve - 3 Way
43 Solenoid - Carb, Main
44 Solenoid - Carb, Secondary
45 Clip - 4 Way
46 Reed Valve
47 3 Way - Delay valve
48 Vacuum switching valve - air indication valve
49 Clip - Rubber hose
50 Delay valve - vacuum switching valve
51 3 Way - Cruise control actuator
52 Canister Drain