Operation CHARM: Car repair manuals for everyone.
Manuals through 2025 now available!

Our trusted friends have launched a new website named LEMON, which has newer manuals. It also contains all the CHARM manuals.

LEMON is the spiritual successor to CHARM, I recommend you try it!

Link: lemon-manuals.la or lemon-manuals.org.ua

(Some people have issue connecting. LEMON is investigating. For now, use Firefox or change your DNS server)

Or, hide this message: temporarily or permanently

Engine: Service and Repair


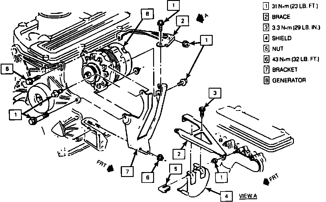
Fig. 3 Alternator Assembly:






1. Disconnect battery cables, then remove the battery.
2. Relieve fuel tank vapor pressure by loosening the fuel filler cap.
3. Drain cooling system.
4. Disconnect hood lamp wiring. Remove the hood.
5. Remove throttle body intake duct.
6. Remove rear sight shields.
7. Remove air cleaner housing.
8. Remove upper radiator hose.
9. Disconnect vacuum hose from brake booster.
10. Disconnect alternator electrical connector, then remove the top brace, Fig. 3.
11. Remove upper engine wiring harness from engine.
12. Properly discharge A/C system.
13. Remove compressor-to-condenser, and accumulator refrigerant lines.
14. Raise and support vehicle.
15. Remove left splash shield.
16. Remove exhaust system.
17. Remove lower engine wiring harness.
18. Remove flywheel inspection cover.
19. Remove front wheels.
20. Remove lower radiator hose.
21. Disconnect heater hoses from heater core.
22. Remove calipers from steering knuckle. Properly support calipers.
23. Remove tie rod ends from struts.
24. Lower the vehicle.
25. On models with manual transaxle, remove clutch slave cylinder as follows:
a. Remove slave cylinder to transaxle attaching bolts.
b. Using Hydraulic Line Separating Tool, No. J-36221, disconnect hydraulic line quick connect fitting.
c. Remove the slave cylinder.
26. On all models, ensure engine compartment fuel line connections are clean, then using Connector Tool Set No. J-37088 disconnect the fuel line quick connect fittings. Plug all fittings.
27. Disconnect linkage from transaxle.
28. Disconnect accelerator, cruise control, and T.V. cables from the TBI unit.
29. On models with automatic transaxle, disconnect cooling lines from transaxle.
30. On all models, disconnect hoses from power steering pump.
31. Remove four center carriage bolts.
32. Position a dolly with added engine support under the vehicle, then lower vehicle onto the dolly.
33. Support rear of vehicle.
34. Remove upper transaxle mount.
35. Remove upper strut mounting nuts and bolts.
36. Remove front and rear engine mounts as described previously.
37. Remove eight front and rear carriage bolts. To prevent axle separation, wire front carriage bolt holes together.
38. Raise the vehicle.
39. Remove engine and transaxle assembly on the dolly.
40. Reverse procedure to install noting the following:
a. On models with manual transaxle, bleed the hydraulic clutch system as described in TRANSMISSIONS CLUTCHES DIFFERENTIALS AXLES AND DRIVE SHAFTS/MANUAL TRANSAXLE/MAINTENANCE PROCEDURES/BLEEDING CLUTCH HYDRAULIC SYSTEM
b. On all models, replenish all fluids as needed..
c. Check wheel Alignment, refer to STEERING SUSPENSION CHASSIS AND BODY COMPONENTS/FRONT SUSPENSION/ADJUSTMENT PROCEDURES/WHEEL ALIGNMENT.