Operation CHARM: Car repair manuals for everyone.
Manuals through 2025 now available!

Our trusted friends have launched a new website named LEMON, which has newer manuals. It also contains all the CHARM manuals.

LEMON is the spiritual successor to CHARM, I recommend you try it!

Link: lemon-manuals.la or lemon-manuals.org.ua

(Some people have issue connecting. LEMON is investigating. For now, use Firefox or change your DNS server)

Or, hide this message: temporarily or permanently

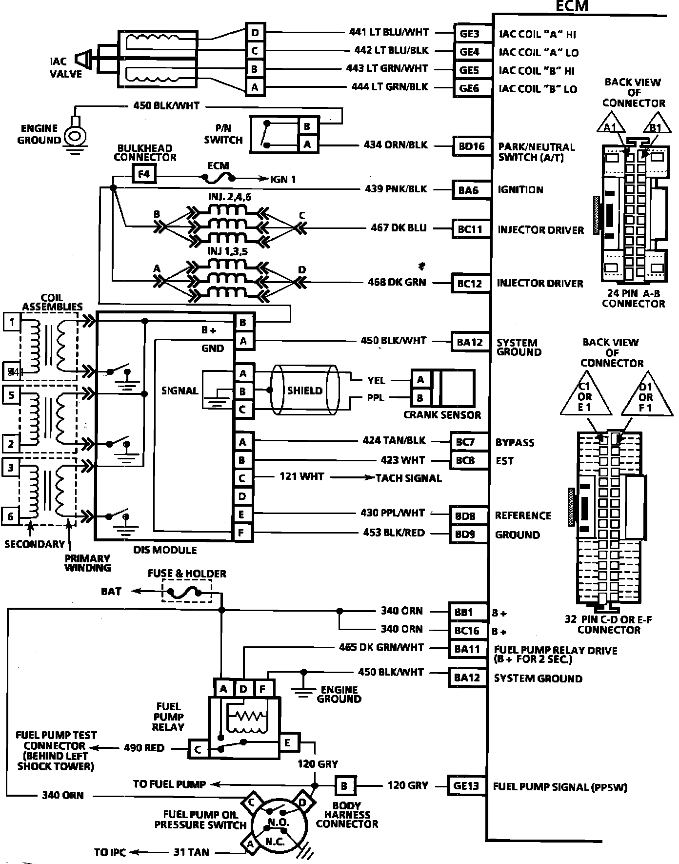
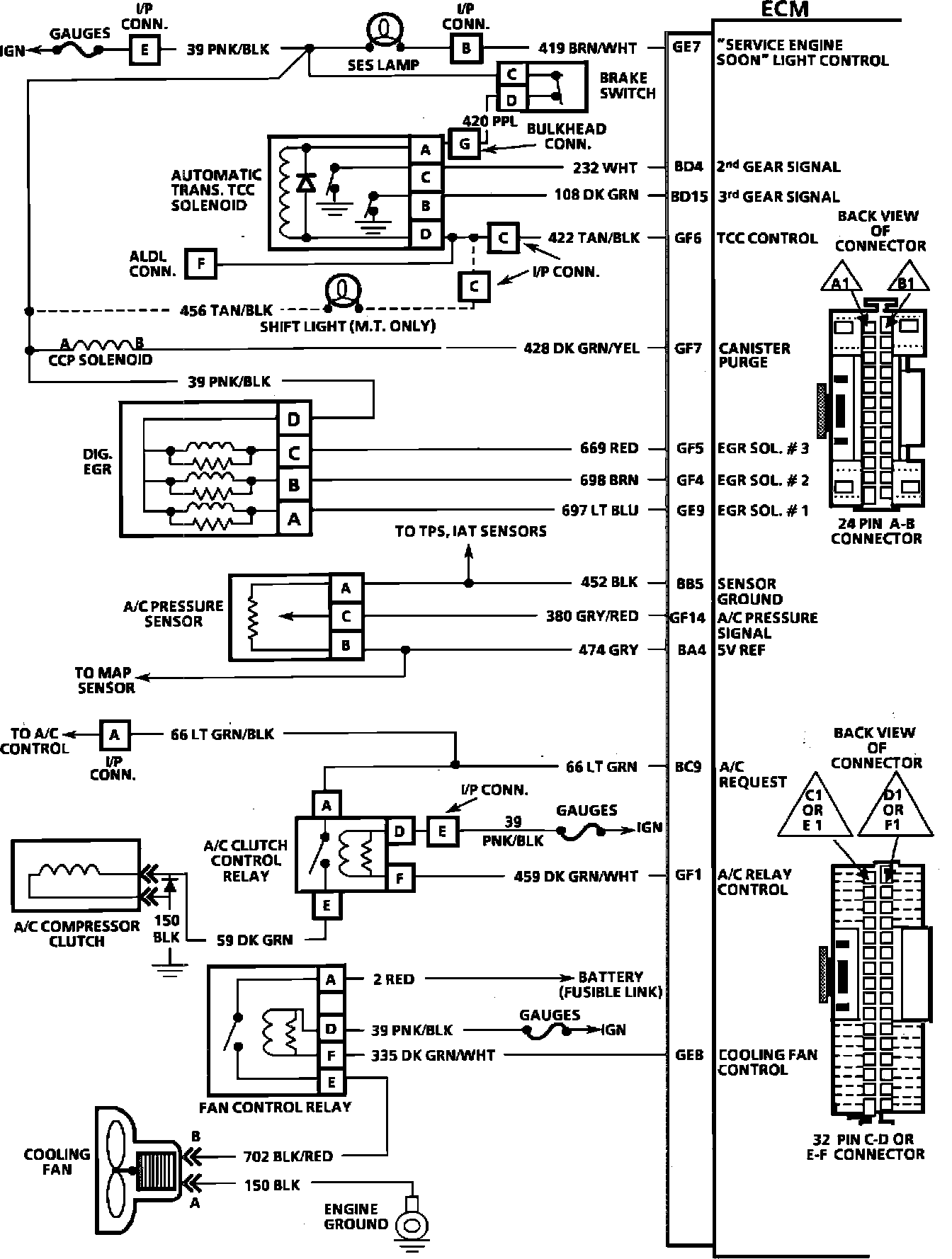
Electronic/Powertrain Control Module (ECM/PCM)

ECM Wiring Diagram:







GE12 = DIAGNOSTIC TEST
BA12 = SYSTEM GROUND
BD6 = INJECTOR DRIVER GROUND
BD7 = INJECTOR DRIVER GROUND
BA9 = SERIAL DATA
BD1 = SYSTEM GROUND
GE15 = OXYGEN SENSOR GROUND
GE14 = OXYGEN SENSOR SIGNAL
BB9 = VSS (LOW)
BB10 = VSS (HIGH)
BB11 = VSS OUTPUT (4K PPM)
BD13 = POWER STEERING PRESSURE SIGNAL
GF16 = IAT SIGNAL
BB5 = SENSOR GROUND
GF13 = TPS SIGNAL
BA5 = +5 VOLT REFERENCE
BA4 = +5 VOLT REFERENCE
GF15 = MAP SIGNAL
BB6 = SENSOR GROUND
GE16 = COOLANT TEMP SENSOR
GF9 = KNOCK SIGNAL



ECM Wiring Diagram:







GE3 = IAC COIL "A" HIGH
GE4 = IAC COIL "A" LOW
GE5 = IAC COIL "B" HIGH
GE6 = IAC COIL "B" LOW
BD16 = PARK NEUTRAL SWITCH (A/T)
BA6 = IGNITION
BC11 = INJECTOR DRIVER
BC12 = INJECTOR DRIVER
BA12 = SYSTEM GROUND
BC7 = BYPASS
BC8 = EST
BD8 = REFERENCE
BD9 = GROUND
BB1 = B+
BC16 = B+
BA11 = FUEL PUMP RELAY DRIVER (B+)
BA12 = SYSTEM GROUND
GE13 = FUEL PUMP SIGNAL (PPSW)



ECM Wiring Diagram:







GE7 = SERVICE ENGINE SOON LIGHT CONTROL
BD4 = 2ND GEAR SIGNAL
BD15 = 3RD GEAR SIGNAL
GF6 = TCC CONTROL SHIFT LIGHT (M/T)
GF7 = CANISTER PURGE CONTROL
GF5 = EGR SOLENOID #3
GF4 = EGR SOLENOID #2
GE9 = EGR SOLENOID #1
BB5 = SENSOR GROUND
GF14 = A/C PRESSURE SIGNAL
BA4 = +5 VOLT REFERENCE
BC9 = A/C REQUEST
GF1 = A/C RELAY CONTROL
GE8 = COOLING FAN CONTROL