Operation CHARM: Car repair manuals for everyone.
Manuals through 2025 now available!

Our trusted friends have launched a new website named LEMON, which has newer manuals. It also contains all the CHARM manuals.

LEMON is the spiritual successor to CHARM, I recommend you try it!

Link: lemon-manuals.la or lemon-manuals.org.ua

(Some people have issue connecting. LEMON is investigating. For now, use Firefox or change your DNS server)

Or, hide this message: temporarily or permanently

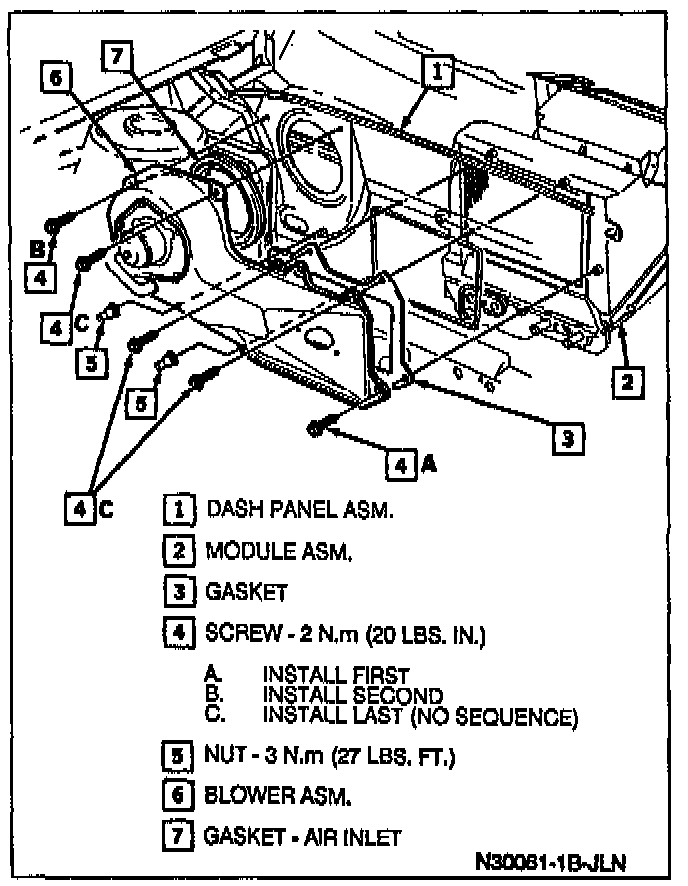
Blower Motor: Service and Repair

Blower Case:






REMOVE OR DISCONNECT
1. Electrical connector from blower motor.
2. Generator.
3. Motor cooling tube.
4. Blower motor screws and pull out.
NOTE: The fan is pressed on the blower motor shaft, and is not serviceable separately.

INSTALL OR CONNECT
1. Blower motor and fan into position and mounting screws.
^ Tighten screws to 5 N.m (44 lb. in.).
2. Motor cooling tube.
3. Generator.
4. Electrical connector to blower motor.